SLVSAL5E November   2011  – October 2021 TPS62150 , TPS62150A , TPS62151 , TPS62152 , TPS62153

PRODUCTION DATA  

  1. Features
  2. Applications
  3. Description
  4. Revision History
  5. Device Comparison Table
  6. Pin Configuration and Functions
  7. Specifications
    1. 7.1 Absolute Maximum Ratings (1)
    2. 7.2 ESD Ratings
    3. 7.3 Recommended Operating Conditions
    4. 7.4 Thermal Information
    5. 7.5 Electrical Characteristics
    6. 7.6 Typical Characteristics
  8. Detailed Description
    1. 8.1 Overview
    2. 8.2 Functional Block Diagrams
    3. 8.3 Feature Description
      1. 8.3.1 Enable / Shutdown (EN)
      2. 8.3.2 Soft Start or Tracking (SS/TR)
      3. 8.3.3 Power Good (PG)
      4. 8.3.4 Pin-Selectable Output Voltage (DEF)
      5. 8.3.5 Frequency Selection (FSW)
      6. 8.3.6 Undervoltage Lockout (UVLO)
      7. 8.3.7 Thermal Shutdown
    4. 8.4 Device Functional Modes
      1. 8.4.1 Pulse-Width Modulation (PWM) Operation
      2. 8.4.2 Power-Save Mode Operation
      3. 8.4.3 100% Duty-Cycle Operation
      4. 8.4.4 Current-Limit and Short-Circuit Protection
  9. Application and Implementation
    1. 9.1 Application Information
    2. 9.2 Typical Application
      1. 9.2.1 Design Requirements
      2. 9.2.2 Detailed Design Procedure
        1. 9.2.2.1 Programming the Output Voltage
        2. 9.2.2.2 External Component Selection
          1. 9.2.2.2.1 Inductor Selection
          2. 9.2.2.2.2 Capacitor Selection
            1. 9.2.2.2.2.1 Output Capacitor
            2. 9.2.2.2.2.2 Input Capacitor
            3. 9.2.2.2.2.3 Soft-Start Capacitor
        3. 9.2.2.3 Tracking Function
        4. 9.2.2.4 Output Filter and Loop Stability
      3. 9.2.3 Application Curves
    3. 9.3 System Examples
      1. 9.3.1 LED Power Supply
      2. 9.3.2 Active Output Discharge
      3. 9.3.3 Inverting Power Supply
      4. 9.3.4 Various Output Voltages
  10. 10Power Supply Recommendations
  11. 11Layout
    1. 11.1 Layout Guidelines
    2. 11.2 Layout Example
      1. 11.2.1 Thermal Considerations
  12. 12Device and Documentation Support
    1. 12.1 Device Support
      1. 12.1.1 Third-Party Products Disclaimer
    2. 12.2 Documentation Support
      1. 12.2.1 Related Documentation
    3. 12.3 Receiving Notification of Documentation Updates
    4. 12.4 Support Resources
    5. 12.5 Trademarks
    6. 12.6 Electrostatic Discharge Caution
    7. 12.7 Glossary
  13. 13Mechanical, Packaging, and Orderable Information

Package Options

Mechanical Data (Package|Pins)
Thermal pad, mechanical data (Package|Pins)
Orderable Information

Tracking Function

If a tracking function is desired, the SS/TR pin can be used for this purpose by connecting it to an external tracking voltage. The output voltage tracks that voltage. If the tracking voltage is between 50 mV and 1.2 V, the FB pin will track the SS/TR pin voltage as described in Equation 11 and shown in Figure 9-2.

Equation 11. GUID-99FB23CA-78B9-4093-8DFA-F9447CAE22B9-low.gif

GUID-5AD597D4-A6DE-48A7-AFCA-F3F836CB55A6-low.gifFigure 9-2 Voltage Tracking Relationship

Once the SS/TR pin voltage reaches about 1.2 V, the internal voltage is clamped to the internal feedback voltage and device goes to normal regulation. This works for rising and falling tracking voltages with the same behavior, as long as the input voltage is inside the recommended operating conditions. For decreasing SS/TR pin voltage, the device does not sink current from the output. So, the resulting decrease of the output voltage may be slower than the SS/TR pin voltage if the load is light. When driving the SS/TR pin with an external voltage, do not exceed the voltage rating of the SS/TR pin, which is VIN + 0.3 V.

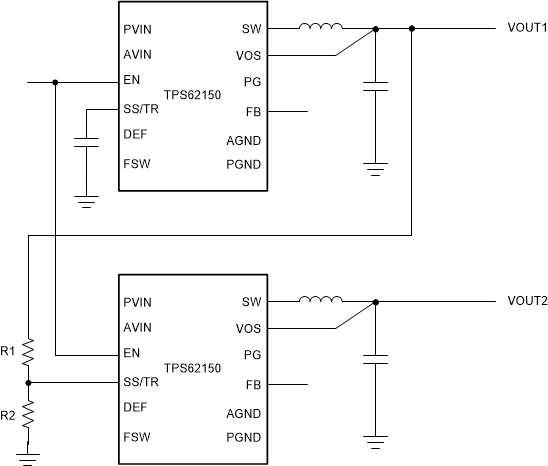
If the input voltage drops into undervoltage lockout or even down to zero, the output voltage goes to zero, independent of the tracking voltage. Figure 9-3 shows how to connect devices to get ratiometric and simultaneous sequencing by using the tracking function.

GUID-776C16D0-355E-428E-8B96-A0FB2F61848B-low.gifFigure 9-3 Schematic for Ratiometric and Simultaneous Start-Up

The resistive divider of R1 and R2 can be used to change the ramp rate of VOUT2 faster, slower, or the same as that of VOUT1.

A sequential start-up is achieved by connecting the PG pin of VOUT1 to the EN pin of VOUT2. A ratiometric start-up sequence happens if both supplies share the same soft-start capacitor. Equation 10 calculates the soft-start time, though the SS/TR current must be doubled. Details about these and other tracking and sequencing circuits are found in Sequencing and Tracking With the TPS621-Family and TPS821-Family Application Report.

Note:

If the voltage at the FB pin is below its typical value of 0.8 V, the output voltage accuracy can have a wider tolerance than specified.