SLUSDM0M May   2020  – September 2025 TPS628501-Q1 , TPS628502-Q1 , TPS628503-Q1

PRODMIX  

  1.   1
  2. Features
  3. Applications
  4. Description
  5. Device Comparison Table
  6. Pin Configuration and Functions
  7. Specifications
    1. 6.1 Absolute Maximum Ratings
    2. 6.2 ESD Ratings
    3. 6.3 Recommended Operating Conditions
    4. 6.4 Thermal Information
    5. 6.5 Electrical Characteristics
    6. 6.6 Typical Characteristics
  8. Parameter Measurement Information
    1. 7.1 Schematic
  9. Detailed Description
    1. 8.1 Overview
    2. 8.2 Functional Block Diagram
    3. 8.3 Feature Description
      1. 8.3.1 Precise Enable (EN)
      2. 8.3.2 COMP/FSET
      3. 8.3.3 MODE / SYNC
      4. 8.3.4 Spread Spectrum Clocking (SSC)
      5. 8.3.5 Undervoltage Lockout (UVLO)
      6. 8.3.6 Power-Good Output (PG)
      7. 8.3.7 Thermal Shutdown
    4. 8.4 Device Functional Modes
      1. 8.4.1 Pulse Width Modulation (PWM) Operation
      2. 8.4.2 Power Save Mode Operation (PWM/PFM)
      3. 8.4.3 100% Duty-Cycle Operation
      4. 8.4.4 Current Limit and Short-Circuit Protection
      5. 8.4.5 Foldback Current Limit and Short-Circuit Protection
      6. 8.4.6 Output Discharge
      7. 8.4.7 Input Overvoltage Protection
  10. Application and Implementation
    1. 9.1 Application Information
      1. 9.1.1 Programming the Output Voltage
      2. 9.1.2 External Component Selection
        1. 9.1.2.1 Inductor Selection
      3. 9.1.3 Capacitor Selection
        1. 9.1.3.1 Input Capacitor
        2. 9.1.3.2 Output Capacitor
    2. 9.2 Typical Application
      1. 9.2.1 Design Requirements
      2. 9.2.2 Detailed Design Procedure
      3. 9.2.3 Application Curves
    3. 9.3 System Examples
      1. 9.3.1 Fixed Output Voltage Versions
      2. 9.3.2 Synchronizing to an External Clock
    4. 9.4 Power Supply Recommendations
    5. 9.5 Layout
      1. 9.5.1 Layout Guidelines
      2. 9.5.2 Layout Example
  11. 10Device and Documentation Support
    1. 10.1 Device Support
      1. 10.1.1 Third-Party Products Disclaimer
    2. 10.2 Documentation Support
      1. 10.2.1 Related Documentation
    3. 10.3 Receiving Notification of Documentation Updates
    4. 10.4 Support Resources
    5. 10.5 Trademarks
    6. 10.6 Electrostatic Discharge Caution
    7. 10.7 Glossary
  12. 11Revision History
  13. 12Mechanical, Packaging, and Orderable Information

Package Options

Mechanical Data (Package|Pins)
Thermal pad, mechanical data (Package|Pins)
Orderable Information

Description

The TPS62850x-Q1 is a family of pin-to-pin 1A, 2A (continuous), and 3A (peak) high efficiency, easy-to-use synchronous step-down DC/DC converters. These devices are based on a peak current mode control topology. These devices are designed for automotive applications such as infotainment and advanced driver assistance systems. Low resistive switches allow up to 2A continuous output current and 3A peak current. In the TPS62850x-Q1, the switching frequency is externally adjustable from 1.8MHz to 4MHz. The devices can also be synchronized to an external clock in the same frequency range. In PWM/PFM mode, the devices automatically enter power save mode at light loads to maintain high efficiency across the whole load range. The family provides a 1% output voltage accuracy in PWM mode which helps design a power supply with high output voltage accuracy.

The TPS62850x-Q1 are available in an SOT583 package.

Device Information
PART NUMBER(2) PACKAGE(1) BODY SIZE (NOM)
TPS628501-Q1 DRL (SOT583, 8) 2.10mm × 1.60mm (incl pins)
TPS628502-Q1
TPS628503-Q1
TPS628501-Q1 DYC (SOT583, 8) 2.10mm × 1.60mm (incl pins)
For more information, see Section 12.
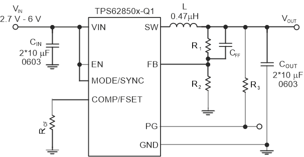
TPS628501-Q1 TPS628502-Q1 TPS628503-Q1 Simplified SchematicSimplified Schematic
TPS628501-Q1 TPS628502-Q1 TPS628503-Q1 Efficiency vs
                            IOUT, VOUT = 3.3VEfficiency vs IOUT, VOUT = 3.3V