SLVSCD3C december   2013  – may 2023 TPS65261 , TPS65261-1

PRODUCTION DATA  

  1.   1
  2. Features
  3. Applications
  4. Description
  5. Revision History
  6. Pin Configuration and Functions
  7. Specifications
    1. 6.1 Absolute Maximum Ratings
    2. 6.2 ESD Ratings
    3. 6.3 Recommended Operating Conditions
    4. 6.4 Thermal Information
    5. 6.5 Electrical Characteristics
    6. 6.6 Typical Characteristics
  8. Detailed Description
    1. 7.1 Overview
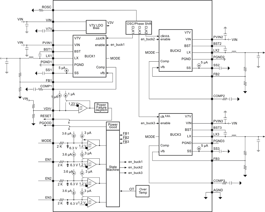
    2. 7.2 Functional Block Diagram
    3. 7.3 Feature Description
      1. 7.3.1  Adjusting the Output Voltage
      2. 7.3.2  Power Failure Detector
      3. 7.3.3  Enable and Adjusting Undervoltage Lockout
      4. 7.3.4  Soft-Start Time
      5. 7.3.5  Power Up Sequencing
        1. 7.3.5.1 External Power Sequencing
        2. 7.3.5.2 Automatic Power Sequencing
      6. 7.3.6  V7V Low Dropout Regulator and Bootstrap
      7. 7.3.7  Out-of-Phase Operation
      8. 7.3.8  Output Overvoltage Protection (OVP)
      9. 7.3.9  Slope Compensation
      10. 7.3.10 Overcurrent Protection
        1. 7.3.10.1 High-side MOSFET Overcurrent Protection
        2. 7.3.10.2 Low-side MOSFET Overcurrent Protection
      11. 7.3.11 Power Good
      12. 7.3.12 Adjustable Switching Frequency
      13. 7.3.13 Thermal Shutdown
    4. 7.4 Device Functional Modes
      1. 7.4.1 Pulse Skipping MODE (PSM)
  9. Application and Implementation
    1. 8.1 Application Information
    2. 8.2 Typical Application
      1. 8.2.1 Design Requirements
      2. 8.2.2 Detailed Design Procedure
        1. 8.2.2.1 Output Inductor Selection
        2. 8.2.2.2 Output Capacitor Selection
        3. 8.2.2.3 Input Capacitor Selection
        4. 8.2.2.4 Loop Compensation
      3. 8.2.3 Application Curves
    3. 8.3 Power Supply Recommendations
    4. 8.4 Layout
      1. 8.4.1 Layout Guidelines
      2. 8.4.2 Layout Example
  10. Device and Documentation Support
    1. 9.1 Documentation Support
      1. 9.1.1 Related Parts
    2. 9.2 Receiving Notification of Documentation Updates
    3. 9.3 Support Resources
    4. 9.4 Trademarks
    5. 9.5 Electrostatic Discharge Caution
    6. 9.6 Glossary
  11. 10Mechanical, Packaging, and Orderable Information

Package Options

Mechanical Data (Package|Pins)
Thermal pad, mechanical data (Package|Pins)
Orderable Information

Functional Block Diagram

GUID-A87605F6-012F-4951-9219-E9CE9FA1CD80-low.gif