SWCS046U March   2010  – October 2014 TPS65910

PRODUCTION DATA.  

  1. 1Device Overview
    1. 1.1 Features
    2. 1.2 Applications
    3. 1.3 Description
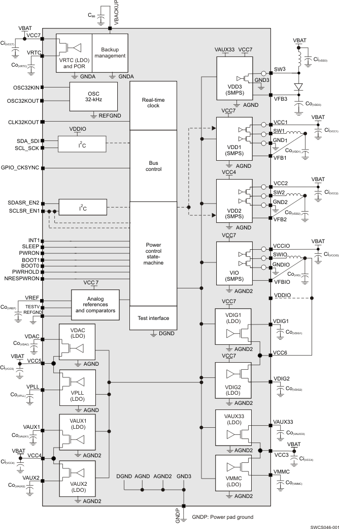
    4. 1.4 Functional Block Diagram
  2. 2Revision History
  3. 3 Device Comparison
  4. 4Terminal Configuration and Functions
    1. 4.1 Signal Descriptions
  5. 5Specifications
    1. 5.1  Absolute Maximum Ratings
    2. 5.2  Handling Ratings
    3. 5.3  Recommended Operating Conditions
    4. 5.4  Thermal Resistance Characteristics for RSL Package
    5. 5.5  I/O Pullup and Pulldown Characteristics
    6. 5.6  Digital I/O Voltage Electrical Characteristics
    7. 5.7  I2C Interface and Control Signals
    8. 5.8  Power Consumption
    9. 5.9  Power References and Thresholds
    10. 5.10 Thermal Monitoring and Shutdown
    11. 5.11 32-kHz RTC Clock
    12. 5.12 Backup Battery Charger
    13. 5.13 VRTC LDO
    14. 5.14 VIO SMPS
    15. 5.15 VDD1 SMPS
    16. 5.16 VDD2 SMPS
    17. 5.17 VDD3 SMPS
    18. 5.18 VDIG1 and VDIG2 LDO
    19. 5.19 VAUX33 and VMMC LDO
    20. 5.20 VAUX1 and VAUX2 LDO
    21. 5.21 VDAC and VPLL LDO
    22. 5.22 Timing and Switching Characteristics
      1. 5.22.1 Switch-On/-Off Sequences and Timing
        1. 5.22.1.1 BOOT1 = 0, BOOT0 = 0
        2. 5.22.1.2 BOOT1 = 0, BOOT0 = 1
      2. 5.22.2 Power Control Timing
        1. 5.22.2.1 Device Turn-On/Off With Rising/Falling Input Voltage
        2. 5.22.2.2 Device State Control Through PWRON Signal
        3. 5.22.2.3 Device SLEEP State Control
        4. 5.22.2.4 Power Supplies State Control Through the SCLSR_EN1 and SDASR_EN2 Signals
        5. 5.22.2.5 VDD1 and VDD2 Voltage Control Through SCLSR_EN1 and SDASR_EN2 Signals
        6. 5.22.2.6 SMPS Switching Synchronization
  6. 6Detailed Description
    1. 6.1  Power Reference
    2. 6.2  Power Sources
    3. 6.3  Embedded Power Controller
      1. 6.3.1 State-Machine
      2. 6.3.2 Switch-On/-Off Sequences
      3. 6.3.3 Control Signals
        1. 6.3.3.1 SLEEP
        2. 6.3.3.2 PWRHOLD
        3. 6.3.3.3 BOOT0/BOOT1
        4. 6.3.3.4 NRESPWRON
        5. 6.3.3.5 CLK32KOUT
        6. 6.3.3.6 PWRON
        7. 6.3.3.7 INT1
        8. 6.3.3.8 SDASR_EN2 and SCLSR_EN1
        9. 6.3.3.9 GPIO_CKSYNC
      4. 6.3.4 Dynamic Voltage Frequency Scaling and Adaptive Voltage Scaling Operation
    4. 6.4  32-kHz RTC Clock
    5. 6.5  RTC
      1. 6.5.1 Time Calendar Registers
      2. 6.5.2 General Registers
      3. 6.5.3 Compensation Registers
    6. 6.6  Backup Battery Management
    7. 6.7  Backup Registers
    8. 6.8  I2C Interface
    9. 6.9  Thermal Monitoring and Shutdown
    10. 6.10 Interrupts
    11. 6.11 Package Description
    12. 6.12 Functional Registers
      1. 6.12.1 TPS65910_FUNC_REG Registers Mapping Summary
      2. 6.12.2 TPS65910_FUNC_REG Register Descriptions
  7. 7Device and Documentation Support
    1. 7.1 Device Support
      1. 7.1.1 Development Support
      2. 7.1.2 Device Nomenclature
    2. 7.2 Documentation Support
    3. 7.3 Related Links
    4. 7.4 Community Resources
    5. 7.5 Trademarks
    6. 7.6 Electrostatic Discharge Caution
    7. 7.7 Export Control Notice
    8. 7.8 Glossary
    9. 7.9 Additional Acronyms
  8. 8Mechanical Packaging and Orderable Information
    1. 8.1 Packaging Information

Package Options

Mechanical Data (Package|Pins)
Thermal pad, mechanical data (Package|Pins)
Orderable Information

1 Device Overview

1.1 Features

  • Embedded Power Controller
  • Two Efficient Step-Down DC-DC Converters for Processor Cores
  • One Efficient Step-Down DC-DC Converter for I/O Power
  • One Efficient Step-Up 5-V DC-DC Converter
  • SmartReflex™ Compliant Dynamic Voltage Management for Processor Cores
  • 8 LDO Voltage Regulators and One Real-Time Clock (RTC) LDO (Internal Purpose)
  • One High-Speed I2C Interface for General-Purpose Control Commands (CTL-I2C)
  • One High-Speed I2C Interface for SmartReflex Class 3 Control and Command (SR-I2C)
  • Two Enable Signals Multiplexed with SR-I2C, Configurable to Control any Supply State and Processor Cores Supply Voltage
  • Thermal Shutdown Protection and Hot-Die Detection
  • An RTC Resource With:
    • Oscillator for 32.768-kHz Crystal or 32-kHz Built-in RC Oscillator
    • Date, Time, and Calendar
    • Alarm Capability
  • One Configurable GPIO
  • DC-DC Switching Synchronization Through Internal or External 3-MHz Clock

1.2 Applications

  • Portable and Handheld Systems
  • Industrial Systems

1.3 Description

The TPS65910 device is an integrated power-management IC available in 48-QFN package and dedicated to applications powered by one Li-Ion or Li-Ion polymer battery cell or 3-series Ni-MH cells, or by a 5-V input; it requires multiple power rails. The device provides three step-down converters, one step-up converter, and eight LDOs and is designed to support the specific power requirements of OMAP-based applications.

Two of the step-down converters provide power for dual processor cores and are controllable by a dedicated class-3 SmartReflex interface for optimum power savings. The third converter provides power for the I/Os and memory in the system.

The device includes eight general-purpose LDOs providing a wide range of voltage and current capabilities. The LDOs are fully controllable by the I2C interface. The use of the LDOs is flexible; they are intended to be used as follows: Two LDOs are designated to power the PLL and video DAC supply rails on the OMAP-based processors, four general-purpose auxiliary LDOs are available to provide power to other devices in the system, and two LDOs are provided to power DDR memory supplies in applications requiring these memories.

In addition to the power resources, the device contains an embedded power controller (EPC) to manage the power sequencing requirements of the OMAP systems and an RTC.

Table 1-1 Device Information(1)

PART NUMBER PACKAGE (PIN) BODY SIZE
TPS65910 PVQFN (48) 6.00 mm × 6.00 mm
(1) For more information, see Section 8, Mechanical Packaging and Orderable Information.

1.4 Functional Block Diagram

Figure 1-1 shows the top-level diagram of the device.

SWCS046-001.gifFigure 1-1 48-QFN Top-Level Diagram