SWCS071C August   2012  â€“ August 2017

PRODUCTION DATA.  

  1. Device Overview
    1. 1.1 Features
    2. 1.2 Applications
    3. 1.3 Description
    4. 1.4 Functional Block Diagram
  2. Revision History
  3. Default Settings
  4. Pin Configuration and Functions
    1. 4.1 Pin Functions
  5. Specifications
    1. 5.1  Absolute Maximum Ratings
    2. 5.2  ESD Ratings
    3. 5.3  Recommended Operating Conditions
    4. 5.4  Thermal Characteristics
    5. 5.5  Electrical Characteristics - DCDC1, DCDC2, and DCDC3
    6. 5.6  Electrical Characteristics - DCDC4
    7. 5.7  Electrical Characteristics - LDOs
    8. 5.8  Electrical Characteristics - Digital Inputs, Digital Outputs
    9. 5.9  Electrical Characteristics - VMON Voltage Monitor, VDDIO, Undervoltage Lockout (UVLO), and LDOAO
    10. 5.10 Electrical Characteristics - Load Switch
    11. 5.11 Electrical Characteristics - LED Drivers
    12. 5.12 Electrical Characteristics - Thermal Monitoring and Shutdown
    13. 5.13 Electrical Characteristics - 32-kHz RC Clock
    14. 5.14 SPI Interface Timing Requirements
    15. 5.15 I2C Interface Timing Requirements
    16. 5.16 Typical Characteristics
  6. Parameter Measurement Information
    1. 6.1 I2C Timing Diagrams
    2. 6.2 SPI Timing Diagram
  7. Detailed Description
    1. 7.1  Overview
    2. 7.2  Functional Block Diagram
    3. 7.3  Linear Regulators
      1. 7.3.1 Low Quiescent Current Mode (Eco-mode™)
      2. 7.3.2 Output Discharge
      3. 7.3.3 Thermal Shutdown
      4. 7.3.4 LDO Enable
      5. 7.3.5 LDO Voltage Range
      6. 7.3.6 LDO Power Good Comparator
    4. 7.4  Step-Down Converters
      1. 7.4.1 PWM/PFM Mode
      2. 7.4.2 Low Quiescent Current Mode
      3. 7.4.3 Output Voltage Monitoring
      4. 7.4.4 Output Discharge
      5. 7.4.5 Thermal Shutdown
      6. 7.4.6 Step-Down Converter ENABLE
      7. 7.4.7 Step-Down converter SOFT START
    5. 7.5  GPIOs
    6. 7.6  Power State Machine
    7. 7.7  Transition Conditions
    8. 7.8  Implementation of Internal Power-Up and Power-Down Sequencing
    9. 7.9  EN1, EN2, EN3, EN4, Resources Control
    10. 7.10 SLEEP State Control
    11. 7.11 Registers SET_OFF, KEEP_ON and DEF_VOLT Used in SLEEP State; CONFIG2 = 1
    12. 7.12 Registers SET_OFF, KEEP_ON and DEF_VOLT Used for Resources Assigned to an External Enable Pin; CONFIG2 = 1
    13. 7.13 Registers SET_OFF, KEEP_ON and DEF_VOLT for Resources Assigned to Pins PWR_REQ, CLK_REQ1 and CLK_REQ2; CONFIG2 = 0
    14. 7.14 Voltage Scaling Interface Control Using _OP and _AVS Registers with I2C or SPI Interface
    15. 7.15 Voltage Scaling Using the VCON Decoder on Pins VCON_PWM and VCON_CLK
    16. 7.16 Configuration Pins CONFIG1, CONFIG2 and DEF_SPI_I2C-GPIO
    17. 7.17 VDDIO Voltage for Push-Pull Output Stages
    18. 7.18 Digital Signal Summary
    19. 7.19 TPS659121 On/Off Operation With E450, E500
      1. 7.19.1 TPS659121 Power Up From Battery or 5-V USB Supply; CONFIG1=LOW
      2. 7.19.2 TPS659121 Power Up From 3.3-V Host Supply; CONFIG1=LOW
    20. 7.20 TPS659122 On/Off Operation for CONFIG1=HIGH
      1. 7.20.1 TPS659122 Power Up With CONFIG1=HIGH
      2. 7.20.2 TPS659121, TPS659122 Power-Off Sequence With CONFIG1=HIGH
    21. 7.21 TPS659122 On/Off Operation for CONFIG1=LOW
      1. 7.21.1 TPS659122 Power Up With CONFIG1=LOW
      2. 7.21.2 TPS659122 Power-Off Sequence With CONFIG1=LOW
    22. 7.22 Interfaces
    23. 7.23 Serial Peripheral Interface
    24. 7.24 I2C Interface
      1. 7.24.1 I2C Implementation
      2. 7.24.2 F/S-Mode Protocol
      3. 7.24.3 H/S-Mode Protocol
    25. 7.25 Thermal Monitoring and Shutdown
    26. 7.26 Load Switch
    27. 7.27 LED Driver
    28. 7.28 Memory
      1. 7.28.1 Register Format
      2. 7.28.2 Register Descriptions
        1. 7.28.2.1 DCDC Registers
          1. 7.28.2.1.1  DCDC1_CTRL (00h)
          2. 7.28.2.1.2  DCDC2_CTRL (01h)
          3. 7.28.2.1.3  DCDC3_CTRL (02h)
          4. 7.28.2.1.4  DCDC4_CTRL (03h)
          5. 7.28.2.1.5  DCDC1_OP (04h)
          6. 7.28.2.1.6  DCDC1_AVS (05h)
          7. 7.28.2.1.7  DCDC1_LIMIT (06h)
          8. 7.28.2.1.8  DCDC2_OP (07h)
          9. 7.28.2.1.9  DCDC2_AVS (08h)
          10. 7.28.2.1.10 DCDC2_LIMIT (09h)
          11. 7.28.2.1.11 DCDC3_OP (0Ah)
          12. 7.28.2.1.12 DCDC3_AVS (0Bh)
          13. 7.28.2.1.13 DCDC3_LIMIT (0Ch)
          14. 7.28.2.1.14 DCDC4_OP (0Dh)
          15. 7.28.2.1.15 DCDC4_AVS (0Eh)
          16. 7.28.2.1.16 DCDC4_LIMIT (0Fh)
          17. 7.28.2.1.17 VDCDCx Range Settings
          18. 7.28.2.1.18 DCDCx Voltage Settings
        2. 7.28.2.2 LDO Registers
          1. 7.28.2.2.1  LDO1_OP (10h)
          2. 7.28.2.2.2  LDO1_AVS (11h)
          3. 7.28.2.2.3  LDO1_LIMIT (12h)
          4. 7.28.2.2.4  LDO2_OP (13h)
          5. 7.28.2.2.5  LDO2_AVS (14h)
          6. 7.28.2.2.6  LDO2_LIMIT (15h)
          7. 7.28.2.2.7  LDO3_OP (16h)
          8. 7.28.2.2.8  LDO3_AVS (17h)
          9. 7.28.2.2.9  LDO3_LIMIT (18h)
          10. 7.28.2.2.10 LDO4_OP (19h)
          11. 7.28.2.2.11 LDO4_AVS (1Ah)
          12. 7.28.2.2.12 LDO4_LIMIT (1Bh)
          13. 7.28.2.2.13 LDO5 (1Ch)
          14. 7.28.2.2.14 LDO6 (1Dh)
          15. 7.28.2.2.15 LDO7 (1Eh)
          16. 7.28.2.2.16 LDO8 (1Fh)
          17. 7.28.2.2.17 LDO9 (20h)
          18. 7.28.2.2.18 LDO10 (21h)
        3. 7.28.2.3 LDO Voltage Settings
        4. 7.28.2.4 DEVCTRL Registers
          1. 7.28.2.4.1  THRM_REG (22h)
          2. 7.28.2.4.2  CLK32KOUT (23h)
          3. 7.28.2.4.3  DEVCTRL (24h)
          4. 7.28.2.4.4  DEVCTRL2 (25h)
          5. 7.28.2.4.5  I2C_SPI_CFG (26h)
          6. 7.28.2.4.6  KEEP_ON1 (27h)
          7. 7.28.2.4.7  KEEP_ON2 (28h)
          8. 7.28.2.4.8  SET_OFF1 (29h)
          9. 7.28.2.4.9  SET_OFF2 (2Ah)
          10. 7.28.2.4.10 DEF_VOLT (2Bh)
          11. 7.28.2.4.11 LDO Sleep Mode Behavior
          12. 7.28.2.4.12 DEF_VOLT_MAPPING (2Ch)
          13. 7.28.2.4.13 DISCHARGE1 (2Dh)
          14. 7.28.2.4.14 DISCHARGE2 (2Eh)
          15. 7.28.2.4.15 EN1_SET1 (2Fh)
          16. 7.28.2.4.16 EN1_SET2 (30h)
          17. 7.28.2.4.17 EN2_SET1 (31h)
          18. 7.28.2.4.18 EN2_SET2 (32h)
          19. 7.28.2.4.19 EN3_SET1 (33h)
          20. 7.28.2.4.20 EN3_SET2 (34h)
          21. 7.28.2.4.21 EN4_SET1 (35h)
          22. 7.28.2.4.22 EN4_SET2 (36h)
          23. 7.28.2.4.23 PGOOD (37h)
          24. 7.28.2.4.24 PGOOD2 (38h)
          25. 7.28.2.4.25 INT_STS (39h)
          26. 7.28.2.4.26 INT_MSK (3Ah)
          27. 7.28.2.4.27 INT_STS2 (3Bh)
          28. 7.28.2.4.28 INT_MSK2 (3Ch)
          29. 7.28.2.4.29 INT_STS3 (3Dh)
          30. 7.28.2.4.30 INT_MSK3 (3Eh)
          31. 7.28.2.4.31 INT_STS4 (3Fh)
          32. 7.28.2.4.32 INT_MSK4 (40h)
          33. 7.28.2.4.33 GPIO1 (41h)
          34. 7.28.2.4.34 GPIO2 (42h)
          35. 7.28.2.4.35 GPIO3 (43h)
          36. 7.28.2.4.36 GPIO4 (44h)
          37. 7.28.2.4.37 GPIO5 (45h)
          38. 7.28.2.4.38 VMON (46h)
          39. 7.28.2.4.39 LEDA_CTRL1 (47h)
          40. 7.28.2.4.40 LEDA_CTRL2 (48h)
          41. 7.28.2.4.41 LEDA_CTRL3 (49h)
          42. 7.28.2.4.42 LEDA_CTRL4 (4Ah)
          43. 7.28.2.4.43 LEDA_CTRL5 (4Bh)
          44. 7.28.2.4.44 LEDA_CTRL6 (4Ch)
          45. 7.28.2.4.45 LEDA_CTRL7 (4Dh)
          46. 7.28.2.4.46 LEDA_CTRL8 (4Eh)
          47. 7.28.2.4.47 LEDB_CTRL1 (4Fh)
          48. 7.28.2.4.48 LEDB_CTRL2 (50h)
          49. 7.28.2.4.49 LEDB_CTRL3 (51h)
          50. 7.28.2.4.50 LEDB_CTRL4 (52h)
          51. 7.28.2.4.51 LEDB_CTRL5 (53h)
          52. 7.28.2.4.52 LEDB_CTRL6 (54h)
          53. 7.28.2.4.53 LEDB_CTRL7 (55h)
          54. 7.28.2.4.54 LEDB_CTRL8 (56h)
          55. 7.28.2.4.55 LEDC_CTRL1 (57h)
          56. 7.28.2.4.56 LEDC_CTRL2 (58h)
          57. 7.28.2.4.57 LEDC_CTRL3 (59h)
          58. 7.28.2.4.58 LED_CTRL4 (5Ah)
          59. 7.28.2.4.59 LEDC_CTRL5 (5Bh)
          60. 7.28.2.4.60 LEDC_CTRL6 (5Ch)
          61. 7.28.2.4.61 LEDC_CTRL7 (5Dh)
          62. 7.28.2.4.62 LEDC_CTRL8 (5Eh)
          63. 7.28.2.4.63 LED_RAMP_UP_TIME (5Fh)
          64. 7.28.2.4.64 LED_RAMP_DOWN_TIME (60h)
          65. 7.28.2.4.65 LED_SEQ_EN (61h)
          66. 7.28.2.4.66 LEDx DC Current
          67. 7.28.2.4.67 LOADSWITCH (62h)
          68. 7.28.2.4.68 SPARE (63h)
          69. 7.28.2.4.69 VERNUM (64h)
  8. Applications, Implementation, and Layout
    1. 8.1 Application Information
    2. 8.2 Typical Application
      1. 8.2.1 DC-DC Converters
        1. 8.2.1.1 Design Requirements
        2. 8.2.1.2 Detailed Design Procedure
          1. 8.2.1.2.1 Output Filter Design (Inductor and Output Capacitor)
            1. 8.2.1.2.1.1 Inductor Selection
            2. 8.2.1.2.1.2 Output Capacitor Selection
            3. 8.2.1.2.1.3 Input Capacitor Selection / Input Voltage
            4. 8.2.1.2.1.4 Output Capacitor Table
            5. 8.2.1.2.1.5 Voltage Change on DCDC1 to DCDC4
        3. 8.2.1.3 Application Curves
        4. 8.2.1.4 Layout
          1. 8.2.1.4.1 Layout Guidelines
          2. 8.2.1.4.2 Layout Example
    3. 8.3 Power Supply Recommendations
  9. Device and Documentation Support
    1. 9.1 Device Support
      1. 9.1.1 Development Support
      2. 9.1.2 Device Nomenclature
    2. 9.2 Documentation Support
      1. 9.2.1 Related Documentation
    3. 9.3 Receiving Notification of Documentation Updates
    4. 9.4 Community Resources
    5. 9.5 Trademarks
    6. 9.6 Electrostatic Discharge Caution
    7. 9.7 Glossary
  10. 10Mechanical, Packaging, and Orderable Information

Package Options

Mechanical Data (Package|Pins)
Thermal pad, mechanical data (Package|Pins)
Orderable Information

Device Overview

Features

  • Four Step-Down Converters:
    • VIN Range From 2.7 V to 5.5 V
    • Power Save Mode at Light Load Current
    • Output Voltage Accuracy in PWM Mode ±2%
    • Typical 26-μA Quiescent Current per Converter
    • Dynamic Voltage Scaling
    • 100% Duty Cycle for Lowest Dropout
  • Ten LDOs:
    • 8 General-Purpose LDOs
    • Output Voltage Range From 0.8 V to 3.3 V
    • 2 Low-Noise RF-LDOs
    • Output Voltage Range From 1.6 V to 3.3 V
    • 32-μA Quiescent Current
    • Preregulation Support by Separate Power Inputs
    • ECO Mode
    • VIN Range of LDOs Respective to the Following Voltage Ranges:
      • 1.8 V to 3.6 V
      • 3.0 V to 5.5 V
  • Three LED Outputs:
    • Internal Dimming Using I2C
    • Multiplexed With GPIOs
    • Up to 20 mA per Current Sink
  • Thermal Monitoring
    • High Temperature Warning
    • Thermal Shutdown
  • Bypass Switch
    • Used With DCDC4 in Applications Powering an RF-PA
    • For Example, as Supply Switch for SD Cards
  • Interface
    • I2C Interface
    • Power I2C Interface for Dynamic Voltage Scaling
    • SPI
  • 32-kHz RC Oscillator
  • Undervoltage Lockout and Battery Fault Comparator
  • Long Button-Press Detection
  • Flexible Power-Up and Power-Down Sequencing
  • 3.6-mm × 3.6-mm DSBGA Package With 0.4-mm Pitch

Applications

  • Data Cards
  • Smart Phones
  • Wireless Routers and Switches
  • Tablets
  • Industrial Applications
  • LTE Modem
  • GPS

Description

The TPS65912x device provides four configurable step-down converters with up to 2.5-A output current for memory, processor core, I/O, or preregulation of LDOs. The device also contains ten LDO regulators for external use. These LDOs can be supplied from either a battery or a preregulated supply. Power-up or power-down controller is configurable and can support any power-up or power-down sequences
(OTP-based). The TPS65912x device integrates a 32-kHz RC oscillator to sequence all resources during power up or power down. All LDOs and DC-DC converters can be controlled by I2C-SPI interface or basic ENABLE balls. In addition, an independent automatic voltage-scaling interface allows for transitioning
DC-DC to a different voltage by I2C or basic Roof/Floor Control. Three RGB LEDs with an advanced dimming feature are integrated inside the device. GPIO functionality is multiplexed with LED/ENABLE/SPI when not used. Each GPIO can be configured as part of the power-up sequence to control external resources. One SLEEP pin enables power mode control between active mode and preprogrammed sleep mode for power optimization. For system control, the TPS65912x device has one comparator for system state management. The TPS65912x device comes in a 9-pin × 9-pin DSBGA package (3.6 mm × 3.6 mm) with a 0.4-mm pitch.

Device Information(1)

PART NUMBER PACKAGE BODY SIZE
TPS65912x DSBGA (81) 3.6 mm × 3.6 mm
For more information, see the Mechanical, Packaging, and Orderable Information section.

Functional Block Diagram

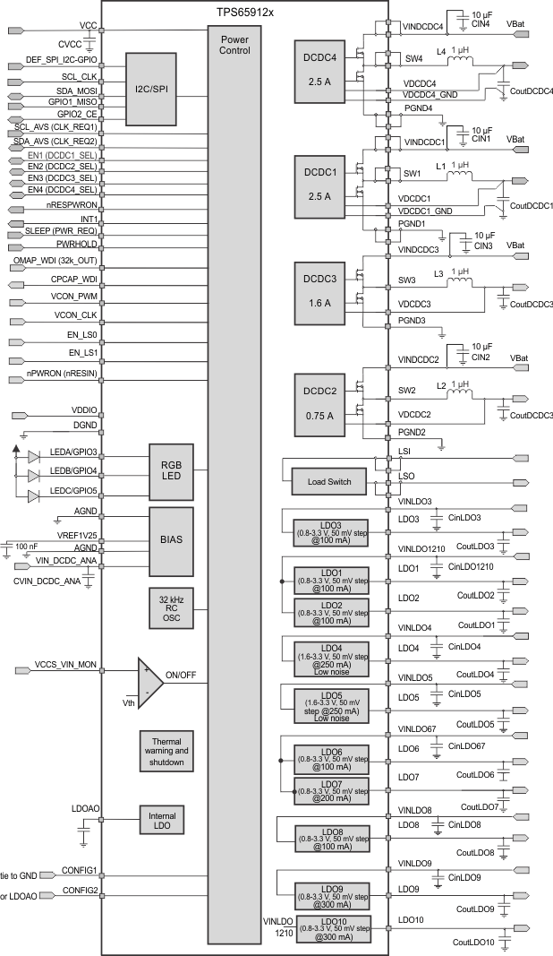
Figure 1-1 shows the functional block diagram of the TPS65912x device.

TPS659121 TPS659122 Blockdiagram.gif Figure 1-1 TPS65912x Block Diagram