SCDS277C November   2008  – October 2024 TS3USB221A

PRODUCTION DATA  

  1.   1
  2. Features
  3. Applications
  4. Description
  5. Pin Configuration and Functions
  6. Specifications
    1. 5.1  Absolute Maximum Ratings
    2. 5.2  ESD Ratings
    3. 5.3  Recommended Operating Conditions
    4. 5.4  Thermal Information
    5. 5.5  Electrical Characteristics
    6. 5.6  Dynamic Electrical Characteristics, VCC = 3.3V ±10%
    7. 5.7  Dynamic Electrical Characteristics, VCC = 2.5V ±10%
    8. 5.8  Switching Characteristics, VCC = 3.3V ±10%
    9. 5.9  Switching Characteristics, VCC = 2.5V ±10%
    10. 5.10 Typical Characteristics
  7. Parameter Measurement Information
  8. Detailed Description
    1. 7.1 Overview
    2. 7.2 Functional Block Diagram
    3. 7.3 Feature Description
      1. 7.3.1 Low Power Mode
    4. 7.4 Device Functional Modes
  9. Application and Implementation
    1. 8.1 Application Information
    2. 8.2 Typical Application
      1. 8.2.1 Design Requirements
      2. 8.2.2 Detailed Design Procedure
      3. 8.2.3 Application Curves
    3. 8.3 Power Supply Recommendations
    4. 8.4 Layout
      1. 8.4.1 Layout Guidelines
      2. 8.4.2 Layout Example
  10. Device and Documentation Support
    1. 9.1 Receiving Notification of Documentation Updates
    2. 9.2 Support Resources
    3. 9.3 Trademarks
    4. 9.4 Electrostatic Discharge Caution
    5. 9.5 Glossary
  11. 10Revision History
  12. 11Mechanical, Packaging, and Orderable Information

Package Options

Mechanical Data (Package|Pins)
Thermal pad, mechanical data (Package|Pins)
Orderable Information

Parameter Measurement Information

TS3USB221A Turn-On
                        (tON) and Turn-Off Time (tOFF) Figure 6-1 Turn-On (tON) and Turn-Off Time (tOFF)
TS3USB221A OFF
                    Isolation (OISO) Figure 6-2 OFF Isolation (OISO)
TS3USB221A Crosstalk
                        (XTALK) Figure 6-3 Crosstalk (XTALK)
TS3USB221A Bandwidth
                    (BW) Figure 6-4 Bandwidth (BW)
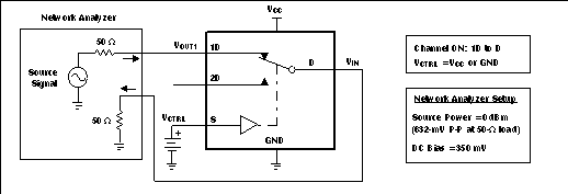
TS3USB221A Propagation Delay Figure 6-5 Propagation Delay
TS3USB221A Skew
                    Test Figure 6-6 Skew Test
TS3USB221A ON-State
                    Resistance (ron) Figure 6-7 ON-State Resistance (ron)
TS3USB221A OFF-State
                    Leakage Current Figure 6-8 OFF-State Leakage Current
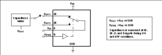
TS3USB221A Capacitance Figure 6-9 Capacitance