SCDS371E January   2018  – April 2019 TS5MP646

PRODUCTION DATA.  

  1. Features
  2. Applications
  3. Description
    1.     Device Images
      1.      Simplified D-PHY Schematic
      2.      Simplified C-PHY Schematic
  4. Revision History
  5. Pin Configuration and Functions
    1.     Pin Functions
  6. Specifications
    1. 6.1 Absolute Maximum Ratings
    2. 6.2 ESD Ratings
    3. 6.3 Recommended Operating Conditions
    4. 6.4 Thermal Information
    5. 6.5 Electrical Characteristics
    6. 6.6 Typical Characteristics
  7. Parameter Measurement Information
  8. Detailed Description
    1. 8.1 Overview
    2. 8.2 Functional Block Diagram
    3. 8.3 Feature Description
      1. 8.3.1 Powered-Off Protection
      2. 8.3.2 1.8-V Logic Compatible Inputs
      3. 8.3.3 Low Power Disable Mode
    4. 8.4 Device Functional Modes
      1. 8.4.1 Pin Functions
      2. 8.4.2 Low Power Disable Mode
      3. 8.4.3 Switch Enabled Mode
  9. Application and Implementation
    1. 9.1 Application Information
    2. 9.2 Typical Application
      1. 9.2.1 Design Requirements
      2. 9.2.2 Detailed Design Procedure
      3. 9.2.3 Application Curves
        1. 9.2.3.1 MIPI D-PHY Application
        2. 9.2.3.2 MIPI C-PHY Application
  10. 10Power Supply Recommendations
  11. 11Layout
    1. 11.1 Layout Guidelines
    2. 11.2 Layout Example
  12. 12Device and Documentation Support
    1. 12.1 Documentation Support
    2. 12.2 Receiving Notification of Documentation Updates
    3. 12.3 Community Resources
    4. 12.4 Trademarks
    5. 12.5 Electrostatic Discharge Caution
    6. 12.6 Glossary
  13. 13Mechanical, Packaging, and Orderable Information

Package Options

Mechanical Data (Package|Pins)
Thermal pad, mechanical data (Package|Pins)
Orderable Information

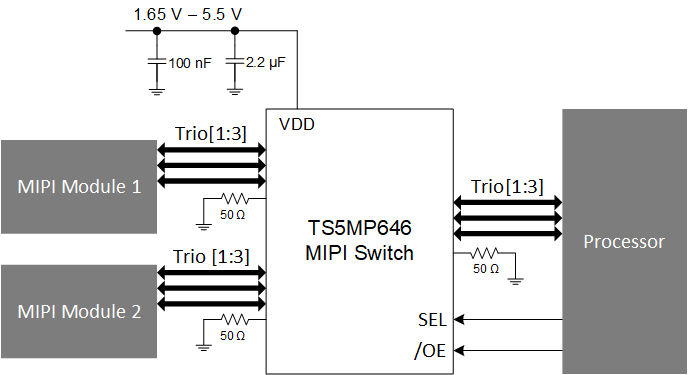
Typical Application

Figure 24 represents a typical application of the TS5MP646 MIPI switch. The TS5MP646 is used to switch signals between multiple MIPI modules and a single MIPI port on a processor. This expands the capabilities of a single port to handle multiple MIPI modules.

TS5MP646 Simplified_DPHY_schematic.gifFigure 24. Typical D-PHY Application
TS5MP646 Simplified_CPHY_schematic.gifFigure 25. Typical C-PHY Application