SCDS374A September   2017  – September 2017 TS5USBC400

PRODUCTION DATA.  

  1. Features
  2. Applications
  3. Description
  4. Revision History
  5. Pin Configuration and Functions
  6. Specifications
    1. 6.1 Absolute Maximum Ratings
    2. 6.2 ESD Ratings
    3. 6.3 Recommended Operating Conditions
    4. 6.4 Thermal Information
    5. 6.5 Electrical Characteristics
    6. 6.6 Dynamic Characteristics
    7. 6.7 Timing Requirements
    8. 6.8 Typical Characteristics
  7. Parameter Measurement Information
  8. Detailed Description
    1. 8.1 Overview
    2. 8.2 Functional Block Diagram
    3. 8.3 Feature Description
      1. 8.3.1 Powered-off Protection
      2. 8.3.2 Overvoltage Protection
    4. 8.4 Device Functional Modes
      1. 8.4.1 Pin Functions
  9. Application and Implementation
    1. 9.1 Application Information
    2. 9.2 Typical Application
      1. 9.2.1 Design Requirements
      2. 9.2.2 Detailed Design Procedure
      3. 9.2.3 Application Curves
  10. 10Power Supply Recommendations
  11. 11Layout
    1. 11.1 Layout Guidelines
    2. 11.2 Layout Example
  12. 12Device and Documentation Support
    1. 12.1 Documentation Support
      1. 12.1.1 Related Documentation
    2. 12.2 Community Resources
    3. 12.3 Trademarks
    4. 12.4 Electrostatic Discharge Caution
    5. 12.5 Glossary
  13. 13Mechanical, Packaging, and Orderable Information

Package Options

Refer to the PDF data sheet for device specific package drawings

Mechanical Data (Package|Pins)
  • YFP|12
Thermal pad, mechanical data (Package|Pins)
Orderable Information

Parameter Measurement Information

TS5USBC400 scds367_ron.gif
Channel ON, RON = V/ISINK
Figure 2. ON-State Resistance (RON)
TS5USBC400 scds367_off_leakage.gif Figure 3. Off Leakage
TS5USBC400 scds367_on_leakage.gif Figure 4. On Leakage
TS5USBC400 scds367_tsk_switch_timing.gif
All input pulses are supplied by generators having the following characteristics: PRR ≤ 10 MHz, ZO = 50 Ω, tr < 500 ps, tf < 500 ps.
CL includes probe and jig capacitance.
Figure 5. tSWITCH Timing
TS5USBC400 scds367_t_on_t_off_oe_bar.gif
All input pulses are supplied by generators having the following characteristics: PRR ≤ 10 MHz, ZO = 50 Ω, tr < 500 ps, tf < 500 ps.
CL includes probe and jig capacitance.
Figure 6. tON, tOFF for OE
TS5USBC400 scds369_off_isolation.gif Figure 7. Off Isolation
TS5USBC400 scds367_xtalk.gif Figure 8. Cross Talk
TS5USBC400 scds367_bw.gif Figure 9. BW and Insertion Loss
TS5USBC400 scds367_10ovp.gif Figure 10. tEN_OVP and tDIS_OVP Timing Diagram
TS5USBC400 scds367_11prr.gif
All input pulses are supplied by generators having the following characteristics: PRR ≤ 10 MHz, ZO = 50 Ω, tr < 500 ps, tf < 500 ps.
CL includes probe and jig capacitance.
Figure 11. tPD
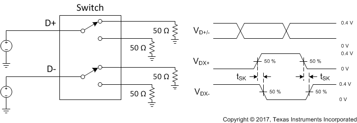
TS5USBC400 scds367_tsk.gif
All input pulses are supplied by generators having the following characteristics: PRR ≤ 10 MHz, ZO = 50 Ω, tr < 500 ps, tf < 500 ps.
CL includes probe and jig capacitance.
Figure 12. tSK