SCES962 June 2024 TXS0102V
PRODUCTION DATA
Refer to the PDF data sheet for device specific package drawings
Unless otherwise noted, all input pulses are supplied by generators having the following characteristics:
Figure 6-1 Data Rate, Pulse Duration,
Propagation Delay, Output Rise
Figure 6-2 Data Rate, Pulse Duration,
Propagation Delay, Output Rise
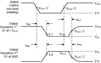
Figure 6-3 Load Circuit For Enable /
Disable Time Measurement| TEST | S1 |
|---|---|
| tPZL(2), tPLZ(1) | 2 × VCCO |
| tPHZ(1), tPZH(2) | Open |


