SLUS334F August   1995  – August 2022 UC1823A , UC1825A , UC2823A , UC2823B , UC2825A , UC2825B , UC3823A , UC3823B , UC3825A , UC3825B

PRODUCTION DATA  

  1. 1Features
  2. 2Description
  3. 3Revision History
  4. 4Ordering Information
  5. 5Pin Configuration and Functions
    1.     Terminal Functions
  6. 6Specifications
    1. 6.1 ABSOLUTE MAXIMUM RATINGS
    2. 6.2 Thermal Information
    3. 6.3 ELECTRICAL CHARACTERISTICS
    4. 6.4 ELECTRICAL CHARACTERISTICS
  7. 7Application and Implementation
    1. 7.1 LEADING EDGE BLANKING
    2. 7.2 UVLO, SOFT-START AND FAULT MANAGEMENT
    3. 7.3 ACTIVE LOW OUTPUTS DURING UVLO
    4. 7.4 CONTROL METHODS
    5. 7.5 SYNCHRONIZATION
    6. 7.6 HIGH CURRENT OUTPUTS
    7. 7.7 GROUND PLANES
    8. 7.8 OPEN LOOP TEST CIRCUIT
  8. 8Device and Documentation Support
    1. 8.1 Documentation Support
    2. 8.2 Receiving Notification of Documentation Updates
    3. 8.3 Support Resources
    4. 8.4 Trademarks
    5. 8.5 Electrostatic Discharge Caution
    6. 8.6 Glossary
  9. 9Mechanical, Packaging, and Orderable Information

Package Options

Refer to the PDF data sheet for device specific package drawings

Mechanical Data (Package|Pins)
  • DW|16
  • N|16
Thermal pad, mechanical data (Package|Pins)
Orderable Information

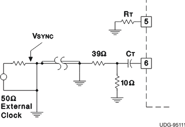
SYNCHRONIZATION

The oscillator can be synchronized by an external pulse inserted in series with the timing capacitor. Program the free running frequency of the oscillator to be 10% to 15% slower than the desired synchronous frequency. The pulse width should be greater than 10 ns and less than half the discharge time of the oscillator. The rising edge of the CLK/LEB pin can be used to generate a synchronizing pulse for other chips. Note that the CLK/LEB pin no longer accepts an incoming synchronizing signal.

GUID-1542E4FC-050E-454D-BDCB-536200BDDF3C-low.gifFigure 7-6 General Oscillator Synchronization
GUID-92BE8D6E-003E-4FC6-A137-4C5DC7E129A3-low.gifFigure 7-7 Two Unit Interface
GUID-903EF711-A06A-4B62-9E22-B4622FADB898-low.gifFigure 7-8 Operational Waveforms