SLUSAQ3H November   2011  – June 2024 UCC27523 , UCC27525 , UCC27526

PRODUCTION DATA  

  1.   1
  2. Features
  3. Applications
  4. Description
  5. Description (continued)
  6. Pin Configuration and Functions
  7. Specifications
    1. 6.1 Absolute Maximum Ratings
    2. 6.2 ESD Ratings
    3. 6.3 Recommended Operating Conditions
    4. 6.4 Thermal Information
    5. 6.5 Electrical Characteristics
    6. 6.6 Switching Characteristics
    7. 6.7 Typical Characteristics
  8. Detailed Description
    1. 7.1 Overview
    2. 7.2 Functional Block Diagrams
    3. 7.3 Feature Description
      1. 7.3.1 VDD and Undervoltage Lockout
      2. 7.3.2 Operating Supply Current
      3. 7.3.3 Input Stage
      4. 7.3.4 Enable Function
      5. 7.3.5 Output Stage
      6. 7.3.6 Low Propagation Delays and Tightly Matched Outputs
    4. 7.4 Device Functional Modes
  9. Application and Implementation
    1. 8.1 Application Information
    2. 8.2 Typical Application
      1. 8.2.1 Design Requirements
      2. 8.2.2 Detailed Design Procedure
        1. 8.2.2.1 Input-to-Output Logic
        2. 8.2.2.2 Enable and Disable Function
        3. 8.2.2.3 VDD Bias Supply Voltage
        4. 8.2.2.4 Propagation Delay
        5. 8.2.2.5 Drive Current and Power Dissipation
      3. 8.2.3 Application Curves
  10. Power Supply Recommendations
  11. 10Layout
    1. 10.1 Layout Guidelines
    2. 10.2 Layout Example
    3. 10.3 Thermal Considerations
  12. 11Device and Documentation Support
    1. 11.1 Device Support
      1. 11.1.1 Third-Party Products Disclaimer
    2. 11.2 Receiving Notification of Documentation Updates
    3. 11.3 Support Resources
    4. 11.4 Trademarks
    5. 11.5 Electrostatic Discharge Caution
    6. 11.6 Glossary
  13. 12Revision History
  14. 13Mechanical, Packaging, and Orderable Information

Package Options

Mechanical Data (Package|Pins)
Thermal pad, mechanical data (Package|Pins)
Orderable Information

Typical Application

UCC27523 UCC27525 UCC27526 UCC2752x
                    Typical Application Diagram (x = 3, or 5) Figure 8-1 UCC2752x Typical Application Diagram (x = 3, or 5)
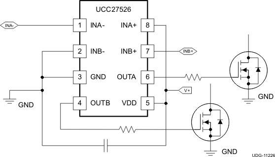
UCC27523 UCC27525 UCC27526 UCC27526
                    Channel A in Inverting and Channel B in Non-Inverting Configuration (Enable
                    Function Not Used) Figure 8-2 UCC27526 Channel A in Inverting and Channel B in Non-Inverting Configuration (Enable Function Not Used)
UCC27523 UCC27525 UCC27526 UCC27526
                    Channel A in Inverting and Channel B in Non-Inverting Configuration (Enable
                    Function Implemented) Figure 8-3 UCC27526 Channel A in Inverting and Channel B in Non-Inverting Configuration (Enable Function Implemented)