SLUSAW3D December   2014  – January 2017

PRODUCTION DATA.  

  1. Features
  2. Applications
  3. Description
  4. Revision History
  5. Description (continued)
  6. Pin Configuration and Functions
  7. Specifications
    1. 7.1  Absolute Maximum Ratings
    2. 7.2  ESD Ratings
    3. 7.3  Recommended Operating Conditions
    4. 7.4  Thermal Information
    5. 7.5  Supply Voltage
    6. 7.6  Supply Current
    7. 7.7  Power Supply Control
    8. 7.8  Low-Voltage General Purpose I/O (TSx)
    9. 7.9  High-Voltage General Purpose I/O (GPIO0, GPIO1)
    10. 7.10 AFE Power-On Reset
    11. 7.11 Internal 1.8-V LDO
    12. 7.12 Current Wake Comparator
    13. 7.13 Coulomb Counter
    14. 7.14 CC Digital Filter
    15. 7.15 ADC
    16. 7.16 ADC Digital Filter
    17. 7.17 ADC Multiplexer
    18. 7.18 Cell Balancing Support
    19. 7.19 Cell Detach Detection
    20. 7.20 Internal Temperature Sensor
    21. 7.21 NTC Thermistor Measurement Support (ADCx)
    22. 7.22 High-Frequency Oscillator
    23. 7.23 Low-Frequency Oscillator
    24. 7.24 Voltage Reference 1
    25. 7.25 Voltage Reference 2
    26. 7.26 Instruction Flash
    27. 7.27 Data Flash
    28. 7.28 Current Protection Thresholds
    29. 7.29 N-CH FET Drive (CHG, DSG)
    30. 7.30 FUSE Drive (AFEFUSE)
    31. 7.31 Battery Charger Voltage Regulation (VFB)
    32. 7.32 Battery Charger Current Sense (HSRP, HSRN)
    33. 7.33 Battery Charger Precharge Current Sense (HSRP, HSRN)
    34. 7.34 AC Adapter Fault Detect (HSRN, VCC)
    35. 7.35 Battery Charger Overcurrent Detection (V)HSRP, (V)HSRN
    36. 7.36 Battery Charger Undercurrent Detection (V)HSRP, (V)HSRN
    37. 7.37 System Operation Detection (V)HSRN
    38. 7.38 Battery Overvoltage Comparator (VFB)
    39. 7.39 Regulator (REGN)
    40. 7.40 PWM High-Side Driver (HiDRV)
    41. 7.41 PWM Low-Side Driver (LoDRV)
    42. 7.42 PWM Information
    43. 7.43 Charger Power-Up Sequence
    44. 7.44 Thermal Shutdown Comparator
    45. 7.45 SMBus High Voltage I/O
    46. 7.46 SMBus
    47. 7.47 SMBus XL
    48. 7.48 Timing Requirements
    49. 7.49 Typical Characteristics
  8. Detailed Description
    1. 8.1 Overview
    2. 8.2 Functional Block Diagram
    3. 8.3 Feature Description
      1. 8.3.1  Safety Features
      2. 8.3.2  Analog Front End (AFE) Details
        1. 8.3.2.1 Wake Up Comparator
        2. 8.3.2.2 Cell Balancing Support
        3. 8.3.2.3 FET Drive
        4. 8.3.2.4 Fuse Drive
      3. 8.3.3  Charge Controller Details
        1. 8.3.3.1 Precharge Modes
        2. 8.3.3.2 Zero-Volt Charge Support
        3. 8.3.3.3 Charge Termination
      4. 8.3.4  Fuel Gauge and Control Details
        1. 8.3.4.1 Battery Trip Point (BTP)
        2. 8.3.4.2 Lifetime Data Logging Features
      5. 8.3.5  Authentication
      6. 8.3.6  LED Display
      7. 8.3.7  Internal Temperature Sensor
      8. 8.3.8  External Temperature Sensor Support
      9. 8.3.9  High Frequency Oscillator
      10. 8.3.10 Communications
        1. 8.3.10.1 SMBus On and Off State
        2. 8.3.10.2 SBS Commands
  9. Application and Implementation
    1. 9.1 Application Information
    2. 9.2 Typical Applications
      1. 9.2.1 Design Requirements
      2. 9.2.2 Detailed Design Procedure
        1. 9.2.2.1 Inductor Selection
        2. 9.2.2.2 Input Capacitor
        3. 9.2.2.3 Output Capacitor
        4. 9.2.2.4 Power MOSFETs Selection
        5. 9.2.2.5 Input Filter Design
      3. 9.2.3 Application Curves
  10. 10Power Supply Recommendations
  11. 11Layout
    1. 11.1 Layout Guidelines
      1. 11.1.1 PCB Layout
    2. 11.2 Layout Example
  12. 12Device and Documentation Support
    1. 12.1 Related Documentation
    2. 12.2 Community Resources
    3. 12.3 Trademarks
    4. 12.4 Electrostatic Discharge Caution
    5. 12.5 Glossary
  13. 13Mechanical, Packaging, and Orderable Information

Package Options

Mechanical Data (Package|Pins)
Thermal pad, mechanical data (Package|Pins)
Orderable Information

Features

  • Fully Integrated 2-Series to 4-Series Cell Li-Ion or Li-Polymer Battery Management Unit
  • Input Voltage Range on Pack+: 2.5 V to 25 V
  • Battery Charger Efficiency > 92%
  • Battery Charger Operation Range: 4 V to 25 V
  • Battery Charger, 1-MHz Synchronous Buck Controller for External NFETs
    • Soft Start to Limit In-Rush Current
    • Current Limit Protection for External Switches
    • Programmable Charging
      • Supports JEITA/Enhanced Charging Modes
  • Fuel Gauging
    • High Resolution 16-Bit Integrator for Coulomb Counter
    • ADC, 16-Bit for Precision V, I, and T Measurements with 16-Channel Multiplexer
    • Support for Simultaneous CC and ADC Sampling (Power Conversion)
    • Supports Two-Wire SMBus v2.0 Interface with Accelerated 400-kHz Programming Option
    • SHA-1 Hash Message Authentication Code (HMAC) Responder for Increased Battery Pack Security
      • Split Key (2 × 64) Stored in Secure Memory
    • Supports Field Updates
  • AFE Protection
    • Programmable Current Protection
      • Overcurrent in Discharge
      • Short-Circuit Current in Charge
      • Short-Circuit Current in Discharge
  • N-FET High-Side Protection FET Drive
  • Support for Four LEDs
  • Thermistor inputs for NTC
  • Compact 32-Pin QFN Package (RHB)

Applications

  • Notebooks, Ultrabooks, Netbooks, Tablets, UMPCs
  • Medical and Test Equipment
  • Portable Instrumentation

Description

The Texas Instruments bq40z60 device is a Programmable Battery Management Unit that integrates battery charging control output, gas gauging, and protection for completely autonomous operation of 2-series to 4-series cell Li-Ion and Li-Polymer battery packs. The architecture enables internal communication between the fuel gauging processor and battery charger controller to optimize the charging profile based on the external load conditions and power path source management during load transients and adaptor current limitations in the system. The charging current efficiency is scalable for power transfer based on the external components, such as the NFETs, inductor, and sensing resistor.

Device Information(1)

PART NUMBER PACKAGE BODY SIZE (NOM)
bq40z60 VQFN (32) 5.00 mm × 5.00 mm
  1. For all available packages, see the orderable addendum at the end of the data sheet.

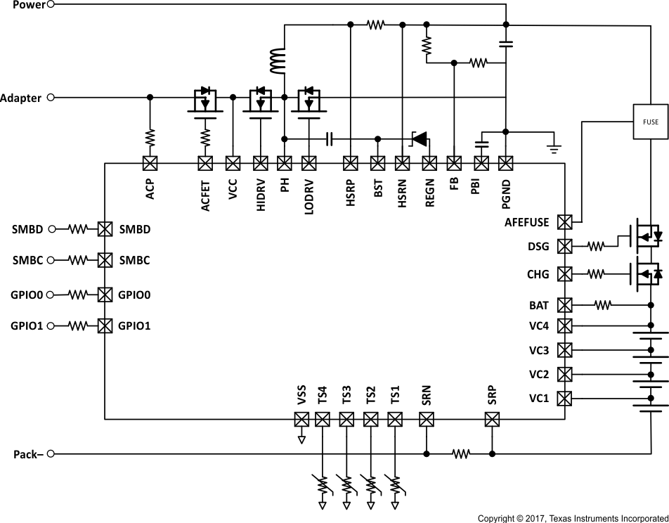
Simplified Schematic

bq40z60 Simp_schematic.gif