JAJSII2A February   2020  – February 2020 ADS8355

PRODUCTION DATA.  

  1. 特長
  2. アプリケーション
  3. 概要
    1.     Device Images
      1.      代表的なブロック図
  4. 改訂履歴
  5. Pin Configuration and Functions
    1.     Pin Functions
  6. Specifications
    1. 6.1      Absolute Maximum Ratings
    2. 6.2      ESD Ratings
    3. 6.3      Recommended Operating Conditions
    4. 6.4      Thermal Information
    5. 6.5      Electrical Characteristics
    6. Table 1. Timing Requirements
    7. Table 2. Switching Characteristics
    8. 6.6      Typical Characteristics
  7. Detailed Description
    1. 7.1 Overview
    2. 7.2 Functional Block Diagram
    3. 7.3 Feature Description
      1. 7.3.1 Reference
      2. 7.3.2 Analog Inputs
        1. 7.3.2.1 Analog Input: Full-Scale Range Selection
        2. 7.3.2.2 Analog Input: Single-Ended and Pseudo-Differential Configurations
      3. 7.3.3 Transfer Function
    4. 7.4 Device Functional Modes
      1. 7.4.1 Conversion Data Read: Dual-SDO Mode (Default)
      2. 7.4.2 Conversion Data Read: Single-SDO Mode
      3. 7.4.3 Low-Power Modes
        1. 7.4.3.1 STANDBY Mode
        2. 7.4.3.2 PD (Power-Down) Mode
    5. 7.5 Programming
      1. 7.5.1 Register Read/Write Operation
    6. 7.6 Register Map
      1. 7.6.1 ADS8355 Registers
        1. 7.6.1.1  PD_STANDBY Register (Offset = 4h) [reset = 0h]
          1. Table 9. PD_STANDBY Register Field Descriptions
        2. 7.6.1.2  PD_KEY Register (Offset = 5h) [reset = 0h]
          1. Table 10. PD_KEY Register Field Descriptions
        3. 7.6.1.3  SDO_CTRL Register (Offset = Dh) [reset = 0h]
          1. Table 11. SDO_CTRL Register Field Descriptions
        4. 7.6.1.4  DATA_OUT_CTRL Register (Offset = 11h) [reset = 0h]
          1. Table 12. DATA_OUT_CTRL Register Field Descriptions
        5. 7.6.1.5  REF_SEL Register (Offset = 20h) [reset = 0h]
          1. Table 13. REF_SEL Register Field Descriptions
        6. 7.6.1.6  REFDAC_A_LSB Register (Offset = 24h) [reset = 0h]
          1. Table 14. REFDAC_A_LSB Register Field Descriptions
        7. 7.6.1.7  REFDAC_A_MSB Register (Offset = 25h) [reset = 0h]
          1. Table 15. REFDAC_A_MSB Register Field Descriptions
        8. 7.6.1.8  REFDAC_B_LSB Register (Offset = 26h) [reset = 0h]
          1. Table 16. REFDAC_B_LSB Register Field Descriptions
        9. 7.6.1.9  REFDAC_B_MSB Register (Offset = 27h) [reset = 0h]
          1. Table 17. REFDAC_B_MSB Register Field Descriptions
        10. 7.6.1.10 INPUT_CONFIG Register (Offset = 28h) [reset = 0h]
          1. Table 18. INPUT_CONFIG Register Field Descriptions
  8. Application and Implementation
    1. 8.1 Application Information
      1. 8.1.1 Input Amplifier Selection
      2. 8.1.2 Charge Kickback Filter
    2. 8.2 Typical Application
      1. 8.2.1 Design Requirements
      2. 8.2.2 Detailed Design Procedure
      3. 8.2.3 Application Curve
  9. Power Supply Recommendations
  10. 10Layout
    1. 10.1 Layout Guidelines
    2. 10.2 Layout Example
  11. 11デバイスおよびドキュメントのサポート
    1. 11.1 デバイス・サポート
      1. 11.1.1 開発サポート
    2. 11.2 ドキュメントのサポート
      1. 11.2.1 関連資料
    3. 11.3 ドキュメントの更新通知を受け取る方法
    4. 11.4 コミュニティ・リソース
    5. 11.5 商標
    6. 11.6 静電気放電に関する注意事項
    7. 11.7 Glossary
  12. 12メカニカル、パッケージ、および注文情報

パッケージ・オプション

メカニカル・データ(パッケージ|ピン)
サーマルパッド・メカニカル・データ
発注情報

Table 2. Switching Characteristics

at AVDD = 5 V, DVDD = 1.65 V to 5.5 V, and maximum throughput (unless otherwise noted); minimum and maximum values at TA = –40°C to +125°C; typical values at TA = 25°C.
PARAMETER TEST CONDITIONS MIN TYP MAX UNIT
tCONV Conversion time 650 ns
tDEN_CSDO Delay time: CS falling edge to data enable DVDD ≥ 2.35 V 14.5 ns
Delay time: CS falling edge to data enable 1.65 V < DVDD < 2.35 V 14.5
tDZ_CSDO Delay time: CS rising edge to data going to 3-state DVDD ≥ 2.35 V 31 ns
Delay time: CS rising edge to data going to 3-state 1.65 V < DVDD < 2.35 V 37
tD_CKDO Delay time: SCLK falling edge to next data valid DVDD ≥ 2.35 V 19.5 ns
Delay time: SCLK falling edge to next data valid 1.65 V < DVDD < 2.35 V 19.5

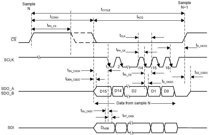
Figure 1 shows the details of the serial interface between the device and the digital host controller.

ADS8355 Timing_Switching_BAS761.gifFigure 1. Serial interface Timing Diagram