SLUS606P June   2004  – November 2015

PRODUCTION DATA.  

  1. Features
  2. Applications
  3. Description
  4. Revision History
  5. Device Options
  6. Pin Configuration and Functions
  7. Specifications
    1. 7.1 Absolute Maximum Ratings
    2. 7.2 ESD Ratings
    3. 7.3 Recommended Operating Conditions
    4. 7.4 Thermal Information
    5. 7.5 Electrical Characteristics
    6. 7.6 Dissipation Ratings
    7. 7.7 Typical Characteristics
  8. Detailed Description
    1. 8.1 Overview
    2. 8.2 Functional Block Diagram
    3. 8.3 Feature Description
      1. 8.3.1  PWM Controller
      2. 8.3.2  Temperature Qualification
      3. 8.3.3  Battery Preconditioning (Precharge)
      4. 8.3.4  Battery Charge Current
      5. 8.3.5  Battery Voltage Regulation
      6. 8.3.6  Charge Termination and Recharge
      7. 8.3.7  Sleep Mode
      8. 8.3.8  Charge Status Outputs
      9. 8.3.9  PG Output
      10. 8.3.10 CE Input (Charge Enable)
      11. 8.3.11 Timer Fault Recovery
      12. 8.3.12 Output Overvoltage Protection (Applies to All Versions)
      13. 8.3.13 Functional Description For System-Controlled Version (bq2411x)
      14. 8.3.14 Precharge and Fast-Charge Control
      15. 8.3.15 Charge Termination and Safety Timers
      16. 8.3.16 Battery Detection
        1. 8.3.16.1 Battery Detection Example
      17. 8.3.17 Current Sense Amplifier
    4. 8.4 Device Functional Modes
  9. Application and Implementation
    1. 9.1 Application Information
    2. 9.2 Typical Application
      1. 9.2.1 Design Requirements
      2. 9.2.2 Detailed Design Procedure
        1. 9.2.2.1 Inductor, Capacitor, and Sense Resistor Selection Guidelines
      3. 9.2.3 Application Curve
    3. 9.3 System Examples
  10. 10Power Supply Recommendations
  11. 11Layout
    1. 11.1 Layout Guidelines
    2. 11.2 Layout Example
    3. 11.3 Thermal Considerations
  12. 12Device and Documentation Support
    1. 12.1 Device Support
      1. 12.1.1 Third-Party Products Disclaimer
    2. 12.2 Documentation Support
      1. 12.2.1 Related Documentation
    3. 12.3 Related Links
    4. 12.4 Community Resources
    5. 12.5 Trademarks
    6. 12.6 Electrostatic Discharge Caution
    7. 12.7 Glossary
  13. 13Mechanical, Packaging, and Orderable Information

パッケージ・オプション

メカニカル・データ(パッケージ|ピン)
サーマルパッド・メカニカル・データ
発注情報

8 Detailed Description

8.1 Overview

The bqSWITCHER™ supports a precision Li-ion or Li-polymer charging system for single cell or two cell applications. The device has a battery detect scheme that allows it to automatically detect the presence and absence of a battery. When the battery is detected, charging begins in one of three phases (depending upon battery voltage): precharge, constant current (fast-charge current regulation), and constant voltage (fast-charge voltage regulation). The device will terminate charging when the termination current threshold has been reached and will begin a recharge cycle when the battery voltage has dropped below the recharge threshold (VRCG). Precharge, constant current, and termination current can be configured through the ISET1 and ISET2 pins, allowing for flexibility in battery charging profile. During charging, the integrated fault monitors of the device, such as battery short detection (VSHORT), thermal shutdown (internal TSHTDWN and TS pin), and safety timer expiration (TTC pin), ensure battery safety.

bqSWITCHER™ has three status pins (STAT1, STAT2, and PG) to indicate the charging status and input voltage (AC adapter) status. These pins can be used to drive LEDs or communicate with a host processor.

bq24100 bq24103 bq24103A bq24104 bq24105 bq24108 bq24109 bq24113 bq24113A bq24115 ai_typ_chg_lus606.gif Figure 3. Typical Charging Profile

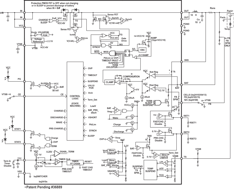
8.2 Functional Block Diagram

bq24100 bq24103 bq24103A bq24104 bq24105 bq24108 bq24109 bq24113 bq24113A bq24115 fun_blk_lus606.gif

8.3 Feature Description

8.3.1 PWM Controller

The bq241xx provides an integrated fixed 1-MHz frequency voltage-mode controller with Feed-Forward function to regulate charge current or voltage. This type of controller is used to help improve line transient response, thereby simplifying the compensation network used for both continuous and discontinuous current conduction operation. The voltage and current loops are internally compensated using a Type-III compensation scheme that provides enough phase boost for stable operation, allowing the use of small ceramic capacitors with very low ESR. There is a 0.5 V offset on the bottom of the PWM ramp to allow the device to operate between 0% to 100% duty cycle.

The internal PWM gate drive can directly control the internal PMOS and NMOS power MOSFETs. The high-side gate voltage swings from VCC (when off), to VCC-6 (when on and VCC is greater than 6 V) to help reduce the conduction losses of the converter by enhancing the gate an extra volt beyond the standard 5 V. The low-side gate voltage swings from 6 V, to turn on the NMOS, down to PGND to turn it off. The bq241xx has two back to back common-drain P-MOSFETs on the high side. An input P-MOSFET prevents battery discharge when IN is lower than BAT. The second P-MOSFET behaves as the switching control FET, eliminating the need of a bootstrap capacitor.

Cycle-by-cycle current limit is sensed through the internal high-side sense FET. The threshold is set to a nominal 3.6 A peak current. The low-side FET also has a current limit that decides if the PWM Controller will operate in synchronous or non-synchronous mode. This threshold is set to 100 mA and it turns off the low-side NMOS before the current reverses, preventing the battery from discharging. Synchronous operation is used when the current of the low-side FET is greater than 100 mA to minimize power losses.

8.3.2 Temperature Qualification

The bqSWITCHER™ continuously monitors battery temperature by measuring the voltage between the TS pin and VSS pin. A negative temperature coefficient thermistor (NTC) and an external voltage divider typically develop this voltage. The bqSWITCHER™ compares this voltage against its internal thresholds to determine if charging is allowed. To initiate a charge cycle, the battery temperature must be within the V(LTF)-to-V(HTF) thresholds. If battery temperature is outside of this range, the bqSWITCHER™ suspends charge and waits until the battery temperature is within the V(LTF)-to-V(HTF) range. During the charge cycle (both precharge and fast charge), the battery temperature must be within the V(LTF)-to-V(TCO) thresholds. If battery temperature is outside of this range, the bqSWITCHER™ suspends charge and waits until the battery temperature is within the V(LTF)-to-V(HTF) range. The bqSWITCHER™ suspends charge by turning off the PWM and holding the timer value (that is, timers are not reset during a suspend condition). Note that the bias for the external resistor divider is provided from the VTSB output. Applying a constant voltage between the V(LTF)-to-V(HTF) thresholds to the TS pin disables the temperature-sensing feature.

Equation 1. bq24100 bq24103 bq24103A bq24104 bq24105 bq24108 bq24109 bq24113 bq24113A bq24115 q36_lus688.gif
bq24100 bq24103 bq24103A bq24104 bq24105 bq24108 bq24109 bq24113 bq24113A bq24115 ai_tspin_lus606.gif Figure 4. TS Pin Thresholds

8.3.3 Battery Preconditioning (Precharge)

On power up, if the battery voltage is below the VLOWV threshold, the bqSWITCHER™ applies a precharge current, IPRECHG, to the battery. This feature revives deeply discharged cells. The bqSWITCHER™ activates a safety timer, tPRECHG, during the conditioning phase. If the VLOWV threshold is not reached within the timer period, the bqSWITCHER™ turns off the charger and enunciates FAULT on the STATx pins. In the case of a FAULT condition, the bqSWITCHER™ reduces the current to IDETECT. IDETECT is used to detect a battery replacement condition. Fault condition is cleared by POR or battery replacement.

The magnitude of the precharge current, IO(PRECHG), is determined by the value of programming resistor, R(ISET2), connected to the ISET2 pin.

Equation 2. bq24100 bq24103 bq24103A bq24104 bq24105 bq24108 bq24109 bq24113 bq24113A bq24115 q_io_lus606.gif

where

  • RSNS is the external current-sense resistor
  • V(ISET2) is the output voltage of the ISET2 pin
  • K(ISET2) is the V/A gain factor
  • V(ISET2) and K(ISET2) are specified in the Electrical Characteristics table.

8.3.4 Battery Charge Current

The battery charge current, IO(CHARGE), is established by setting the external sense resistor, R(SNS), and the resistor, R(ISET1), connected to the ISET1 pin.

In order to set the current, first choose R(SNS) based on the regulation threshold VIREG across this resistor. The best accuracy is achieved when the VIREG is between 100mV and 200mV.

Equation 3. bq24100 bq24103 bq24103A bq24104 bq24105 bq24108 bq24109 bq24113 bq24113A bq24115 q_rsns_lus606.gif

If the results is not a standard sense resistor value, choose the next larger value. Using the selected standard value, solve for VIREG. Once the sense resistor is selected, the ISET1 resistor can be calculated using the following equation:

Equation 4. bq24100 bq24103 bq24103A bq24104 bq24105 bq24108 bq24109 bq24113 bq24113A bq24115 q35_lus688.gif

8.3.5 Battery Voltage Regulation

The voltage regulation feedback occurs through the BAT pin. This input is tied directly to the positive side of the battery pack. The bqSWITCHER™ monitors the battery-pack voltage between the BAT and VSS pins. The bqSWITCHER™ is offered in a fixed single-cell voltage version (4.2 V) and as a one-cell or two-cell version selected by the CELLS input. A low or floating input on the CELLS selects single-cell mode (4.2 V) while a high-input through a resistor selects two-cell mode (8.4 V).

For the bq24105 and bq24115, the output regulation voltage is specified as:

Equation 5. bq24100 bq24103 bq24103A bq24104 bq24105 bq24108 bq24109 bq24113 bq24113A bq24115 eq_voreg_lus606.gif

where R1 and R2 are resistor divider from BAT to FB and FB to VSS, respectively.

The bq24105 and bq24115 recharge threshold voltage is specified as:

Equation 6. bq24100 bq24103 bq24103A bq24104 bq24105 bq24108 bq24109 bq24113 bq24113A bq24115 eq_vrch_lus606.gif

8.3.6 Charge Termination and Recharge

The bqSWITCHER™ monitors the charging current during the voltage regulation phase. Once the termination threshold, ITERM, is detected, the bqSWITCHER™ terminates charge. The termination current level is selected by the value of programming resistor, R(ISET2), connected to the ISET2 pin.

Equation 7. bq24100 bq24103 bq24103A bq24104 bq24105 bq24108 bq24109 bq24113 bq24113A bq24115 q_iterm_lus606.gif

where

  • R(SNS) is the external current-sense resistor
  • VTERM is the output of the ISET2 pin
  • K(ISET2) is the A/V gain factor
  • VTERM and K(ISET2) are specified in the Electrical Characteristics table

As a safety backup, the bqSWITCHER™ also provides a programmable charge timer. The charge time is programmed by the value of a capacitor connected between the TTC pin and GND by the following formula:

Equation 8. bq24100 bq24103 bq24103A bq24104 bq24105 bq24108 bq24109 bq24113 bq24113A bq24115 q_tchg_lus606.gif

where

  • C(TTC) is the capacitor connected to the TTC pin
  • K(TTC) is the multiplier

A new charge cycle is initiated when one of the following conditions is detected:

  • The battery voltage falls below the VRCH threshold.
  • Power-on reset (POR), if battery voltage is below the VRCH threshold
  • CE toggle
  • TTC pin, described as follows.

To disable the charge termination and safety timer, the user can pull the TTC input below the VTTC_EN threshold. Going above this threshold enables the termination and safety timer features and also resets the timer. Tying TTC high disables the safety timer only.

8.3.7 Sleep Mode

The bqSWITCHER™ enters the low-power sleep mode if the VCC pin is removed from the circuit. This feature prevents draining the battery during the absence of VCC.

8.3.8 Charge Status Outputs

The open-drain STAT1 and STAT2 outputs indicate various charger operations as shown in Table 1. These status pins can be used to drive LEDs or communicate to the host processor. Note that OFF indicates that the open-drain transistor is turned off.

Table 1. Status Pins Summary

Charge State STAT1 STAT2
Charge-in-progress ON OFF
Charge complete OFF ON
Charge suspend, timer fault, overvoltage, sleep mode, battery absent OFF OFF

Table 2. Status Pins Summary (bq24104, bq24108 and bq24109 Only)

Charge State STAT1 STAT2
Battery absent OFF OFF
Charge-in-progress ON OFF
Charge complete OFF ON
Battery over discharge, VI(BAT) < V(SC) ON/OFF (0.5 Hz) OFF
Charge suspend (due to TS pin and internal thermal protection) ON/OFF (0.5 Hz) OFF
Precharge timer fault ON/OFF (0.5 Hz) OFF
Fast charge timer fault ON/OFF (0.5 Hz) OFF
Sleep mode OFF OFF

8.3.9 PG Output

The open-drain PG (power good) indicates when the AC-to-DC adapter (that is, VCC) is present. The output turns on when sleep-mode exit threshold, VSLP-EXIT, is detected. This output is turned off in the sleep mode. The PG pin can be used to drive an LED or communicate to the host processor.

8.3.10 CE Input (Charge Enable)

The CE digital input is used to disable or enable the charge process. A low-level signal on this pin enables the charge and a high-level VCC signal disables the charge. A high-to-low transition on this pin also resets all timers and fault conditions. Note that the CE pin cannot be pulled up to VTSB voltage. This may create power-up issues.

8.3.11 Timer Fault Recovery

As shown in Figure 4, bqSWITCHER™ provides a recovery method to deal with timer fault conditions. The following summarizes this method.

Condition 1 VI(BAT) above recharge threshold (VOREG - VRCH) and timeout fault occurs.

Recovery method: bqSWITCHER™ waits for the battery voltage to fall below the recharge threshold. This could happen as a result of a load on the battery, self-discharge or battery removal. Once the battery falls below the recharge threshold, the bqSWITCHER™ clears the fault and enters the battery absent detection routine. A POR or CE toggle also clears the fault.

Condition 2 Charge voltage below recharge threshold (VOREG – VRCH) and timeout fault occurs

Recovery method: In this scenario, the bqSWITCHER™ applies the IDETECT current. This small current is used to detect a battery removal condition and remains on as long as the battery voltage stays below the recharge threshold. If the battery voltage goes above the recharge threshold, then the bqSWITCHER™ disables the IDETECT current and executes the recovery method described in Condition 1. Once the battery falls below the recharge threshold, the bqSWITCHER™ clears the fault and enters the battery absent detection routine. A POR or CE toggle also clears the fault.

8.3.12 Output Overvoltage Protection (Applies to All Versions)

The bqSWITCHER™ provides a built-in overvoltage protection to protect the device and other components against damages if the battery voltage gets too high, as when the battery is suddenly removed. When an overvoltage condition is detected, this feature turns off the PWM and STATx pins. The fault is cleared once VIBAT drops to the recharge threshold (VOREG – VRCH).

8.3.13 Functional Description For System-Controlled Version (bq2411x)

For applications requiring charge management under the host system control, the bqSWITCHER™ (bq2411x) offers a number of control functions. The following section describes these functions.

8.3.14 Precharge and Fast-Charge Control

A low-level signal on the CMODE pin forces the bqSWITCHER™ to charge at the precharge rate set on the ISET2 pin. A high-level signal forces charge at fast-charge rate as set by the ISET1 pin. If the battery reaches the voltage regulation level, VOREG, the bqSWITCHER™ transitions to voltage regulation phase regardless of the status of the CMODE input.

8.3.15 Charge Termination and Safety Timers

The charge timers and termination are disabled in the system-controlled versions of the bqSWITCHER™. The host system can use the CE input to enable or disable charge. When an overvoltage condition is detected, the charger process stops, and all power FETs are turned off.

8.3.16 Battery Detection

For applications with removable battery packs, bqSWITCHER™ provides a battery absent detection scheme to reliably detect insertion and/or removal of battery packs.

bq24100 bq24103 bq24103A bq24104 bq24105 bq24108 bq24109 bq24113 bq24113A bq24115 ai_batt_lus606.gif Figure 5. Battery Absent Detection for bq2410x ICs only

The voltage at the BAT pin is held above the battery recharge threshold, VOREG – VRCH, by the charged battery following fast charging. When the voltage at the BAT pin falls to the recharge threshold, either by a load on the battery or due to battery removal, the bqSWITCHER™ begins a battery absent detection test. This test involves enabling a detection current, IDISCHARGE1, for a period of tDISCHARGE1 and checking to see if the battery voltage is below the short circuit threshold, VSHORT. Following this, the wake current, IWAKE is applied for a period of tWAKE and the battery voltage is checked again to ensure that it is above the recharge threshold. The purpose of this current is to attempt to close an open battery pack protector, if one is connected to the bqSWITCHER™.

Passing both of the discharge and charge tests indicates a battery absent fault at the STAT pins. Failure of either test starts a new charge cycle. For the absent battery condition, typically the voltage on the BAT pin rises and falls between 0V and VOVPthresholds indefinitely.

bq24100 bq24103 bq24103A bq24104 bq24105 bq24108 bq24109 bq24113 bq24113A bq24115 bat_td_lus688.gif Figure 6. Battery Detect Timing Diagram

8.3.16.1 Battery Detection Example

In order to detect a no battery condition during the discharge and wake tests, the maximum output capacitance should not exceed the following:

  1. Discharge (IDISCHRG1 = 400 μA, tDISCHRG1 = 1s, VSHORT = 2V)
  2. Equation 9. bq24100 bq24103 bq24103A bq24104 bq24105 bq24108 bq24109 bq24113 bq24113A bq24115 q11a_cmax_lus688.gif
  3. Wake (IWAKE = 2 mA, tWAKE = 0.5 s, VOREG – VRCH = 4.1V)
  4. Equation 10. bq24100 bq24103 bq24103A bq24104 bq24105 bq24108 bq24109 bq24113 bq24113A bq24115 q12b_cmaxw_lus688.gif

Based on these calculations the recommended maximum output capacitance to ensure proper operation of the battery detection scheme is 100 μF which will allow for process and temperature variations.

Figure 7 shows the battery detection scheme when a battery is inserted. Channel 3 is the output signal and Channel 4 is the output current. The output signal switches between VOREG and GND until a battery is inserted. Once the battery is detected, the output current increases from 0 A to 1.3 A, which is the programmed charge current for this application.

bq24100 bq24103 bq24103A bq24104 bq24105 bq24108 bq24109 bq24113 bq24113A bq24115 bat_wf_lus688.gif Figure 7. Battery Detection Waveform When a Battery is Inserted

Figure 8 shows the battery detection scheme when a battery is removed. Channel 3 is the output signal and Channel 4 is the output current. When the battery is removed, the output signal goes up due to the stored energy in the inductor and it crosses the VOREG – VRCH threshold. At this point the output current goes to 0 A and the IC terminates the charge process and turns on the IDISCHG2 for tDISCHG2. This causes the output voltage to fall down below the VOREG – VRCHG threshold triggering a Battery Absent condition and starting the battery detection scheme.

bq24100 bq24103 bq24103A bq24104 bq24105 bq24108 bq24109 bq24113 bq24113A bq24115 bat_wf2_lus688.gif Figure 8. Battery Detection Waveform When a Battery is Removed

8.3.17 Current Sense Amplifier

BQ241xx family offers a current sense amplifier feature that translates the charge current into a DC voltage. Figure 9 is a block diagram of this feature.

bq24100 bq24103 bq24103A bq24104 bq24105 bq24108 bq24109 bq24113 bq24113A bq24115 cur_amp_lus688.gif Figure 9. Current Sense Amplifier

The voltage on the ISET2 pin can be used to calculate the charge current. Equation 11 shows the relationship between the ISET2 voltage and the charge current:

Equation 11. bq24100 bq24103 bq24103A bq24104 bq24105 bq24108 bq24109 bq24113 bq24113A bq24115 q13_ichg_lus688.gif

This feature can be used to monitor the charge current (see Figure 10) during the current regulation phase (Fastcharge only) and the voltage regulation phase. The schematic for the application circuit for this waveform is shown in Figure 13.

bq24100 bq24103 bq24103A bq24104 bq24105 bq24108 bq24109 bq24113 bq24113A bq24115 csa_lus688.gif Figure 10. Current Sense Amplifier Charge Current Waveform

8.4 Device Functional Modes

Figure 11 shows the operational flow chart for a stand-alone charge operation.

bq24100 bq24103 bq24103A bq24104 bq24105 bq24108 bq24109 bq24113 bq24113A bq24115 ai_stand_lus606.gif Figure 11. Stand-Alone Version Operational Flow Chart

Figure 12 shows the operational flow chart for a system-controlled charge operation.

bq24100 bq24103 bq24103A bq24104 bq24105 bq24108 bq24109 bq24113 bq24113A bq24115 ai_system_lus606.gif Figure 12. System-Controlled Operational Flow Chart