JAJSCR2 December   2016 CSD18543Q3A

PRODUCTION DATA.  

  1. 1特長
  2. 2アプリケーション
  3. 3概要
  4. 4改訂履歴
  5. 5Specifications
    1. 5.1 Electrical Characteristics
    2. 5.2 Thermal Information
    3. 5.3 Typical MOSFET Characteristics
  6. 6デバイスおよびドキュメントのサポート
    1. 6.1 ドキュメントの更新通知を受け取る方法
    2. 6.2 コミュニティ・リソース
    3. 6.3 商標
    4. 6.4 静電気放電に関する注意事項
    5. 6.5 用語集
  7. 7メカニカル、パッケージ、および注文情報
    1. 7.1 Q3Aパッケージの寸法
    2. 7.2 Q3Aの推奨PCBパターン
    3. 7.3 Q3Aの推奨ステンシル・パターン
    4. 7.4 Q3Aのテープ・アンド・リール情報

パッケージ・オプション

デバイスごとのパッケージ図は、PDF版データシートをご参照ください。

メカニカル・データ(パッケージ|ピン)
  • DNH|8
サーマルパッド・メカニカル・データ
発注情報

メカニカル、パッケージ、および注文情報

以降のページには、メカニカル、パッケージ、および注文に関する情報が記載されています。この情報は、そのデバイスについて利用可能な最新のデータです。このデータは予告なく変更されることがあり、ドキュメントが改訂される場合もあります。本データシートのブラウザ版を使用されている場合は、画面左側の説明をご覧ください。

Q3Aパッケージの寸法

CSD18543Q3A Mech_Dwg.png
  1. すべての直線寸法はミリメートル(mm)単位です。括弧内のすべての寸法は、参照のみを目的としたものです。寸法と許容誤差は、ASME Y14.5M準拠です。
  2. この図面は、予告なく変更される可能性があります。
  3. 熱特性および機械的な性能を実現するため、パッケージのサーマル・パッドはプリント基板にハンダ付けする必要があります。
  4. 金属被覆部分はベンダのオプションで、パッケージには含まれていない場合があります。
  5. すべての寸法には、バリや突起部は含まれていません。

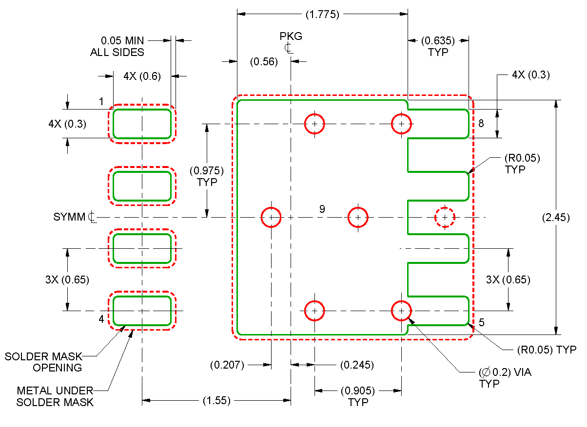
Q3Aの推奨PCBパターン

CSD18543Q3A PCB.png
  1. このパッケージは、基板上のサーマル・パッドにハンダ付けされるよう設計されています。詳細については、『QFN/SON PCBアタッチメント』(SLUA271)を参照してください。
  2. ビアはアプリケーションに応じてのオプションです。デバイスのデータシートを参照してください。一部またはすべてを実装する場合に推奨されるビアの場所が示されています。

PCB設計の推奨回路レイアウトについては、『PCBレイアウト技法によるリンギングの低減』(SLPA005)を参照してください。

Q3Aの推奨ステンシル・パターン

CSD18543Q3A Stencil.png
  1. レーザ・カット・アパーチャの壁面を台形にし、角に丸みを付けることで、ペースト離れが良くなります。IPC-7525には、別の設計推奨事項が存在する可能性があります。

Q3Aのテープ・アンド・リール情報

CSD18543Q3A m0144-01_lps202.gif

NOTES:

1. 10スプロケット・ホール・ピッチの累積許容誤差は±0.2 。
2. キャンバーは100mm内に1mmを超えないこと、250mm以上では累積しない
3. 材質: 黒色の静電散逸性ポリスチレン
4. すべての寸法は、特記されていない限りmm単位
5. 厚さ: 0.30±0.05mm 。
6. MSL1 260℃ (IRおよび対流方式) PbFリフロー互換