JAJSET8B June   2014  – February 2018 DLPA2000

PRODUCTION DATA.  

  1. 特長
  2. アプリケーション
  3. 概要
    1.     Device Images
      1. 3.1 概略回路図
  4. 改訂履歴
  5. Pin Configuration and Functions
    1.     Pin Functions
  6. Specifications
    1. 6.1 Absolute Maximum Ratings
    2. 6.2 Storage Conditions
    3. 6.3 ESD Ratings
    4. 6.4 Recommended Operating Conditions
    5. 6.5 Thermal Information
    6. 6.6 Electrical Characteristics
    7. 6.7 Motor Driver Timing Requirements
    8. 6.8 Data Transmission Timing Requirements
    9. 6.9 Typical Characteristics
  7. Detailed Description
    1. 7.1 Overview
    2. 7.2 Functional Block Diagram
    3. 7.3 Feature Description
      1. 7.3.1  DMD Regulators
      2. 7.3.2  RGB Strobe Decoder
      3. 7.3.3  LED Current Control
      4. 7.3.4  Calculating Inductor Peak Current
      5. 7.3.5  LED Current Accuracy
      6. 7.3.6  Transient Current Limiting
      7. 7.3.7  1.1-V Regulator (Buck Converter)
      8. 7.3.8  Motor Driver
        1. 7.3.8.1 Motor Driver Overcurrent Protection
      9. 7.3.9  Measurement System
      10. 7.3.10 Protection Circuits
        1. 7.3.10.1 Thermal Warning (HOT) and Thermal Shutdown (TSD)
        2. 7.3.10.2 Low Battery Warning (BAT_LOW) and Undervoltage Lockout (UVLO)
        3. 7.3.10.3 DMD Regulator Fault (DMD_FLT)
        4. 7.3.10.4 V6V Power-Good (V6V_PGF) Fault
        5. 7.3.10.5 VLED Overvoltage (VLED_OVP) Fault
        6. 7.3.10.6 VLED Power Save Mode
        7. 7.3.10.7 V1V8 PG Failure
        8. 7.3.10.8 Interrupt Pin (INTZ)
        9. 7.3.10.9 SPI
      11. 7.3.11 Password Protected Registers
    4. 7.4 Device Functional Modes
    5. 7.5 Register Maps
      1. Table 7. Register Description
      2. 7.5.1     Chip Revision Register
        1. Table 8. Chip Revision Register Field Descriptions
      3. 7.5.2     Enable Register
        1. Table 9. Enable Register Field Descriptions
      4. 7.5.3     Transient-Current Limit Settings
        1. Table 10. Transient-Current Limit Settings Field Descriptions
      5. 7.5.4     Regulation Current MSB, SW4
        1. Table 11. Regulation Current MSB, SW4 Field Descriptions
      6. 7.5.5     Regulation Current LSB, SW4
        1. Table 12. Regulation Current LSB, SW4 Field Descriptions
        2. Table 13. Regulation Current LSB, SW4 Bit Definitions
      7. 7.5.6     Regulation Current MSB, SW5
        1. Table 14. Regulation Current MSB, SW5 Field Descriptions
      8. 7.5.7     Regulation Current LSB, SW5
        1. Table 15. Regulation Current LSB, SW5 Field Descriptions
        2. Table 16. Regulation Current LSB, SW5 Bit Definitions
      9. 7.5.8     Regulation Current MSB, SW6
        1. Table 17. Regulation Current MSB, SW6 Field Descriptions
      10. 7.5.9     Regulation Current LSB, SW6
        1. Table 18. Regulation Current LSB, SW6 Field Descriptions
        2. Table 19. Regulation Current LSB, SW6 Bit Definitions
      11. 7.5.10    Switch On/Off Control (Direct Mode)
        1. Table 20. Switch On/Off Control (Direct Mode) Field Descriptions
      12. 7.5.11    AFE (MUX) Control
        1. Table 21. AFE (MUX) Control Field Descriptions
      13. 7.5.12    Break Before Make (BBM) Timing
        1. Table 22. BBM Timing Field Descriptions
      14. 7.5.13    Interrupt Register
        1. Table 23. Interrupt Register Field Descriptions
      15. 7.5.14    Interrupt Mask Register
        1. Table 24. Interrupt Mask Register Field Descriptions
      16. 7.5.15    Timing Register VOFS, VBIAS, VRST, and RESETZ
        1. Table 25. Timing Register VOFS, VBIAS, VRST, and RESETZ Field Descriptions
        2. Table 26. Timing Register VOFS, VBIAS, VRST, and RESETZ Bit Definitions
      17. 7.5.16    Motor Control Register
        1. Table 27. Motor Control Register Field Descriptions
      18. 7.5.17    Password Register
        1. Table 28. Password Register Field Descriptions
      19. 7.5.18    System Configuration Register
        1. Table 29. System Configuration Register Field Descriptions
      20. 7.5.19    User EEPROM, BYTE0
        1. Table 30. User EEPROM, BYTE0 Field Descriptions
      21. 7.5.20    User EEPROM, BYTE1
        1. Table 31. User EEPROM, BYTE1 Field Descriptions
      22. 7.5.21    User EEPROM, BYTE2
        1. Table 32. User EEPROM, BYTE2 Field Descriptions
      23. 7.5.22    User EEPROM, BYTE3
        1. Table 33. User EEPROM, BYTE3 Field Descriptions
      24. 7.5.23    User EEPROM, BYTE4
        1. Table 34. User EEPROM, BYTE4 Field Descriptions
      25. 7.5.24    User EEPROM, BYTE5
        1. Table 35. User EEPROM, BYTE5 Field Descriptions
      26. 7.5.25    User EEPROM, BYTE6
        1. Table 36. User EEPROM, BYTE6 Field Descriptions
      27. 7.5.26    User EEPROM, BYTE7
        1. Table 37. User EEPROM, BYTE7 Field Descriptions
  8. Application and Implementation
    1. 8.1 Application Information
    2. 8.2 Typical Projector Application
      1. 8.2.1 Design Requirements
      2. 8.2.2 Detailed Design Procedure
      3. 8.2.3 Application Curve
    3. 8.3 Typical Mobile Sensing Application
      1. 8.3.1 Design Requirements
      2. 8.3.2 Detailed Design Procedure
        1. 8.3.2.1 Dlpc150 System Interfaces
          1. 8.3.2.1.1 Control Interface
      3. 8.3.3 Application Curve
  9. Power Supply Recommendations
  10. 10Layout
    1. 10.1 Layout Guidelines
    2. 10.2 Layout Example
  11. 11デバイスおよびドキュメントのサポート
    1. 11.1 デバイス・サポート
      1. 11.1.1 デバイスの項目表記
    2. 11.2 関連リンク
    3. 11.3 コミュニティ・リソース
    4. 11.4 商標
    5. 11.5 静電気放電に関する注意事項
    6. 11.6 Glossary
  12. 12メカニカル、パッケージ、および注文情報

パッケージ・オプション

メカニカル・データ(パッケージ|ピン)
サーマルパッド・メカニカル・データ
発注情報

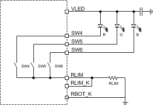
RGB Strobe Decoder

DLPA2000 contains RGB color-sequential circuitry that is composed of three NMOS switches, the LED driver, the strobe decoder, and the LED current control. The NMOS switches are connected to the terminals of the external LED package and turn the currents through the LEDs on and off. Package connections are shown in Figure 6 and Figure 9 and the corresponding switch map is in Table 1.

The LED_SEL[1:0] signals typically receive a rotating code switching from RED to GREEN to BLUE and then back to RED. When the LED_SEL[1:0] input signals select a specific color, the NMOSFETs are controlled based on the color selected, and a 10-bit current control DAC for this color is selected that provides a control current to the RGB LEDs' feedback control network.

DLPA2000 switch_common_LPS043.gifFigure 6. Switch Connection for a Common-Anode LED Assembly

Table 1. Switch Positions for Common Anode RGB LEDs (MAP = 0)

Common Anode
LED_SEL[1:0] SW6 SW5 SW4 IDAC INPUT
0x00h Open Open Open N/A
0x01h Open Open Closed SW4_IDAC[9:0]
0x02h Open Closed Open SW5_IDAC[9:0]
0x03h Closed Open Open SW6_IDAC[9:0]

The switching of the three NMOS switches is controlled such that switches are returned to the open position first before the closed connections are made (break before make). The dead time between opening and closing switches is controlled through the BBM register. Switches that already are in the closed position (and are to remain in the closed state according to the SWCNTRL register) are not opened during the BBM delay time.

DLPA2000 tim_BBM_LPS043.gifFigure 7. BBM Timing (See Register 0Bh in Figure 26)