JAJS518G May   2004  – January 2015 INA193 , INA194 , INA195 , INA196 , INA197 , INA198

PRODUCTION DATA.  

  1. 特長
  2. アプリケーション
  3. 概要
  4. 改訂履歴
  5. Device Comparison Table
  6. Pin Configuration and Functions
  7. Specifications
    1. 7.1 Absolute Maximum Ratings
    2. 7.2 ESD Ratings
    3. 7.3 Recommended Operating Conditions
    4. 7.4 Thermal Information
    5. 7.5 Electrical Characteristics
    6. 7.6 Typical Characteristics
  8. Detailed Description
    1. 8.1 Overview
    2. 8.2 Functional Block Diagram
    3. 8.3 Feature Description
      1. 8.3.1 Basic Connection
      2. 8.3.2 Selecting RS
      3. 8.3.3 Inside the INA193-INA198
    4. 8.4 Device Functional Modes
      1. 8.4.1 Input Filtering
      2. 8.4.2 Accuracy Variations as a Result of VSENSE and Common-Mode Voltage
        1. 8.4.2.1 Normal Case 1: VSENSE ≥ 20mv, VCM ≥ VS
        2. 8.4.2.2 Normal Case 2: VSENSE ≥ 20mv, VCM < VS
        3. 8.4.2.3 Low VSENSE Case 1: VSENSE < 20mV, −16v ≤ VCM < 0; and Low VSENSE Case 3: VSENSE < 20mV, VS < VCM ≤ 80V
        4. 8.4.2.4 Low VSENSE Case 2: VSENSE < 20 mV, 0 V ≤ VCM ≤ VS
      3. 8.4.3 Shutdown
      4. 8.4.4 Transient Protection
      5. 8.4.5 Output Voltage Range
  9. Application and Implementation
    1. 9.1 Application Information
    2. 9.2 Typical Application
      1. 9.2.1 Design Requirements
      2. 9.2.2 Detailed Design Procedure
      3. 9.2.3 Application Curve
  10. 10Power Supply Recommendations
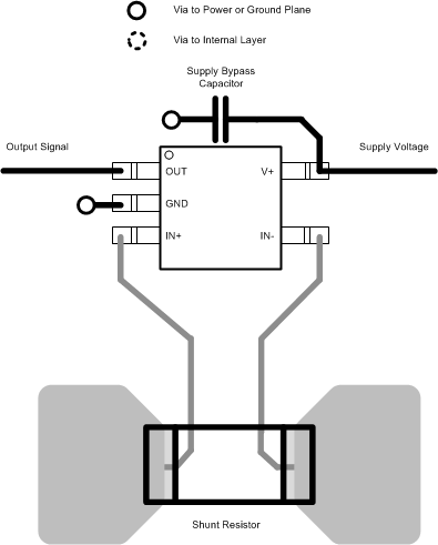
  11. 11Layout
    1. 11.1 Layout Guidelines
      1. 11.1.1 RFI and EMI
    2. 11.2 Layout Example
  12. 12デバイスおよびドキュメントのサポート
    1. 12.1 関連リンク
    2. 12.2 商標
    3. 12.3 静電気放電に関する注意事項
    4. 12.4 用語集
  13. 13メカニカル、パッケージ、および注文情報

パッケージ・オプション

メカニカル・データ(パッケージ|ピン)
サーマルパッド・メカニカル・データ
発注情報

Layout

Layout Guidelines

RFI and EMI

Attention to good layout practices is always recommended. Keep traces short and, when possible, use a printed circuit board (PCB) ground plane with surface-mount components placed as close to the device pins as possible. Small ceramic capacitors placed directly across amplifier inputs can reduce RFI/EMI sensitivity. PCB layout should locate the amplifier as far away as possible from RFI sources. Sources can include other components in the same system as the amplifier itself, such as inductors (particularly switched inductors handling a lot of current and at high frequencies). RFI can generally be identified as a variation in offset voltage or DC signal levels with changes in the interfering RF signal. If the amplifier cannot be located away from sources of radiation, shielding may be needed. Twisting wire input leads makes them more resistant to RF fields. The difference in input pin location of the INA193-INA195 devices versus the INA196-INA198 devices may provide different EMI performance.

Layout Example

INA193 INA194 INA195 INA196 INA197 INA198 layout_example_bos307.gif Figure 31. Recommended Layout