JAJSJ90A June   2020  – June 2021 INA228-Q1

PRODUCTION DATA  

  1. 特長
  2. アプリケーション
  3. 概要
  4. Revision History
  5. Pin Configuration and Functions
  6. Specifications
    1. 6.1 Absolute Maximum Ratings
    2. 6.2 ESD Ratings
    3. 6.3 Recommended Operating Conditions
    4. 6.4 Thermal Information
    5. 6.5 Electrical Characteristics
    6. 6.6 Timing Requirements (I2C)
    7. 6.7 Timing Diagram
    8. 6.8 Typical Characteristics
  7. Detailed Description
    1. 7.1 Overview
    2. 7.2 Functional Block Diagram
    3. 7.3 Feature Description
      1. 7.3.1 Versatile High Voltage Measurement Capability
      2. 7.3.2 Internal Measurement and Calculation Engine
      3. 7.3.3 Low Bias Current
      4. 7.3.4 High-Precision Delta-Sigma ADC
        1. 7.3.4.1 Low Latency Digital Filter
        2. 7.3.4.2 Flexible Conversion Times and Averaging
      5. 7.3.5 Shunt Resistor Drift Compensation
      6. 7.3.6 Integrated Precision Oscillator
      7. 7.3.7 Multi-Alert Monitoring and Fault Detection
    4. 7.4 Device Functional Modes
      1. 7.4.1 Shutdown Mode
      2. 7.4.2 Power-On Reset
    5. 7.5 Programming
      1. 7.5.1 I2C Serial Interface
        1. 7.5.1.1 Writing to and Reading Through the I2C Serial Interface
        2. 7.5.1.2 High-Speed I2C Mode
        3. 7.5.1.3 SMBus Alert Response
    6. 7.6 Register Maps
      1. 7.6.1 INA228-Q1 Registers
  8. Application and Implementation
    1. 8.1 Application Information
      1. 8.1.1 Device Measurement Range and Resolution
      2. 8.1.2 Current , Power, Energy, and Charge Calculations
      3. 8.1.3 ADC Output Data Rate and Noise Performance
      4. 8.1.4 Input Filtering Considerations
    2. 8.2 Typical Application
      1. 8.2.1 Design Requirements
      2. 8.2.2 Detailed Design Procedure
        1. 8.2.2.1 Select the Shunt Resistor
        2. 8.2.2.2 Configure the Device
        3. 8.2.2.3 Program the Shunt Calibration Register
        4. 8.2.2.4 Set Desired Fault Thresholds
        5. 8.2.2.5 Calculate Returned Values
      3. 8.2.3 Application Curves
  9. Power Supply Recommendations
  10. 10Layout
    1. 10.1 Layout Guidelines
    2. 10.2 Layout Example
  11. 11Device and Documentation Support
    1. 11.1 Receiving Notification of Documentation Updates
    2. 11.2 サポート・リソース
    3. 11.3 Trademarks
    4. 11.4 Electrostatic Discharge Caution
    5. 11.5 Glossary
  12. 12Mechanical, Packaging, and Orderable Information

パッケージ・オプション

メカニカル・データ(パッケージ|ピン)
サーマルパッド・メカニカル・データ
発注情報

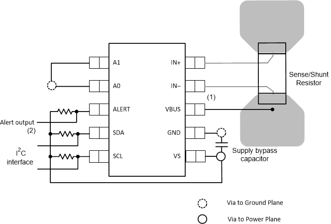
Layout Example

GUID-DE060D4A-4CBB-446D-922A-412EC668967D-low.gif
(1) Connect the VBUS pin to the voltage powering the load for load power calculations..
(2) Can be left floating if unused.
Figure 10-1 INA228-Q1 Layout Example