JAJSBC2L March   2000  – January 2018 LM317L-N

PRODUCTION DATA.  

  1. 特長
  2. アプリケーション
    1.     回路 図
  3. 概要
  4. 改訂履歴
  5. Pin Configuration and Functions
    1.     Pin Functions
  6. Specifications
    1. 6.1 Absolute Maximum Rating
    2. 6.2 ESD Ratings
    3. 6.3 Recommended Operating Conditions
    4. 6.4 Thermal Information
    5. 6.5 Electrical Characteristics
    6. 6.6 Typical Characteristics
  7. Detailed Description
    1. 7.1 Overview
    2. 7.2 Functional Block Diagram
    3. 7.3 Feature Description
      1. 7.3.1 Load Regulation
    4. 7.4 Device Functional Modes
      1. 7.4.1 External Capacitors
      2. 7.4.2 Protection Diodes
      3. 7.4.3 DSBGA Light Sensitivity
  8. Application and Implementation
    1. 8.1 Application Information
    2. 8.2 Typical Applications
      1. 8.2.1  1.25-V to 25-V Adjustable Regulator
        1. 8.2.1.1 Design Requirements
        2. 8.2.1.2 Detailed Design Procedure
        3. 8.2.1.3 Application Curve
      2. 8.2.2  Digitally-Selected Outputs
      3. 8.2.3  High Gain Amplifier
      4. 8.2.4  Adjustable Current Limiter
      5. 8.2.5  Precision Current Limiter
      6. 8.2.6  Slow Turnon 15-V Regulator
      7. 8.2.7  Adjustable Regulator With Improved Ripple Rejection
      8. 8.2.8  High Stability 10-V Regulator
      9. 8.2.9  Adjustable Regulator With Current Limiter
      10. 8.2.10 0-V to 30-V Regulator
      11. 8.2.11 Regulator With 15-mA Short-Circuit Current
      12. 8.2.12 Power Follower
      13. 8.2.13 Adjusting Multiple On-Card Regulators With Single Control
      14. 8.2.14 100-mA Current Regulator
      15. 8.2.15 1.2-V to 12-V Regulator With Minimum Program Current
      16. 8.2.16 50-mA Constant Current Battery Charger for Nickel-Cadmium Batteries
      17. 8.2.17 5-V Logic Regulator With Electronic Shutdown
      18. 8.2.18 Current-Limited 6-V Charger
      19. 8.2.19 Short Circuit-Protected 80-V Supply
      20. 8.2.20 Basic High-Voltage Regulator
      21. 8.2.21 Precision High-Voltage Regulator
      22. 8.2.22 Tracking Regulator
      23. 8.2.23 Regulator With Trimmable Output Voltage
      24. 8.2.24 Precision Reference With Short-Circuit Proof Output
      25. 8.2.25 Fully-Protected (Bulletproof) Lamp Driver
      26. 8.2.26 Lamp Flasher
  9. Power Supply Recommendations
  10. 10Layout
    1. 10.1 Layout Guidelines
    2. 10.2 Layout Examples
    3. 10.3 Thermal Considerations
  11. 11デバイスおよびドキュメントのサポート
    1. 11.1 ドキュメントのサポート
      1. 11.1.1 関連資料
    2. 11.2 コミュニティ・リソース
    3. 11.3 商標
    4. 11.4 静電気放電に関する注意事項
    5. 11.5 Glossary
  12. 12メカニカル、パッケージ、および注文情報

パッケージ・オプション

メカニカル・データ(パッケージ|ピン)
サーマルパッド・メカニカル・データ
発注情報

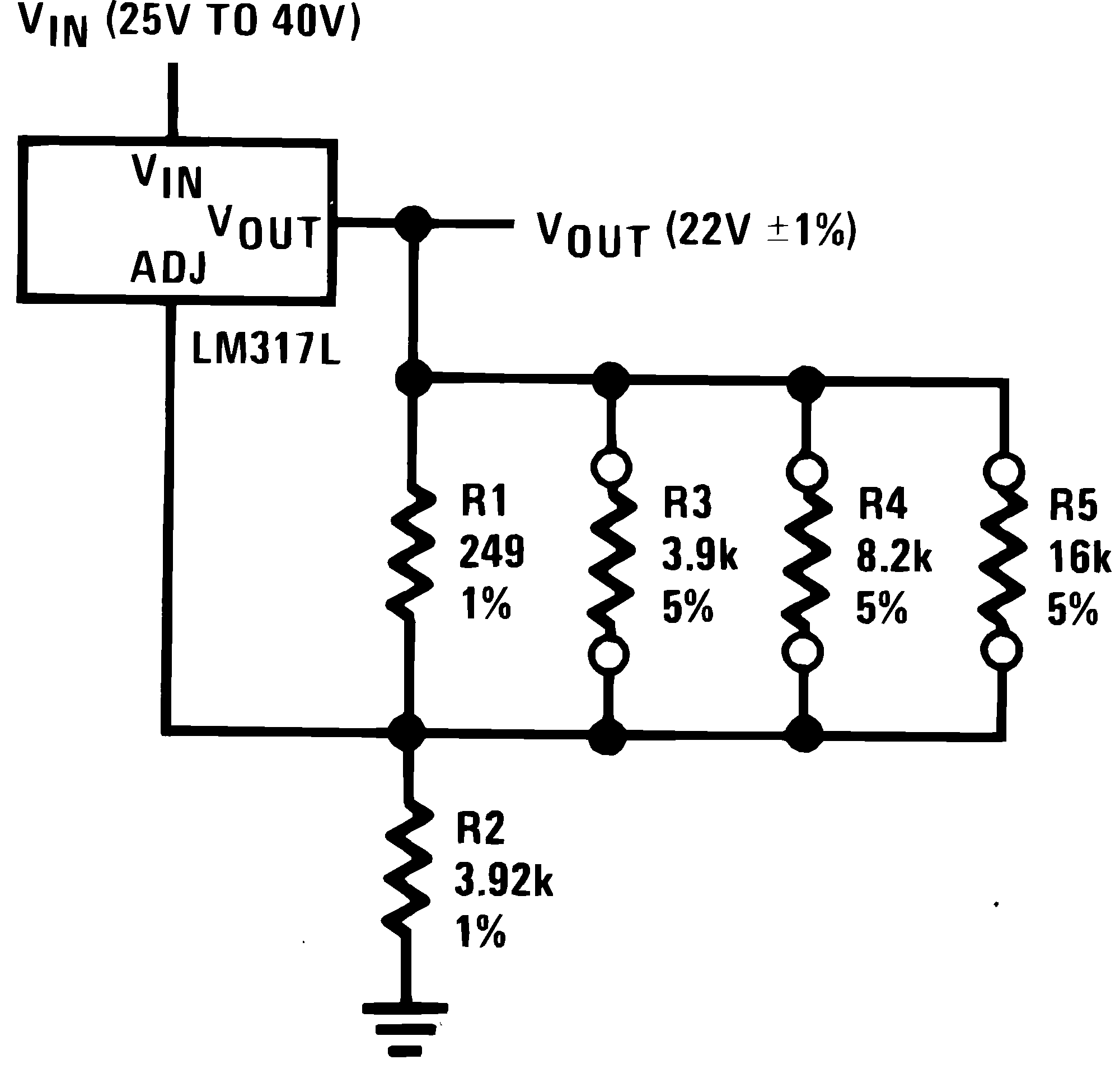
Regulator With Trimmable Output Voltage

This application provides an output voltage set by the output resistor divider that can be finely tuned to ±1% by removing output resistors. See the trim procedure in Figure 39.

LM317L-N 906432.png
Trim Procedure:

— If VOUT is 23.08 V or higher, cut out R3 (if lower, don't cut it out).

— Then if VOUT is 22.47 V or higher, cut out R4 (if lower, don't).

— Then if VOUT is 22.16 V or higher, cut out R5 (if lower, don't).

This will trim the output to well within ±1% of 22.00 VDC, without any of the expense or uncertainty of a trim pot (see LB-46). This technique can be used at any output voltage level.
Figure 39. Regulator With Trimmable Output Voltage