SNVSAF2A February   2016  – February 2016 LM36922H

PRODUCTION DATA.  

  1. Features
  2. Applications
  3. Description
  4. Revision History
  5. Pin Configuration and Functions
  6. Specifications
    1. 6.1 Absolute Maximum Ratings
    2. 6.2 ESD Ratings
    3. 6.3 Recommended Operating Conditions
    4. 6.4 Thermal Information
    5. 6.5 Electrical Characteristics
    6. 6.6 I2C Timing Requirements
    7. 6.7 Typical Characteristics
  7. Detailed Description
    1. 7.1 Overview
    2. 7.2 Functional Block Diagram
    3. 7.3 Feature Description
      1. 7.3.1 Enabling the LM36922H
        1. 7.3.1.1 Current Sink Enable
      2. 7.3.2 LM36922H Start-Up
      3. 7.3.3 Brightness Mapping
        1. 7.3.3.1 Linear Mapping
        2. 7.3.3.2 Exponential Mapping
      4. 7.3.4 PWM Input
        1. 7.3.4.1 PWM Sample Frequency
          1. 7.3.4.1.1 PWM Resolution and Input Frequency Range
          2. 7.3.4.1.2 PWM Sample Rate and Efficiency
            1. 7.3.4.1.2.1 PWM Sample Rate Example
        2. 7.3.4.2 PWM Hysteresis
        3. 7.3.4.3 PWM Step Response
        4. 7.3.4.4 PWM Timeout
      5. 7.3.5 LED Current Ramping
      6. 7.3.6 Regulated Headroom Voltage
    4. 7.4 Device Functional Modes
      1. 7.4.1 Brightness Control Modes
        1. 7.4.1.1 I2C Only (Brightness Mode 00)
        2. 7.4.1.2 PWM Only (Brightness Mode 01)
        3. 7.4.1.3 I2C + PWM Brightness Control (Multiply Then Ramp) Brightness Mode 10
        4. 7.4.1.4 I2C + PWM Brightness Control (Ramp Then Multiply) Brightness Mode 11
      2. 7.4.2 Boost Switching Frequency
        1. 7.4.2.1 Minimum Inductor Select
      3. 7.4.3 Auto-Switching Frequency
      4. 7.4.4 I2C Address Select (ASEL)
      5. 7.4.5 Fault Protection/Detection
        1. 7.4.5.1 Overvoltage Protection (OVP)
          1. 7.4.5.1.1 Case 1 OVP Fault Only (OVP Threshold Hit and All Enabled Current Sink Inputs > 40 mV)
          2. 7.4.5.1.2 Case 2a OVP Fault and Open LED String Fault (OVP Threshold Occurrence and Any Enabled Current Sink Input ≤ 40 mV)
          3. 7.4.5.1.3 Case 2b OVP Fault and Open LED String Fault (OVP Threshold Duration and Any Enabled Current Sink Input ≤ 40 mV)
          4. 7.4.5.1.4 OVP/LED Open Fault Shutdown
          5. 7.4.5.1.5 Testing for LED String Open
        2. 7.4.5.2 Voltage Limitations on LED1, LED2
        3. 7.4.5.3 LED String Short Fault
        4. 7.4.5.4 Overcurrent Protection (OCP)
          1. 7.4.5.4.1 OCP Fault
          2. 7.4.5.4.2 OCP Shutdown
        5. 7.4.5.5 Device Overtemperature
          1. 7.4.5.5.1 Overtemperature Shutdown
    5. 7.5 Programming
      1. 7.5.1 I2C Interface
        1. 7.5.1.1 Start and Stop Conditions
        2. 7.5.1.2 I2C Address
        3. 7.5.1.3 Transferring Data
        4. 7.5.1.4 Register Programming
    6. 7.6 Register Maps
  8. Applications and Implementation
    1. 8.1 Application Information
    2. 8.2 Typical Application
      1. 8.2.1 Design Requirements
      2. 8.2.2 Detailed Design Procedure
        1. 8.2.2.1 Component Selection
          1. 8.2.2.1.1 Inductor
          2. 8.2.2.1.2 Output Capacitor
          3. 8.2.2.1.3 Input Capacitor
      3. 8.2.3 Application Curves
  9. Power Supply Recommendations
    1. 9.1 Input Supply Bypassing
  10. 10Layout
    1. 10.1 Layout Guidelines
      1. 10.1.1 Boost Output Capacitor Placement
      2. 10.1.2 Schottky Diode Placement
      3. 10.1.3 Inductor Placement
      4. 10.1.4 Boost Input Capacitor Placement
    2. 10.2 Layout Example
  11. 11Device and Documentation Support
    1. 11.1 Device Support
      1. 11.1.1 Third-Party Products Disclaimer
    2. 11.2 Trademarks
    3. 11.3 Community Resources
    4. 11.4 Electrostatic Discharge Caution
    5. 11.5 Glossary
  12. 12Mechanical, Packaging, and Orderable Information

パッケージ・オプション

メカニカル・データ(パッケージ|ピン)
サーマルパッド・メカニカル・データ
発注情報

10 Layout

10.1 Layout Guidelines

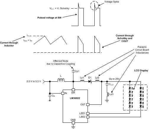
The inductive boost converter of the LM36922H device detects a high switched voltage (up to VOVP) at the SW pin, and a step current (up to ICL) through the Schottky diode and output capacitor each switching cycle. The high switching voltage can create interference into nearby nodes due to electric field coupling (I = CdV/dt). The large step current through the diode and the output capacitor can cause a large voltage spike at the SW pin and the OUT pin due to parasitic inductance in the step current conducting path (V = Ldi/dt). Board layout guidelines are geared towards minimizing this electric field coupling and conducted noise. Figure 51 highlights these two noise-generating components.

LM36922H LayoutParasitic_22.gif Figure 51. SW Pin Voltage (High Dv/Dt) and Current Through Schottky Diode and COUT (High Di/Dt)

The following list details the main (layout sensitive) areas of the inductive boost converter of the LM36922H device in order of decreasing importance:

  • Output Capacitor
    • Schottky Cathode to COUT+
    • COUT– to GND
  • Schottky Diode
    • SW pin to Schottky Anode
    • Schottky Cathode to COUT+
  • Inductor
    • SW Node PCB capacitance to other traces
  • Input Capacitor
    • CIN+ to IN pin

10.1.1 Boost Output Capacitor Placement

Because the output capacitor is in the path of the inductor current discharge path it detects a high-current step from 0 to IPEAK each time the switch turns off and the Schottky diode turns on. Any inductance along this series path from the cathode of the diode through COUT and back into the GND pin of the LM36922H device GND pin contributes to voltage spikes (VSPIKE = LP_ × di/dt) at SW and OUT. These spikes can potentially over-voltage the SW pin, or feed through to GND. To avoid this, COUT+ must be connected as close to the cathode of the Schottky diode as possible, and COUT− must be connected as close to the GND pin of the device as possible. The best placement for COUT is on the same layer as the LM36922H in order to avoid any vias that can add excessive series inductance.

10.1.2 Schottky Diode Placement

In the boost circuit of the LM36922H device the Schottky diode is in the path of the inductor current discharge. As a result the Schottky diode sees a high-current step from 0 to IPEAK each time the switch turns off and the diode turns on. Any inductance in series with the diode causes a voltage spike (VSPIKE = LP_ × di/dt) at SW and OUT. This can potentially over-voltage the SW pin, or feed through to VOUT and through the output capacitor and into GND. Connecting the anode of the diode as close to the SW pin as possibleand the cathode of the diode as close to COUT as possible reduces the inductance (LP_) and minimize these voltage spikes.

10.1.3 Inductor Placement

The node where the inductor connects to the LM36922H device SW pin has 2 issues. First, a large switched voltage (0 to VOUT + VF_SCHOTTKY) appears on this node every switching cycle. This switched voltage can be capacitively coupled into nearby nodes. Second, there is a relatively large current (input current) on the traces connecting the input supply to the inductor and connecting the inductor to the SW bump. Any resistance in this path can cause voltage drops that can negatively affect efficiency and reduce the input operating voltage range.

To reduce the capacitive coupling of the signal on SW into nearby traces, the SW bump-to-inductor connection must be minimized in area. This limits the PCB capacitance from SW to other traces. Additionally, high impedance nodes that are more susceptible to electric field coupling must be routed away from SW and not directly adjacent or beneath. This is especially true for traces such as SCL, SDA, HWEN, ASEL, and PWM. A GND plane placed directly below SW dramatically reduces the capacitance from SW into nearby traces.

Lastly, limit the trace resistance of the VIN to inductor connection and from the inductor to SW connection by use of short, wide traces.

10.1.4 Boost Input Capacitor Placement

For the LM36922H boost converter, the input capacitor filters the inductor current ripple and the internal MOSFET driver currents during turnon of the internal power switch. The driver current requirement can range from 50 mA at 2.7 V to over 200 mA at 5.5 V with fast durations of approximately 10 ns to 20 ns. This appears as high di/dt current pulses coming from the input capacitor each time the switch turns on. Close placement of the input capacitor to the IN pin and to the GND pin is critical because any series inductance between IN and CIN+ or CIN− and GND can create voltage spikes that could appear on the VIN supply line and in the GND plane. Close placement of the input bypass capacitor at the input side of the inductor is also critical. The source impedance (inductance and resistance) from the input supply, along with the input capacitor of the LM36922H , form a series RLC circuit. If the output resistance from the source (RS) is low enough the circuit is underdamped and has a resonant frequency (typically the case). Depending on the size of LS the resonant frequency could occur below, close to, or above the LM36922H switching frequency. This can cause the supply current ripple to be:

  1. Approximately equal to the inductor current ripple when the resonant frequency occurs well above the LM36922H switching frequency;
  2. Greater than the inductor current ripple when the resonant frequency occurs near the switching frequency; or
  3. Less than the inductor current ripple when the resonant frequency occurs well below the switching frequency.

Figure 52 shows the series RLC circuit formed from the output impedance of the supply and the input capacitor. The circuit is redrawn for the AC case where the VIN supply is replaced with a short to GND, and the LM36922H + Inductor is replaced with a current source (ΔIL). Equation 1 is the criteria for an underdamped response. Equation 2 is the resonant frequency. Equation 3 is the approximated supply current ripple as a function of LS, RS, and CIN. As an example, consider a 3.6-V supply with 0.1 Ω of series resistance connected to CIN through 50 nH of connecting traces. This results in an underdamped input-filter circuit with a resonant frequency of 712 kHz. Because both the 1-MHz and 500-kHz switching frequency options lie close to the resonant frequency of the input filter, the supply current ripple is probably larger than the inductor current ripple. In this case, using equation 3, the supply current ripple can be approximated as 1.68 times the inductor current ripple (using a 500-kHz switching frequency) and 0.86 times the inductor current ripple using a 1-MHz switching frequency. Increasing the series inductance (LS) to 500 nH causes the resonant frequency to move to around 225 kHz, and the supply current ripple to be approximately 0.25 times the inductor current ripple (500-kHz switching frequency) and 0.053 times for a 1-MHz switching frequency.

LM36922H inputrlc_36922.gif Figure 52. Input RLC Network

10.2 Layout Example

LM36922H LayoutExample_22.gif Figure 53. LM36922H Layout Example