SNVS631D January   2010  – October 2016 LM5035C

PRODUCTION DATA.  

  1. Features
  2. Applications
  3. Description
  4. Revision History
  5. Device Comparison Table
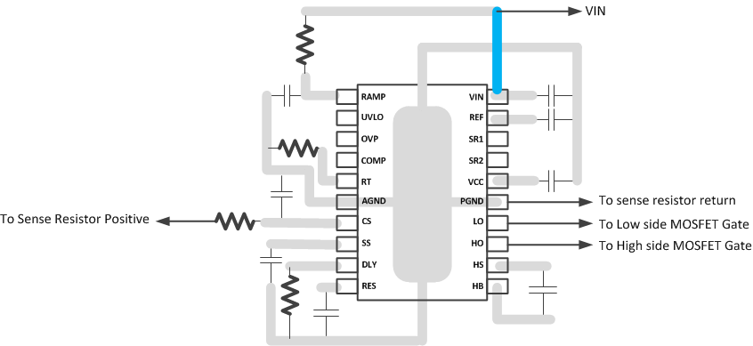
  6. Pin Configuration and Functions
  7. Specifications
    1. 7.1 Absolute Maximum Ratings
    2. 7.2 ESD Ratings
    3. 7.3 Recommended Operating Conditions
    4. 7.4 Thermal Information
    5. 7.5 Electrical Characteristics
    6. 7.6 Typical Characteristics
  8. Detailed Description
    1. 8.1 Overview
    2. 8.2 Functional Block Diagram
    3. 8.3 Feature Description
      1. 8.3.1  High-Voltage Start-Up Regulator
      2. 8.3.2  Line Undervoltage Detector
      3. 8.3.3  Line Overvoltage, Load Overvoltage, and Remote Thermal Protection
      4. 8.3.4  Reference
      5. 8.3.5  Cycle-by-Cycle Current Limit
      6. 8.3.6  Overload Protection Timer
      7. 8.3.7  Soft Start
      8. 8.3.8  PWM Comparator
      9. 8.3.9  Feedforward Ramp and Volt • Second Clamp
      10. 8.3.10 Oscillator, Sync Capability
      11. 8.3.11 Gate Driver Outputs (HO and LO)
      12. 8.3.12 Synchronous Rectifier Control Outputs (SR1 and SR2)
      13. 8.3.13 Thermal Protection
    4. 8.4 Device Functional Modes
  9. Application and Implementation
    1. 9.1 Application Information
    2. 9.2 Typical Application
      1. 9.2.1 Design Requirements
      2. 9.2.2 Detailed Design Procedure
        1. 9.2.2.1 VIN
        2. 9.2.2.2 For Applications >100 V
        3. 9.2.2.3 Current Sense
        4. 9.2.2.4 HO, HB, HS, and LO
        5. 9.2.2.5 Programmable Delay (DLY)
        6. 9.2.2.6 UVLO and OVP Voltage Divider Selection For R1, R2, and R3
        7. 9.2.2.7 Fault Protection
        8. 9.2.2.8 Hiccup Mode Current Limit Restart (RES)
      3. 9.2.3 Application Curves
  10. 10Power Supply Recommendations
  11. 11Layout
    1. 11.1 Layout Guidelines
    2. 11.2 Layout Example
  12. 12Device and Documentation Support
    1. 12.1 Documentation Support
      1. 12.1.1 Related Documentation
    2. 12.2 Receiving Notification of Documentation Updates
    3. 12.3 Community Resource
    4. 12.4 Trademarks
    5. 12.5 Electrostatic Discharge Caution
    6. 12.6 Glossary
  13. 13Mechanical, Packaging, and Orderable Information

パッケージ・オプション

メカニカル・データ(パッケージ|ピン)
サーマルパッド・メカニカル・データ
発注情報

Layout

Layout Guidelines

The LM5035C current sense and PWM comparators are very fast, and respond to short duration noise pulses. The components at the CS, COMP, SS, OVP, UVLO, DLY and the RT pins should be as physically close as possible to the IC, thereby minimizing noise pickup on the PC board tracks.

Layout considerations are critical for the current sense filter. If a current sense transformer is used, both leads of the transformer secondary should be routed to the sense filter components and to the IC pins. The ground side of the transformer should be connected through a dedicated PC board track to the AGND pin, rather than through the ground plane.

If the current sense circuit employs a sense resistor in the drive transistor source, low inductance resistors should be used. In this case, all the noise sensitive, low-current ground tracks should be connected in common near the IC, and then a single connection made to the power ground (sense resistor ground point).

The gate drive outputs of the LM5035C should have short, direct paths to the power MOSFETs to minimize inductance in the PC board traces. The SR control outputs should also have minimum routing distance through the pulse transformers and through the secondary gate drivers to the sync FETs.

The two ground pins (AGND, PGND) must be connected together with a short, direct connection, to avoid jitter due to relative ground bounce.

If the internal dissipation of the LM5035C produces high junction temperatures during normal operation, the use of multiple vias under the IC to a ground plane can help conduct heat away from the IC. Judicious positioning of the PC board within the end product, along with use of any available air flow (forced or natural convection) will help reduce the junction temperatures. If using forced air cooling, avoid placing the LM5035C in the airflow shadow of tall components, such as input capacitors.

Layout Example

LM5035C Drawing_in_Layout_example.gif Figure 33. LM5035C Layout Example