JAJSGX1G September   2006  – Jaunuary 2020 LM5069

PRODUCTION DATA.  

  1. 特長
  2. アプリケーション
  3. 概要
    1.     Device Images
      1.      代表的なアプリケーションの図
  4. 改訂履歴
    1.     Device Comparison
  5. Pin Configuration and Functions
    1.     Pin Functions
  6. Specifications
    1. 6.1 Absolute Maximum Ratings
    2. 6.2 ESD Ratings
    3. 6.3 Recommended Operating Conditions
    4. 6.4 Thermal Information
    5. 6.5 Electrical Characteristics
    6. 6.6 Typical Characteristics
  7. Detailed Description
    1. 7.1 Overview
    2. 7.2 Functional Block Diagram
    3. 7.3 Feature Description
      1. 7.3.1 Current Limit
      2. 7.3.2 Circuit Breaker
      3. 7.3.3 Power Limit
      4. 7.3.4 Undervoltage Lockout (UVLO)
      5. 7.3.5 Overvoltage Lockout (OVLO)
      6. 7.3.6 Power Good Pin
    4. 7.4 Device Functional Modes
      1. 7.4.1 Power Up Sequence
      2. 7.4.2 Gate Control
      3. 7.4.3 Fault Timer and Restart
      4. 7.4.4 Shutdown Control
  8. Application and Implementation
    1. 8.1 Application Information
    2. 8.2 Typical Application
      1. 8.2.1 48-V, 10-A Hot Swap Design
        1. 8.2.1.1 Design Requirements
        2. 8.2.1.2 Detailed Design Procedure
          1. 8.2.1.2.1 Select RSNS and CL setting
          2. 8.2.1.2.2 Selecting the Hot Swap FET(s)
          3. 8.2.1.2.3 Select Power Limit
          4. 8.2.1.2.4 Set Fault Timer
          5. 8.2.1.2.5 Check MOSFET SOA
          6. 8.2.1.2.6 Set Undervoltage and Overvoltage Threshold
            1. 8.2.1.2.6.1 Option A
            2. 8.2.1.2.6.2 Option B
            3. 8.2.1.2.6.3 Option C
            4. 8.2.1.2.6.4 Option D
          7. 8.2.1.2.7 Input and Output Protection
          8. 8.2.1.2.8 Final Schematic and Component Values
        3. 8.2.1.3 Application Curves
  9. Power Supply Recommendations
  10. 10Layout
    1. 10.1 Layout Guidelines
      1. 10.1.1 PC Board Guidelines
      2. 10.1.2 System Considerations
    2. 10.2 Layout Example
  11. 11デバイスおよびドキュメントのサポート
    1. 11.1 デバイス・サポート
      1. 11.1.1 開発サポート
    2. 11.2 ドキュメントのサポート
      1. 11.2.1 関連資料
    3. 11.3 ドキュメントの更新通知を受け取る方法
    4. 11.4 コミュニティ・リソース
    5. 11.5 商標
    6. 11.6 静電気放電に関する注意事項
    7. 11.7 Glossary
  12. 12メカニカル、パッケージ、および注文情報

パッケージ・オプション

メカニカル・データ(パッケージ|ピン)
サーマルパッド・メカニカル・データ
発注情報

PC Board Guidelines

The following guidelines must be followed when designing the PC board for the LM5069:

  • Place the LM5069 close to the board’s input connector to minimize trace inductance from the connector to the FET.
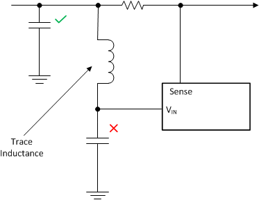
  • Note that special care must be taken when placing the bypass capacitor for the VIN pin. During hot shorts, there is a very large dV/dt on input voltage after the MOSFET turns off. If the bypass capacitor is placed right next to the pin and the trace from Rsns to the pin is long, an LC filter is formed. As a result, a large differential voltage can develop between VIN and SENSE. To avoid this, place the bypass capacitor close to Rsns instead of the VIN pin.
  • LM5069 Layout_Trace_Inductance.gifFigure 43. Layout Trace Inductance
  • The sense resistor (RS) must be close to the LM5069, and connected to it using the Kelvin techniques shown in Figure 46.
  • The high current path from the board’s input to the load (via Q1), and the return path, must be parallel and close to each other to minimize loop inductance.
  • The ground connection for the various components around the LM5069 must be connected directly to each other, and to the LM5069’s GND pin, and then connected to the system ground at one point. Do not connect the various component grounds to each other through the high current ground line.
  • Provide adequate heat sinking for the series pass device (Q1) to help reduce stresses during turnon and turnoff.
  • The board’s edge connector can be designed to shut off the LM5069 as the board is removed, before the supply voltage is disconnected from the LM5069. In Figure 45 the voltage at the UVLO pin goes to ground before VSYS is removed from the LM5069 due to the shorter edge connector pin. When the board is inserted into the edge connector, the system voltage is applied to the LM5069’s VIN pin before the UVLO voltage is taken high.