JAJSFL4B April   2016  – June 2018 LMH0324

PRODUCTION DATA.  

  1. 特長
  2. アプリケーション
  3. 概要
    1.     Device Images
      1.      ブロック概略図
  4. 改訂履歴
  5. Pin Configuration and Functions
    1.     Pin Functions
  6. Specifications
    1. 6.1 Absolute Maximum Ratings
    2. 6.2 ESD Ratings
    3. 6.3 Recommended Operating Conditions
    4. 6.4 Thermal Information
    5. 6.5 Electrical Characteristics
    6. 6.6 Recommended SMBus Interface AC Timing Specifications
    7. 6.7 Serial Parallel Interface (SPI) AC Timing Specifications
    8. 6.8 Typical Characteristics
  7. Detailed Description
    1. 7.1 Overview
    2. 7.2 Functional Block Diagram
    3. 7.3 Feature Description
      1. 7.3.1 4-Level Input Configuration Pins
      2. 7.3.2 Carrier Detect
      3. 7.3.3 Adaptive Cable Equalizer
      4. 7.3.4 Launch Amplitude
      5. 7.3.5 Input-Output Mux Selection
      6. 7.3.6 Output Function Control
      7. 7.3.7 Output Driver Amplitude and De-Emphasis Control
      8. 7.3.8 Additional Programmability
        1. 7.3.8.1 Cable Length Indicator (CLI)
        2. 7.3.8.2 Digital MUTEREF
    4. 7.4 Device Functional Modes
      1. 7.4.1 System Management Bus (SMBus) Mode
        1. 7.4.1.1 SMBus Read and Write Transactions
          1. 7.4.1.1.1 SMBus Write Operation Format
          2. 7.4.1.1.2 SMBus Read Operation Format
      2. 7.4.2 Serial Peripheral Interface (SPI) Mode
        1. 7.4.2.1 SPI Read and Write Transactions
          1. 7.4.2.1.1 SPI Write Transaction Format
          2. 7.4.2.1.2 SPI Read Transaction Format
        2. 7.4.2.2 SPI Daisy Chain
    5. 7.5 LMH0324 Register Map
      1. 7.5.1 Share Register Page
      2. 7.5.2 CableEQ/Drivers Register Page
  8. Application and Implementation
    1. 8.1 Application Information
      1. 8.1.1 General Guidance for SMPTE Applications
    2. 8.2 Typical Application
      1. 8.2.1 Design Requirements
      2. 8.2.2 Detailed Design Procedure
      3. 8.2.3 Recommended VOD and DE Register Settings
      4. 8.2.4 Application Performance Plots
  9. Power Supply Recommendations
  10. 10Layout
    1. 10.1 Layout Guidelines
    2. 10.2 Layout Example
  11. 11デバイスおよびドキュメントのサポート
    1. 11.1 ドキュメントの更新通知を受け取る方法
    2. 11.2 コミュニティ・リソース
    3. 11.3 商標
    4. 11.4 静電気放電に関する注意事項
    5. 11.5 Glossary
  12. 12メカニカル、パッケージ、および注文情報

パッケージ・オプション

デバイスごとのパッケージ図は、PDF版データシートをご参照ください。

メカニカル・データ(パッケージ|ピン)
  • RTW|24
サーマルパッド・メカニカル・データ
発注情報

Power Supply Recommendations

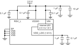
The LMH0324 is designed to provide flexibility in supply rails. There are two ways to power the LMH0324:

  • Single 2.5 V Supply Mode: This mode offers ease of use and pin compatibility with the LMH1219 (11.88 Gbps Ultra-HD Adaptive Cable Equalizer with Integrated Reclocker). The internal circuitry receives power from the on-chip 1.8 V regulator. In this mode, 2.5 V is applied to VIN, VDDIO, and RSV_L. This mode supports SPI or SMBus serial interface. See Figure 24 for more details.
  • Single 1.8 V Supply Mode: This mode provides the lowest power consumption. In this mode, 1.8 V is connected to VIN, VDD_LDO and VDDIO. RSV_L is tied to VSS. In this mode, SPI is supported, but SMBus serial interface is not. In Single 1.8 V Supply Mode, the LMH0324 is not drop-in compatible with the LMH1219. See Figure 25 for more details.
LMH0324 single_2p5v_example_snls515.gifFigure 24. Single 2.5 V Supply Mode - Compatible with LMH1219
LMH0324 single_1p8v_supply_connection_diagram_snls515.gifFigure 25. Single 1.8 V Supply Mode - Not Compatible with LMH1219

For power supply de-coupling, 0.1-μF surface-mount ceramic capacitors are recommended to be placed close to each supply pin to VSS. Larger bulk capacitors (for example, 10 µF and 1 µF) are recommended to be placed close to each LMH0324 device. Good supply bypassing requires low inductance capacitors. This can be achieved through an array of multiple small body size surface-mount bypass capacitors in order to keep low supply impedance. Better results can be achieved through the use of a buried capacitor formed by a VDD and VSS plane separated by 2-4 mil dielectric in a printed circuit board.