JAJS684F May   2004  – December 2016 LMS8117A

PRODUCTION DATA.  

  1. 特長
  2. アプリケーション
  3. 概要
  4. 改訂履歴
  5. Pin Configuration and Functions
  6. Specifications
    1. 6.1 Absolute Maximum Ratings
    2. 6.2 ESD Ratings
    3. 6.3 Recommended Operating Conditions
    4. 6.4 Thermal Information
    5. 6.5 Electrical Characteristics
    6. 6.6 Typical Characteristics
  7. Detailed Description
    1. 7.1 Overview
    2. 7.2 Functional Block Diagram
    3. 7.3 Feature Description
      1. 7.3.1 Protection
      2. 7.3.2 Programmable Feedback
    4. 7.4 Device Functional Modes
      1. 7.4.1 Normal Operation
      2. 7.4.2 Operation With Low Input Voltage
      3. 7.4.3 Operation at Light Loads
      4. 7.4.4 Operation in Self Protection
  8. Application and Implementation
    1. 8.1 Application Information
    2. 8.2 Typical Applications
      1. 8.2.1 Output Regulator
        1. 8.2.1.1 Design Requirements
        2. 8.2.1.2 Detailed Design Procedure
          1. 8.2.1.2.1 External Capacitors and Stability
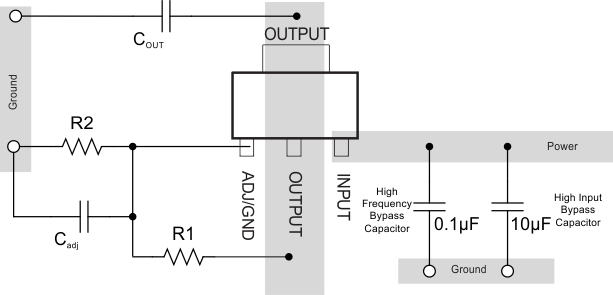
            1. 8.2.1.2.1.1 Input Bypass Capacitor
            2. 8.2.1.2.1.2 ADJUST Pin Bypass Capacitor
            3. 8.2.1.2.1.3 Output Capacitor
          2. 8.2.1.2.2 Output Voltage
          3. 8.2.1.2.3 Load Regulation
          4. 8.2.1.2.4 Protection Diodes
        3. 8.2.1.3 Application Curves
      2. 8.2.2 Other Application Circuits
  9. Power Supply Recommendations
  10. 10Layout
    1. 10.1 Layout Guidelines
    2. 10.2 Layout Example
    3. 10.3 Thermal Considerations
      1. 10.3.1 Heat Sink Requirements
  11. 11デバイスおよびドキュメントのサポート
    1. 11.1 ドキュメントのサポート
      1. 11.1.1 関連資料
    2. 11.2 ドキュメントの更新通知を受け取る方法
    3. 11.3 コミュニティ・リソース
    4. 11.4 商標
    5. 11.5 静電気放電に関する注意事項
    6. 11.6 用語集
  12. 12メカニカル、パッケージ、および注文情報

パッケージ・オプション

メカニカル・データ(パッケージ|ピン)
サーマルパッド・メカニカル・データ
発注情報

Layout

Layout Guidelines

  • TI recommends bypassing the input pin to ground with a bypass capacitor.
  • The optimum placement of the bypass capacitor is as close as possible to the input pin and the system ground. Take care to minimize the loop area formed by the bypass capacitor connection, the input pin, and the system GND.
  • TI recommends using wide trace lengths to eliminate I × R drop and heat dissipation.

Layout Example

LMS8117A layout_slvs297.gif Figure 25. SOT-223 Layout Example for LMS8117A Adjustable Version (Schematic View)
LMS8117A layout_snos487.gif Figure 26. TO-252 Layout Example for LMS8117A Adjustable Version (PCB View)

Thermal Considerations

Heat Sink Requirements

When an integrated circuit operates with an appreciable current, its junction temperature is elevated. It is important to quantify its thermal limits to achieve acceptable performance and reliability. This limit is determined by summing the individual parts consisting of a series of temperature rises from the semiconductor junction to the operating environment. A one-dimensional steady-state model of conduction heat transfer is demonstrated in Figure 27. The heat generated at the device junction flows through the die to the die attach pad, through the lead frame to the surrounding case material, to the printed-circuit board, and eventually to the ambient environment.

There are several variables that may affect the thermal resistance and in turn the need for a heat sink, which include the following.

Component variables (RθJC)

  • Leadframe size and material
  • Number of conduction pins
  • Die size
  • Die attach material
  • Molding compound size and material

Application variables (RθCA)

  • Mounting pad size, material, and location
  • Placement of mounting pad
  • PCB size and material
  • Traces length and width
  • Adjacent heat sources
  • Volume of air
  • Ambient temperature
  • Shape of mounting pad

LMS8117A cross_sectional_view_snos487.gif
The case temperature is measured at the point where the leads contact the mounted pad surface.
Figure 27. Cross-Sectional View of Integrated Circuit Mounted on a Printed-Circuit Board

The LMS8117A regulator has internal thermal shutdown to protect the device from overheating. Under all possible operating conditions, the junction temperature of the LMS8117A must be within 0°C to 125°C. A heat sink may be required depending on the maximum power dissipation and maximum ambient temperature of the application. To determine if a heat sink is required, the power dissipated by the regulator (PD) is calculated using Equation 6.

Equation 6. IIN = IL + IG
Equation 7. PD = (VIN – VOUT) × IL + (VIN × IG)

Figure 28 shows the voltages and currents which are present in the circuit.

LMS8117A power_dissipation_diagram_snos487.gif Figure 28. Power Dissipation Diagram

The next parameter which must be calculated is the maximum allowable temperature rise (TR(MAX)) in Equation 8.

Equation 8. TR(MAX) = TJ(MAX) – TA(MAX)

where

  • TJ(MAX) is the maximum allowable junction temperature (125°C)
  • TA(MAX) is the maximum ambient temperature encountered in the application

Using the calculated values for TR(MAX) and PD, the maximum allowable value for the junction-to-ambient thermal resistance (RθJA) can be calculated with Equation 9.

Equation 9. RθJA = TR(MAX) / PD

If the maximum allowable value for RθJA is found to be ≥61.4°C/W for SOT-223 package or ≥56.1°C/W for
TO-252 package, no heat sink is required because the package alone dissipates enough heat to satisfy these requirements. If the calculated value for RθJA falls below these limits, a heat sink is required.

As a design aid, Table 1 shows the value of the RθJA of SOT-223 and TO-252 for different heat sink area. The copper patterns that we used to measure these RθJA are shown Figure 29 and Figure 30. Figure 17 and Figure 18 reflect the same test results as what are in the Table 1.

Figure 19 and Figure 20 show the maximum allowable power dissipation versus ambient temperature for the SOT-223 and TO-252 device packages. Figure 21 and Figure 22 show the maximum allowable power dissipation versus copper area (in.2) for the SOT-223 and TO-252 device packages. For power enhancement techniques to be used with SOT-223 and TO-252 packages, see AN–1028 Maximum Power Enhancement Techniques for Power Packages (SNVA036).

Table 1. RθJA Different Heat Sink Area

LAYOUT COPPER AREA (in2) THERMAL RESISTANCE: RθJA (°C/W)
TOP SIDE(1) BOTTOM SIDE SOT-223 T0-252
1 0.0123 0 136 103
2 0.066 0 123 87
3 0.3 0 84 60
4 0.53 0 75 54
5 0.76 0 96 52
6 1 0 66 47
7 0 0.2 115 64
8 0 0.4 98 70
9 0 0.6 89 63
10 0 0.8 82 57
11 0 1 79 57
12 0.066 0.066 125 89
13 0.175 0.175 93 72
14 0.284 0.284 83 61
15 0.392 0.392 75 55
16 0.5 0.5 70 53
Tab of device is attached to top-side copper.
LMS8117A top_view_snos487.gif Figure 29. Top View of the Thermal Test Pattern in Actual Scale
LMS8117A bottom_view_snos487.gif Figure 30. Bottom View of the Thermal Test Pattern in Actual Scale