JAJSG93E September 2012 – September 2018 MSP430F6745 , MSP430F6746 , MSP430F6747 , MSP430F6748 , MSP430F6749 , MSP430F6765 , MSP430F6766 , MSP430F6767 , MSP430F6768 , MSP430F6769 , MSP430F6775 , MSP430F6776 , MSP430F6777 , MSP430F6778 , MSP430F6779
PRODUCTION DATA.
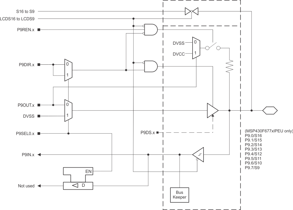
Figure 6-32 shows the port diagram. Table 6-91 summarizes the selection of the pin functions.
Figure 6-32 Port P9 (P9.0 to P9.7) Diagram (MSP430F677xIPEU Only) | PIN NAME (P9.x) | x | FUNCTION | CONTROL BITS OR SIGNALS(1) | ||
|---|---|---|---|---|---|
| P9DIR.x | P9SEL0.x | LCD16 to LCD9 | |||
| P9.0/S16 | 0 | P9.0 (I/O) | I:0; O:1 | 0 | 0 |
| N/A | 0 | 1 | 0 | ||
| DVSS | 1 | 1 | 0 | ||
| S16 | X | X | 1 | ||
| P9.1/S15 | 1 | P9.1 (I/O) | I:0; O:1 | 0 | 0 |
| N/A | 0 | 1 | 0 | ||
| DVSS | 1 | 1 | 0 | ||
| S15 | X | X | 1 | ||
| P9.2/S14 | 2 | P9.2 (I/O) | I:0; O:1 | 0 | 0 |
| N/A | 0 | 1 | 0 | ||
| DVSS | 1 | 1 | 0 | ||
| S14 | X | X | 1 | ||
| P9.3/S13 | 3 | P9.3 (I/O) | I:0; O:1 | 0 | 0 |
| N/A | 0 | 1 | 0 | ||
| DVSS | 1 | 1 | 0 | ||
| S13 | X | X | 1 | ||
| P9.4/S12 | 4 | P9.4 (I/O) | I:0; O:1 | 0 | 0 |
| N/A | 0 | 1 | 0 | ||
| DVSS | 1 | 1 | 0 | ||
| S12 | X | X | 1 | ||
| P9.5/S11 | 5 | P9.5 (I/O) | I:0; O:1 | 0 | 0 |
| N/A | 0 | 1 | 0 | ||
| DVSS | 1 | 1 | 0 | ||
| S11 | X | X | 1 | ||
| P9.6/S10 | 6 | P9.6 (I/O) | I:0; O:1 | 0 | 0 |
| N/A | 0 | 1 | 0 | ||
| DVSS | 1 | 1 | 0 | ||
| S10 | X | X | 1 | ||
| P9.7/S9 | 7 | P9.7 (I/O) | I:0; O:1 | 0 | 0 |
| N/A | 0 | 1 | 0 | ||
| DVSS | 1 | 1 | 0 | ||
| S9 | X | X | 1 | ||