JAJSG13G October   2012  – August 2018 MSP430FR5947 , MSP430FR59471 , MSP430FR5948 , MSP430FR5949 , MSP430FR5957 , MSP430FR5958 , MSP430FR5959 , MSP430FR5967 , MSP430FR5968 , MSP430FR5969 , MSP430FR59691

PRODUCTION DATA.  

  1. 1デバイスの概要
    1. 1.1 特長
    2. 1.2 アプリケーション
    3. 1.3 概要
    4. 1.4 機能ブロック図
  2. 2改訂履歴
  3. 3Device Comparison
    1. 3.1 Related Products
  4. 4Terminal Configuration and Functions
    1. 4.1 Pin Diagrams
    2. 4.2 Signal Descriptions
      1. Table 4-1 Signal Descriptions
    3. 4.3 Pin Multiplexing
    4. 4.4 Connection of Unused Pins
  5. 5Specifications
    1. 5.1  Absolute Maximum Ratings
    2. 5.2  ESD Ratings
    3. 5.3  Recommended Operating Conditions
    4. 5.4  Active Mode Supply Current Into VCC Excluding External Current
    5. 5.5  Typical Characteristics – Active Mode Supply Currents
    6. 5.6  Low-Power Mode (LPM0, LPM1) Supply Currents Into VCC Excluding External Current
    7. 5.7  Low-Power Mode (LPM2, LPM3, LPM4) Supply Currents (Into VCC) Excluding External Current
    8. 5.8  Low-Power Mode (LPM3.5, LPM4.5) Supply Currents (Into VCC) Excluding External Current
    9. 5.9  Typical Characteristics, Low-Power Mode Supply Currents
    10. 5.10 Typical Characteristics, Current Consumption per Module
    11. 5.11 Thermal Resistance Characteristics
    12. 5.12 Timing and Switching Characteristics
      1. 5.12.1  Power Supply Sequencing
        1. Table 5-1 Brownout and Device Reset Power Ramp Requirements
        2. Table 5-2 SVS
      2. 5.12.2  Reset Timing
        1. Table 5-3 Reset Input
      3. 5.12.3  Clock Specifications
        1. Table 5-4 Low-Frequency Crystal Oscillator, LFXT
        2. Table 5-5 High-Frequency Crystal Oscillator, HFXT
        3. Table 5-6 DCO
        4. Table 5-7 Internal Very-Low-Power Low-Frequency Oscillator (VLO)
        5. Table 5-8 Module Oscillator (MODOSC)
      4. 5.12.4  Wake-up Characteristics
        1. Table 5-9  Wake-up Times From Low-Power Modes and Reset
        2. Table 5-10 Typical Wake-up Charge
        3. 5.12.4.1   Typical Characteristics, Average LPM Currents vs Wake-up Frequency
      5. 5.12.5  Digital I/Os
        1. Table 5-11 Digital Inputs
        2. Table 5-12 Digital Outputs
        3. 5.12.5.1   Typical Characteristics, Digital Outputs at 3.0 V and 2.2 V
        4. Table 5-13 Pin-Oscillator Frequency, Ports Px
        5. 5.12.5.2   Typical Characteristics, Pin-Oscillator Frequency
      6. 5.12.6  Timer_A and Timer_B
        1. Table 5-14 Timer_A
        2. Table 5-15 Timer_B
      7. 5.12.7  eUSCI
        1. Table 5-16 eUSCI (UART Mode) Clock Frequency
        2. Table 5-17 eUSCI (UART Mode)
        3. Table 5-18 eUSCI (SPI Master Mode) Clock Frequency
        4. Table 5-19 eUSCI (SPI Master Mode)
        5. Table 5-20 eUSCI (SPI Slave Mode)
        6. Table 5-21 eUSCI (I2C Mode)
      8. 5.12.8  ADC
        1. Table 5-22 12-Bit ADC, Power Supply and Input Range Conditions
        2. Table 5-23 12-Bit ADC, Timing Parameters
        3. Table 5-24 12-Bit ADC, Linearity Parameters With External Reference
        4. Table 5-25 12-Bit ADC, Dynamic Performance for Differential Inputs With External Reference
        5. Table 5-26 12-Bit ADC, Dynamic Performance for Differential Inputs With Internal Reference
        6. Table 5-27 12-Bit ADC, Dynamic Performance for Single-Ended Inputs With External Reference
        7. Table 5-28 12-Bit ADC, Dynamic Performance for Single-Ended Inputs With Internal Reference
        8. Table 5-29 12-Bit ADC, Dynamic Performance With 32.768-kHz Clock
        9. Table 5-30 12-Bit ADC, Temperature Sensor and Built-In V1/2
        10. Table 5-31 12-Bit ADC, External Reference
      9. 5.12.9  Reference
        1. Table 5-32 REF, Built-In Reference
      10. 5.12.10 Comparator
        1. Table 5-33 Comparator_E
      11. 5.12.11 FRAM
        1. Table 5-34 FRAM
    13. 5.13 Emulation and Debug
      1. Table 5-35 JTAG and Spy-Bi-Wire Interface
  6. 6Detailed Description
    1. 6.1  Overview
    2. 6.2  CPU
    3. 6.3  Operating Modes
      1. 6.3.1 Peripherals in Low-Power Modes
        1. 6.3.1.1 Idle Currents of Peripherals in LPM3 and LPM4
    4. 6.4  Interrupt Vector Table and Signatures
    5. 6.5  Memory Organization
    6. 6.6  Bootloader (BSL)
    7. 6.7  JTAG Operation
      1. 6.7.1 JTAG Standard Interface
      2. 6.7.2 Spy-Bi-Wire Interface
    8. 6.8  FRAM
    9. 6.9  Memory Protection Unit Including IP Encapsulation
    10. 6.10 Peripherals
      1. 6.10.1  Digital I/O
      2. 6.10.2  Oscillator and Clock System (CS)
      3. 6.10.3  Power-Management Module (PMM)
      4. 6.10.4  Hardware Multiplier (MPY)
      5. 6.10.5  Real-Time Clock (RTC_B) (Only MSP430FR596x and MSP430FR594x)
      6. 6.10.6  Watchdog Timer (WDT_A)
      7. 6.10.7  System Module (SYS)
      8. 6.10.8  DMA Controller
      9. 6.10.9  Enhanced Universal Serial Communication Interface (eUSCI)
      10. 6.10.10 TA0, TA1
      11. 6.10.11 TA2, TA3
      12. 6.10.12 TB0
      13. 6.10.13 ADC12_B
      14. 6.10.14 Comparator_E
      15. 6.10.15 CRC16
      16. 6.10.16 AES256 Accelerator
      17. 6.10.17 True Random Seed
      18. 6.10.18 Shared Reference (REF)
      19. 6.10.19 Embedded Emulation
        1. 6.10.19.1 Embedded Emulation Module (EEM)
        2. 6.10.19.2 EnergyTrace++ Technology
      20. 6.10.20 Peripheral File Map
    11. 6.11 Input/Output Diagrams
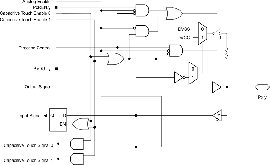
      1. 6.11.1  Capacitive Touch Functionality Ports P1, P2, P3, P4, and PJ
      2. 6.11.2  Port P1 (P1.0 to P1.2) Input/Output With Schmitt Trigger
      3. 6.11.3  Port P1 (P1.3 to P1.5) Input/Output With Schmitt Trigger
      4. 6.11.4  Port P1 (P1.6 and P1.7) Input/Output With Schmitt Trigger
      5. 6.11.5  Port P2 (P2.0 to P2.2) Input/Output With Schmitt Trigger
      6. 6.11.6  Port P2 (P2.3 and P2.4) Input/Output With Schmitt Trigger
      7. 6.11.7  Port P2 (P2.5 and P2.6) Input/Output With Schmitt Trigger
      8. 6.11.8  Port P2 (P2.7) Input/Output With Schmitt Trigger
      9. 6.11.9  Port P3 (P3.0 to P3.3) Input/Output With Schmitt Trigger
      10. 6.11.10 Port P3 (P3.4 to P3.7) Input/Output With Schmitt Trigger
      11. 6.11.11 Port P4 (P4.0 to P4.3) Input/Output With Schmitt Trigger
      12. 6.11.12 Port P4 (P4.4 to P4.7) Input/Output With Schmitt Trigger
      13. 6.11.13 Port PJ, PJ.4 and PJ.5 Input/Output With Schmitt Trigger
      14. 6.11.14 Port PJ (PJ.6 and PJ.7) Input/Output With Schmitt Trigger
      15. 6.11.15 Port PJ (PJ.0 to PJ.3) JTAG Pins TDO, TMS, TCK, TDI/TCLK, Input/Output With Schmitt Trigger
    12. 6.12 Device Descriptor (TLV)
    13. 6.13 Identification
      1. 6.13.1 Revision Identification
      2. 6.13.2 Device Identification
      3. 6.13.3 JTAG Identification
  7. 7Applications, Implementation, and Layout
    1. 7.1 Device Connection and Layout Fundamentals
      1. 7.1.1 Power Supply Decoupling and Bulk Capacitors
      2. 7.1.2 External Oscillator
      3. 7.1.3 JTAG
      4. 7.1.4 Reset
      5. 7.1.5 Unused Pins
      6. 7.1.6 General Layout Recommendations
      7. 7.1.7 Do's and Don'ts
    2. 7.2 Peripheral- and Interface-Specific Design Information
      1. 7.2.1 ADC12_B Peripheral
        1. 7.2.1.1 Partial Schematic
        2. 7.2.1.2 Design Requirements
        3. 7.2.1.3 Detailed Design Procedure
        4. 7.2.1.4 Layout Guidelines
  8. 8デバイスおよびドキュメントのサポート
    1. 8.1  使い始めと次の手順
    2. 8.2  デバイスの項目表記
    3. 8.3  ツールとソフトウェア
    4. 8.4  ドキュメントのサポート
    5. 8.5  関連リンク
    6. 8.6  Community Resources
    7. 8.7  商標
    8. 8.8  静電気放電に関する注意事項
    9. 8.9  Export Control Notice
    10. 8.10 Glossary
  9. 9メカニカル、パッケージ、および注文情報

パッケージ・オプション

メカニカル・データ(パッケージ|ピン)
サーマルパッド・メカニカル・データ
発注情報

Capacitive Touch Functionality Ports P1, P2, P3, P4, and PJ

All port pins provide the Capacitive Touch I/O functionality as shown in Figure 6-2. The Capacitive Touch I/O functionality is controlled using the Capacitive Touch I/O control registers CAPTIO0CTL and CAPTIO1CTL as described in the MSP430FR58xx, MSP430FR59xx, and MSP430FR6xx Family User's Guide. The Capacitive Touch I/O functionality is not shown in the individual pin diagrams in the following sections.

MSP430FR5969 MSP430FR59691 MSP430FR5968 MSP430FR5967 MSP430FR5959 MSP430FR5958 MSP430FR5957 MSP430FR5949 MSP430FR5948 MSP430FR5947 MSP430FR59471 capsio.gif

NOTE:

Functional representation only.
Figure 6-2 Capacitive Touch Diagram