JAJSFB8D January   2016  – Feburary 2019 MUX36D04 , MUX36S08

PRODUCTION DATA.  

  1. 特長
  2. アプリケーション
  3. 概要
    1.     Device Images
      1.      概略回路図
      2.      リーク電流と温度
  4. 改訂履歴
  5. 概要(続き)
  6. Device Comparison Table
  7. Pin Configuration and Functions
    1.     Pin Functions: MUX36S08
    2.     Pin Functions: MUX36D04
  8. Specifications
    1. 8.1 Absolute Maximum Ratings
    2. 8.2 ESD Ratings
    3. 8.3 Recommended Operating Conditions
    4. 8.4 Thermal Information
    5. 8.5 Electrical Characteristics: Dual Supply
    6. 8.6 Electrical Characteristics: Single Supply
    7. 8.7 Typical Characteristics
  9. Parameter Measurement Information
    1. 9.1  Truth Tables
    2. 9.2  On-Resistance
    3. 9.3  Off-Leakage Current
    4. 9.4  On-Leakage Current
    5. 9.5  Differential On-Leakage Current
    6. 9.6  Transition Time
    7. 9.7  Break-Before-Make Delay
    8. 9.8  Turn-On and Turn-Off Time
    9. 9.9  Charge Injection
    10. 9.10 Off Isolation
    11. 9.11 Channel-to-Channel Crosstalk
    12. 9.12 Bandwidth
    13. 9.13 THD + Noise
  10. 10Detailed Description
    1. 10.1 Overview
    2. 10.2 Functional Block Diagram
    3. 10.3 Feature Description
      1. 10.3.1 Ultralow Leakage Current
      2. 10.3.2 Ultralow Charge Injection
      3. 10.3.3 Bidirectional Operation
      4. 10.3.4 Rail-to-Rail Operation
    4. 10.4 Device Functional Modes
  11. 11Application and Implementation
    1. 11.1 Application Information
    2. 11.2 Typical Application
      1. 11.2.1 Design Requirements
      2. 11.2.2 Detailed Design Procedure
      3. 11.2.3 Application Curve
  12. 12Power Supply Recommendations
  13. 13Layout
    1. 13.1 Layout Guidelines
    2. 13.2 Layout Example
  14. 14デバイスおよびドキュメントのサポート
    1. 14.1 ドキュメントのサポート
      1. 14.1.1 関連資料
    2. 14.2 関連リンク
    3. 14.3 ドキュメントの更新通知を受け取る方法
    4. 14.4 コミュニティ・リソース
    5. 14.5 商標
    6. 14.6 静電気放電に関する注意事項
    7. 14.7 Glossary
  15. 15メカニカル、パッケージ、および注文情報

パッケージ・オプション

メカニカル・データ(パッケージ|ピン)
サーマルパッド・メカニカル・データ
発注情報

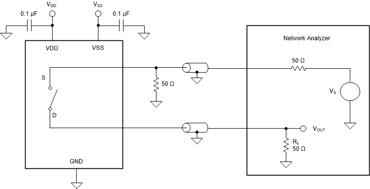
Off Isolation

Off isolation is defined as the voltage at the drain pin (D, DA, or DB) of the MUX36xxx when a 1-VRMS signal is applied to the source pin (Sx, SxA, or SxB) of an off-channel. Figure 34 shows the setup used to measure off isolation. Use Equation 2 to compute off isolation.

MUX36S08 MUX36D04 off_isolation_sbos705.gifFigure 34. Off Isolation Measurement Setup
Equation 2. MUX36S08 MUX36D04 q_off_iso_sbas758.gif