JAJSE79C June   2017  – October 2018 OPA1692

PRODUCTION DATA.  

  1. 特長
  2. アプリケーション
  3. 概要
    1.     Device Images
      1.      3線式エレクトレット・マイク用のプリアンプ
      2.      THD+Nと周波数との関係(3VRMS、2kΩの負荷)
  4. 改訂履歴
  5. Pin Configuration and Functions
    1.     Pin Functions: OPA1692
  6. Specifications
    1. 6.1 Absolute Maximum Ratings
    2. 6.2 ESD Ratings
    3. 6.3 Recommended Operating Conditions
    4. 6.4 Thermal Information: OPA1692
    5. 6.5 Electrical Characteristics
    6. 6.6 Typical Characteristics
  7. Detailed Description
    1. 7.1 Overview
    2. 7.2 Functional Block Diagram
    3. 7.3 Feature Description
      1. 7.3.1 Distortion Reduction
      2. 7.3.2 Phase Reversal Protection
      3. 7.3.3 Electrical Overstress
    4. 7.4 Device Functional Modes
      1. 7.4.1 Operating Voltage
  8. Application and Implementation
    1. 8.1 Application Information
      1. 8.1.1 Capacitive Loads
      2. 8.1.2 Noise Performance
      3. 8.1.3 Basic Noise Calculations
      4. 8.1.4 EMI Rejection
      5. 8.1.5 EMIRR +IN Test Configuration
    2. 8.2 Typical Application
      1. 8.2.1 Design Requirements
      2. 8.2.2 Detailed Design Procedure
      3. 8.2.3 Application Curves
    3. 8.3 Other Application Examples
      1. 8.3.1 Two-Wire Electret Microphone Preamplifier
      2. 8.3.2 Battery-Powered Preamplifier for Professional Microphones
  9. Power Supply Recommendations
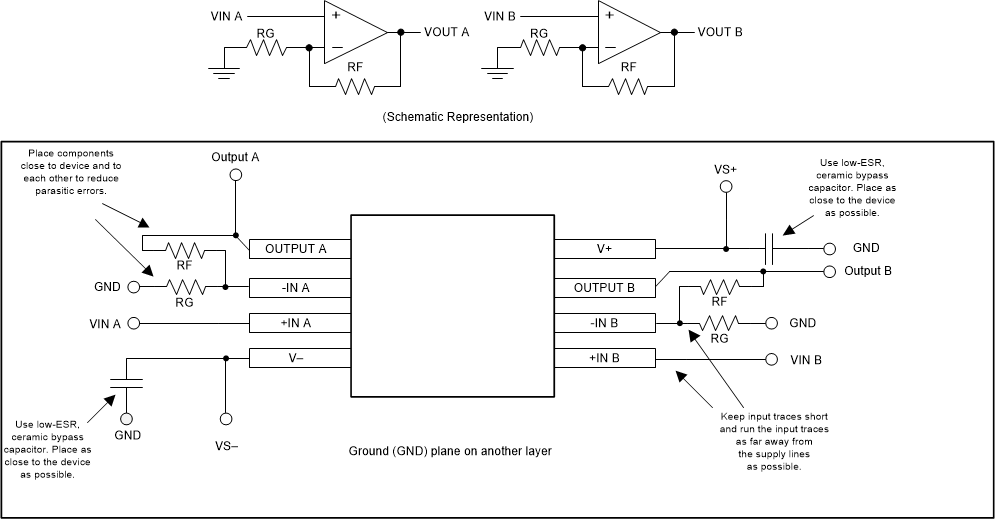
  10. 10Layout
    1. 10.1 Layout Guidelines
    2. 10.2 Layout Example
    3. 10.3 Power Dissipation
  11. 11デバイスおよびドキュメントのサポート
    1. 11.1 デバイス・サポート
      1. 11.1.1 開発サポート
        1. 11.1.1.1 TINA-TI™ (無料のダウンロード・ソフトウェア)
        2. 11.1.1.2 DIPアダプタ評価モジュール
        3. 11.1.1.3 ユニバーサル・オペアンプ評価モジュール
        4. 11.1.1.4 スマートアンプ・スピーカーの特性付け基板評価モジュール
        5. 11.1.1.5 TI Precision Designs
        6. 11.1.1.6 WEBENCH Filter Designer
    2. 11.2 ドキュメントのサポート
      1. 11.2.1 関連資料
    3. 11.3 関連リンク
    4. 11.4 ドキュメントの更新通知を受け取る方法
    5. 11.5 コミュニティ・リソース
    6. 11.6 商標
    7. 11.7 静電気放電に関する注意事項
    8. 11.8 Glossary
  12. 12メカニカル、パッケージ、および注文情報

パッケージ・オプション

メカニカル・データ(パッケージ|ピン)
サーマルパッド・メカニカル・データ
発注情報

Layout Example

OPA1692 layout_example_sbos477.gifFigure 64. Operational Amplifier Board Layout for Noninverting Configuration