JAJS197I November   2006  – July 2016 OPA827

PRODUCTION DATA.  

  1. 特長
  2. アプリケーション
  3. 概要
  4. 改訂履歴
  5. Pin Configuration and Functions
  6. Specifications
    1. 6.1 Absolute Maximum Ratings
    2. 6.2 ESD Ratings
    3. 6.3 Recommended Operating Conditions
    4. 6.4 Thermal Information
    5. 6.5 Electrical Characteristics
    6. 6.6 Typical Characteristics
  7. Detailed Description
    1. 7.1 Overview
    2. 7.2 Functional Block Diagram
    3. 7.3 Feature Description
      1. 7.3.1 Operating Voltage
      2. 7.3.2 Noise Performance
      3. 7.3.3 Basic Noise Calculations
      4. 7.3.4 Total Harmonic Distortion Measurements
      5. 7.3.5 Capacitive Load and Stability
      6. 7.3.6 Phase-Reversal Protection
      7. 7.3.7 Transimpedance Amplifier
        1. 7.3.7.1 Key Transimpedance Points
    4. 7.4 Device Functional Modes
  8. Application and Implementation
    1. 8.1 Application Information
    2. 8.2 Typical Application
      1. 8.2.1 Design Requirements
      2. 8.2.2 Detailed Design Procedure
      3. 8.2.3 Application Curve
    3. 8.3 System Examples
      1. 8.3.1 OPA827 Used as an I/V Converter
  9. Power Supply Recommendations
  10. 10Layout
    1. 10.1 Layout Guidelines
    2. 10.2 Layout Example
  11. 11デバイスおよびドキュメントのサポート
    1. 11.1 デバイス・サポート
      1. 11.1.1 デベロッパー・ネットワークの製品に関する免責事項
      2. 11.1.2 開発サポート
    2. 11.2 ドキュメントのサポート
      1. 11.2.1 関連資料
    3. 11.3 ドキュメントの更新通知を受け取る方法
    4. 11.4 コミュニティ・リソース
    5. 11.5 商標
    6. 11.6 静電気放電に関する注意事項
    7. 11.7 Glossary
  12. 12メカニカル、パッケージ、および注文情報

パッケージ・オプション

メカニカル・データ(パッケージ|ピン)
サーマルパッド・メカニカル・データ
発注情報

10 Layout

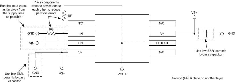
10.1 Layout Guidelines

For best operational performance of the device, use good PCB layout practices, including:

  • Noise can propagate into analog circuitry through the power pins of the circuit as a whole and op amp itself. Bypass capacitors are used to reduce the coupled noise by providing low-impedance power sources local to the analog circuitry.
    • Connect low-ESR, 0.1-µF ceramic bypass capacitors between each supply pin and ground, placed as close to the device as possible. A single bypass capacitor from V+ to ground is applicable for single-supply applications.
  • Separate grounding for analog and digital portions of circuitry is one of the simplest and most-effective methods of noise suppression. One or more layers on multilayer PCBs are usually devoted to ground planes. A ground plane helps distribute heat and reduces EMI noise pickup. Make sure to physically separate digital and analog grounds paying attention to the flow of the ground current.
  • To reduce parasitic coupling, run the input traces as far away from the supply or output traces as possible. If these traces cannot be kept separate, crossing the sensitive trace perpendicular is much better as opposed to in parallel with the noisy trace.
  • Place the external components as close to the device as possible. As illustrated in Figure 52, keeping RF and RG close to the inverting input minimizes parasitic capacitance.
  • Keep the length of input traces as short as possible. Always remember that the input traces are the most sensitive part of the circuit.
  • Consider a driven, low-impedance guard ring around the critical traces. A guard ring can significantly reduce leakage currents from nearby traces that are at different potentials.
  • For best performance, TI recommends cleaning the PCB following board assembly.
  • Any precision integrated circuit may experience performance shifts due to moisture ingress into the plastic package. Following any aqueous PCB cleaning process, TI recommends baking the PCB assembly to remove moisture introduced into the device packaging during the cleaning process. A low temperature, post cleaning bake at 85°C for 30 minutes is sufficient for most circumstances.

10.2 Layout Example

OPA827 layout_example_bos620.gif Figure 52. Operational Amplifier Board Layout for Noninverting Configuration