SCES852A December   2013  – April 2016 SN74AUP1T34-Q1

PRODUCTION DATA.  

  1. Features
  2. Applications
  3. Description
  4. Revision History
  5. Pin Configuration and Functions
  6. Specifications
    1. 6.1 Absolute Maximum Ratings
    2. 6.2 ESD Ratings
    3. 6.3 Recommended Operating Conditions
    4. 6.4 Thermal Information
    5. 6.5 AC Electrical Characteristics
    6. 6.6 Typical Characteristics
  7. Parameter Measurement Information
  8. Detailed Description
    1. 8.1 Overview
    2. 8.2 Functional Block Diagram
    3. 8.3 Feature Description
      1. 8.3.1 Fully Configurable Dual-Rail Design
      2. 8.3.2 Partial-Power-Down Mode Operation
      3. 8.3.3 VCC Isolation
      4. 8.3.4 Input Hysteresis
    4. 8.4 Device Functional Modes
  9. Application and Implementation
    1. 9.1 Application Information
    2. 9.2 Typical Application
      1. 9.2.1 Design Requirements
      2. 9.2.2 Detailed Design Procedure
      3. 9.2.3 Application Curve
  10. 10Power Supply Recommendations
  11. 11Layout
    1. 11.1 Layout Guidelines
    2. 11.2 Layout Example
  12. 12Device and Documentation Support
    1. 12.1 Community Resources
    2. 12.2 Trademarks
    3. 12.3 Electrostatic Discharge Caution
    4. 12.4 Glossary
  13. 13Mechanical, Packaging, and Orderable Information

パッケージ・オプション

メカニカル・データ(パッケージ|ピン)
サーマルパッド・メカニカル・データ
発注情報

6 Specifications

6.1 Absolute Maximum Ratings

over operating free-air temperature range (unless otherwise noted)
MIN MAX UNIT
VCCA, VCCB Supply voltage –0.3 4 V
VI Input voltage –0.5 4.6 V
VO Voltage applied to any output in the high-impedance or power-off state –0.5 4.6 V
Voltage applied to any output in the high or low state –0.5 4.6
IIK Input clamp current VI < 0 –50 mA
IOK Output clamp current VO < 0 –50 mA
IO Continuous output current ±50 mA
Continuous current through VCCA or GND ±100 mA
Tstg Storage temperature –65 150 °C

6.2 ESD Ratings

VALUE UNIT
V(ESD) Electrostatic discharge Human-body model (HBM), per ANSI/ESDA/JEDEC JS-001(1), Classification 3A 5000 V
Charged-device model (CDM), per JEDEC specification JESD22-C101(2), Classification C5 750
(1) JEDEC document JEP155 states that 500-V HBM allows safe manufacturing with a standard ESD control process.
(2) JEDEC document JEP157 states that 250-V CDM allows safe manufacturing with a standard ESD control process.

6.3 Recommended Operating Conditions

over operating free-air temperature range (unless otherwise noted)
PARAMETER TEST CONDITIONS VCCA VCCB MIN MAX UNIT
VCCA, VCCB Supply voltage 0.9 3.6 V
VIH High-level input voltage 0.9 V to 1.95 V 0.9 V to 1.95 V 0.65 × VCCA V
2.3 V to 2.7 V 0.9 V to 3.6 V 1.6
3 V to 3.6 V 0.9 V to 3.6 V 2
VIL Low-level input voltage 0.9 V 0.9 V to 1.95 V 0.3 × VCCA V
1 V to 1.95 V 0.9 V to 1.95 V 0.35 × VCCA
2.3 V to 2.7 V 0.9 V to 3.6 V 0.7
3 V to 3.6 V 0.9 V to 3.6 V 0.9
Δt/Δv Input transition rise or fall rate 3 V to 3.6 V 0.9 V to 3.6 V 200 ns/V
TA Operating free-air temperature –40 125 °C
VOH IOH = –100 µA VI = VIH 0.9 V to 3.6 V 0.9 V to 3.6 V VCCB – 0.2 V
IOH = –0.25 mA 0.9 V to 1 V 0.9 V to 1 V 0.75 × VCCB
IOH = –1.5 mA 1.2 V 1.2 V 1
IOH = –2 mA 1.65 V 1.65 V 1.32
IOH = –3 mA 2.3 V 2.3 V 1.9
IOH = –6 mA 3 V 3 V 2.72
VOL IOL = 100 µA VI = VIL 0.9 V to 3.6 V 0.9 V to 3.6 V 0.1 V
IOL = 0.25 mA 0.9 V to 1 V 0.9 V 1 V 0.1
IOL = 1.5 mA 1.2 V 1.2 V 0.3 × VCCB
IOL = 2 mA 1.65 V 1.65 V 0.31
IOL = 3 mA 2.3 V 2.3 V 0.31
IOL = 6 mA 3 V 3 V 0.31
II Control inputs VI = VCCA or GND 0.9 V to 3.6 V 0.9 V to 3.6 V ±1 µA
Ioff A or B port VI or VO = 0 to 3.6 V 0 V 0 V to 3.6 V ±5 µA
0 V to 3.6 V 0 V ±5
ICCA VI = VCCI or GND, IO = 0 mA 0.9 V to 3.6 V 0.9 V to 3.6 V 2.7 µA
0.9 V to 3.6 V VCCA 2
0 V 0 V to 3.6 V 1
0 V to 3.6 V 0 V 1
ICCB VI = VCCI or GND, IO = 0 mA 0.9 V to 3.6 V 0.9 V to 3.6 V 2.7 µA
0.9 V to 3.6 V VCCA 2
0 V 0 V to 3.6 V 1
0 V to 3.6 V 0 V 1
ICCA + ICCB VI = VCCI or GND, IO = 0 mA 0.9 V to 3.6 V 0.9 V to 3.6 V 5.4 µA
Cio A or B port 3.3 V 3.3 V 4 pF

6.4 Thermal Information

THERMAL METRIC(1) SN74AUP1T34-Q1 UNIT
DCK (SC70)
5 PINS
RθJA Junction-to-ambient thermal resistance 301.9 °C/W
RθJC(top) Junction-to-case (top) thermal resistance 113 °C/W
RθJB Junction-to-board thermal resistance 79.1 °C/W
ψJT Junction-to-top characterization parameter 3.9 °C/W
ψJB Junction-to-board characterization parameter 78.3 °C/W
(1) For more information about traditional and new thermal metrics, see the Semiconductor and IC Package Thermal Metrics application report, SPRA953.

6.5 AC Electrical Characteristics

over operating free-air temperature range (unless otherwise noted)
PARAMETER CL VCCA VCCB = 0.9 V VCCB = 1.2 V VCCB = 1.65 V VCCB = 2.3 V VCCB = 3 V UNIT
TYP MAX TYP MAX TYP MAX TYP MAX TYP MAX
tPLH/tPHL 5 pF 0.9 V 25 18 16.2 16.3 16.8 ns
5 pF 1.2 V 42.5 24.9 23.2 22.6 22.5
5 pF 1.65 V 40 10.7 8.84 8.08 7.88
5 pF 2.3 V 41.3 8.02 5.73 4.92 4.2
5 pF 3 V 42.5 7.61 4.5 3.65 3.39
tPLH/tPHL 10 pF 0.9 V 28.9 19.8 17.9 18 18.5 ns
10 pF 1.2 V 43.22 12.33 9.57 8.81 8.61
10 pF 1.65 V 40.44 9.21 6.57 5.6 4.73
10 pF 2.3 V 41.56 8.3 5.54 4.42 4.07
10 pF 3 V 42.81 7.87 4.8 3.8 3.36
tPLH/tPHL 15 pF 0.9 V 30.6 21.6 19.6 19.7 20.3 ns
15 pF 1.2 V 43.87 16.2 11.8 11 11
15 pF 1.65 V 40.78 14.7 8.8 7.1 6.4
15 pF 2.3 V 41.79 14.9 7.6 5.88 5.27
15 pF 3 V 43.09 16.2 6.98 5.4 4.7
tPLH/tPHL 30 pF 0.9 V 32.1 21.3 18.7 18 18.3 ns
30 pF 1.2 V 45.65 15.1 12.37 11.61 11.41
30 pF 1.65 V 41.72 12.18 8.15 6.94 6.1
30 pF 2.3 V 42.44 12.35 7.25 5.55 4.97
30 pF 3 V 43.69 11.6 6.92 4.95 4.35
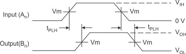
SN74AUP1T34-Q1 wave_ces841.gif
VMI =VIH/2; VMO= VCCB/2
tR = tF = 2.0 ns, 10% to 90%; f = 1 MHz; tW = 500 ns
Figure 1. Waveform 1 - Propagation Delays

6.6 Typical Characteristics

SN74AUP1T34-Q1 C001_SCES852.png Figure 2. Low Level Output Voltage vs Low Level Output Current