JAJSCG3 September   2016 TLV171 , TLV2171 , TLV4171

PRODUCTION DATA.  

  1. 特長
  2. アプリケーション
  3. 概要
  4. 改訂履歴
  5. Pin Configuration and Functions
  6. Specifications
    1. 6.1 Absolute Maximum Ratings
    2. 6.2 ESD Ratings
    3. 6.3 Recommended Operating Conditions
    4. 6.4 Thermal Information: TLV171
    5. 6.5 Thermal Information: TLV2171
    6. 6.6 Thermal Information: TLV4171
    7. 6.7 Electrical Characteristics
    8. 6.8 Typical Characteristics
  7. Detailed Description
    1. 7.1 Overview
    2. 7.2 Functional Block Diagram
    3. 7.3 Feature Description
      1. 7.3.1 Operating Characteristics
      2. 7.3.2 Phase-Reversal Protection
      3. 7.3.3 Electrical Overstress
      4. 7.3.4 Capacitive Load and Stability
    4. 7.4 Device Functional Modes
      1. 7.4.1 Common-Mode Voltage Range
      2. 7.4.2 Overload Recovery
  8. Application and Implementation
    1. 8.1 Application Information
    2. 8.2 Typical Application
      1. 8.2.1 Design Requirements
      2. 8.2.2 Detailed Design Procedure
      3. 8.2.3 Application Curve
  9. Power Supply Recommendations
  10. 10Layout
    1. 10.1 Layout Guidelines
    2. 10.2 Layout Example
  11. 11デバイスおよびドキュメントのサポート
    1. 11.1 デバイス・サポート
      1. 11.1.1 開発サポート
        1. 11.1.1.1 TINA-TI™ (無料のダウンロード・ソフトウェア)
        2. 11.1.1.2 DIPアダプタ評価モジュール
        3. 11.1.1.3 ユニバーサル・オペアンプ評価モジュール
        4. 11.1.1.4 TI Precision Designs
        5. 11.1.1.5 WEBENCHFilter Designer
    2. 11.2 ドキュメントのサポート
      1. 11.2.1 関連資料
    3. 11.3 関連リンク
    4. 11.4 ドキュメントの更新通知を受け取る方法
    5. 11.5 コミュニティ・リソース
    6. 11.6 商標
    7. 11.7 静電気放電に関する注意事項
    8. 11.8 Glossary
  12. 12メカニカル、パッケージ、および注文情報

パッケージ・オプション

メカニカル・データ(パッケージ|ピン)
サーマルパッド・メカニカル・データ
発注情報

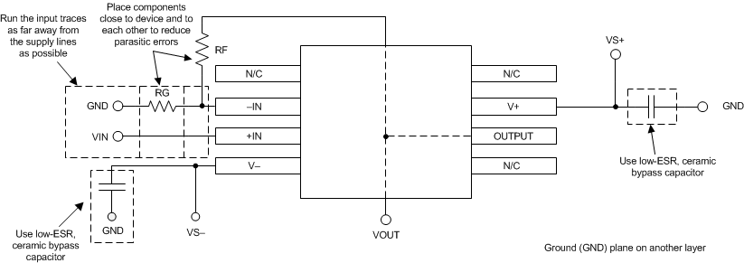
10 Layout

10.1 Layout Guidelines

For best operational performance of the device, use good printed-circuit board (PCB) layout practices, including:

  • Noise can propagate into analog circuitry through the power pins of the circuit as a whole and the operational amplifier itself. Bypass capacitors are used to reduce the coupled noise by providing low-impedance power sources local to the analog circuitry.
    • Connect low-ESR, 0.1-µF ceramic bypass capacitors between each supply pin and ground, placed as close to the device as possible. A single bypass capacitor from V+ to ground is applicable for single-supply applications.
  • Separate grounding for analog and digital portions of circuitry is one of the simplest and most-effective methods of noise suppression. One or more layers on multilayer PCBs are usually devoted to ground planes. A ground plane helps distribute heat and reduces EMI noise pickup. Make sure to physically separate digital and analog grounds, paying attention to the flow of the ground current.
  • In order to reduce parasitic coupling, run the input traces as far away from the supply or output traces as possible. If these traces cannot be kept separate, crossing the sensitive trace perpendicularly is much better than in parallel with the noisy trace.
  • Place the external components as close to the device as possible. As illustrated in Figure 34, keeping RF and RG close to the inverting input minimizes parasitic capacitance.
  • Keep the length of input traces as short as possible. Always remember that the input traces are the most sensitive part of the circuit.
  • Consider a driven, low-impedance guard ring around the critical traces. A guard ring can significantly reduce leakage currents from nearby traces that are at different potentials.

10.2 Layout Example

TLV171 TLV2171 TLV4171 layout_example_schematic_sbos782.gif Figure 33. Schematic Representation
TLV171 TLV2171 TLV4171 layout_example_bos620.gif Figure 34. Operational Amplifier Board Layout for a Noninverting Configuration