JAJSJA8E June   2020  – May 2024 TLV9020-Q1 , TLV9021-Q1 , TLV9022-Q1 , TLV9024-Q1 , TLV9030-Q1 , TLV9031-Q1 , TLV9032-Q1 , TLV9034-Q1

PRODMIX  

  1.   1
  2. 特長
  3. アプリケーション
  4. 概要
  5. ピン構成および機能
    1. 4.1 ピンの機能:TLV90x0-Q1 および TLV90x1-Q1 シングル
    2.     ピンの機能:TLV90x2-Q1 デュアル
    3.     ピンの機能:TLV90x4-Q1 クワッド
  6. 仕様
    1. 5.1  絶対最大定格
    2. 5.2  ESD 定格
    3. 5.3  推奨動作条件
    4. 5.4  熱に関する情報、TLV90x0-Q1、TLV90x1-Q1
    5. 5.5  熱に関する情報、TLV90x2-Q1
    6. 5.6  熱に関する情報、TLV90x4-Q1
    7. 5.7  電気的特性、TLV90x0-Q1、TLV90x1-Q1
    8. 5.8  スイッチング特性、TLV90x0-Q1、TLV90x1-Q1
    9. 5.9  電気的特性、TLV90x2-Q1
    10. 5.10 スイッチング特性、TLV90x2-Q1
    11. 5.11 電気的特性、TLV90x4-Q1
    12. 5.12 スイッチング特性、TLV90x4-Q1
    13. 5.13 代表的特性
  7. 詳細説明
    1. 6.1 概要
    2. 6.2 機能ブロック図
    3. 6.3 機能説明
    4. 6.4 デバイスの機能モード
      1. 6.4.1 出力
        1. 6.4.1.1 TLV9022-Q1 および TLV9024-Q1 のオープン ドレイン出力
        2. 6.4.1.2 TLV9032-Q1 および TLV9034-Q1 のプッシュプル出力
      2. 6.4.2 パワーオン・リセット (POR)
      3. 6.4.3 入力
        1. 6.4.3.1 レール ツー レール入力
        2. 6.4.3.2 フォルト トレラント入力
        3. 6.4.3.3 入力保護
      4. 6.4.4 ESD 保護
      5. 6.4.5 未使用入力
      6. 6.4.6 ヒステリシス
  8. アプリケーションと実装
    1. 7.1 アプリケーション情報
      1. 7.1.1 基本的なコンパレータの定義
        1. 7.1.1.1 動作
        2. 7.1.1.2 伝搬遅延
        3. 7.1.1.3 オーバードライブ電圧
      2. 7.1.2 ヒステリシス
        1. 7.1.2.1 ヒステリシス付きの反転コンパレータ
        2. 7.1.2.2 ヒステリシス付きの非反転コンパレータ
        3. 7.1.2.3 オープン・ドレイン出力を使用した反転 / 非反転ヒステリシス
    2. 7.2 代表的なアプリケーション
      1. 7.2.1 ウィンドウ・コンパレータ
        1. 7.2.1.1 設計要件
        2. 7.2.1.2 詳細な設計手順
        3. 7.2.1.3 アプリケーション曲線
      2. 7.2.2 方形波発振器
        1. 7.2.2.1 設計要件
        2. 7.2.2.2 詳細な設計手順
        3. 7.2.2.3 アプリケーション曲線
      3. 7.2.3 可変パルス幅ジェネレータ
      4. 7.2.4 時間遅延ジェネレータ
      5. 7.2.5 ロジック レベル シフタ
      6. 7.2.6 ワンショット・マルチバイブレータ
      7. 7.2.7 双安定マルチバイブレータ
      8. 7.2.8 ゼロ交差検出器
      9. 7.2.9 パルス・スライサ
    3. 7.3 電源に関する推奨事項
  9. レイアウト
    1. 8.1 レイアウトのガイドライン
    2. 8.2 レイアウト例
  10. デバイスおよびドキュメントのサポート
    1. 9.1 ドキュメントのサポート
      1. 9.1.1 関連資料
    2. 9.2 ドキュメントの更新通知を受け取る方法
    3. 9.3 サポート・リソース
    4. 9.4 商標
    5. 9.5 静電気放電に関する注意事項
    6. 9.6 用語集
  11. 10改訂履歴
  12. 11メカニカル、パッケージ、および注文情報

パッケージ・オプション

メカニカル・データ(パッケージ|ピン)
サーマルパッド・メカニカル・データ
発注情報

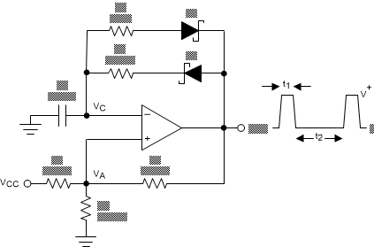
可変パルス幅ジェネレータ

図 7-12 は、パルス幅を調整できる方形波発振器のバリエーションです。

R4 と R5 は、出力の状態に応じて、コンデンサ C の充電パスと放電パスを提供します。

TLV9020-Q1 TLV9021-Q1 TLV9022-Q1 TLV9024-Q1  TLV9030-Q1 TLV9031-Q1 TLV9032-Q1 TLV9034-Q1 可変パルス幅ジェネレータ図 7-12 可変パルス幅ジェネレータ

出力が High のとき、充電パスは R5 および D2 によって設定されます。同様に、出力が Low のとき、コンデンサの放電パスは R4 および D1 によって設定されます。

パルス幅 t1 は、R5 と C の RC 時定数によって決定されます。したがって、パルス間の時間 t2 は R4 を変化させることで変更でき、パルス幅は R5 によって変更できます。出力の周波数は、R4 と R5 の両方を変化させることで変更できます。低電圧時には、計算の中で出力 High および Low 電圧を変更することにより、ダイオードの順方向電圧降下 (0.8V、ショットキーの場合は 0.15V) の影響を考慮に入れる必要があります。