JAJS397F August 2009 – July 2016 TPA3111D1
PRODUCTION DATA.
NOTE
Information in the following applications sections is not part of the TI component specification, and TI does not warrant its accuracy or completeness. TI’s customers are responsible for determining suitability of components for their purposes. Customers should validate and test their design implementation to confirm system functionality.
The TPA3111D1 is designed for use in stereo speakers like in televisions, monitors and laptops, and consumer audio equipment. The TPA3111D1 can either be configured in stereo or mono mode, depending on output power conditions. Depending on output power requirements and necessity for (speaker) load protection, the built-in PLIMIT circuit can be used to control system power.
For this design example, use the parameters listed in Table 4 as the input parameters.
| PARAMETER | EXAMPLE VALUE |
|---|---|
| Input voltage range PVDD | 8 V to 26 V |
| Ferrite bead + capacitor | 120 Ω to 600 Ω at 1 MHz + 1 nF / 2.2 nF |
Using the Advanced Emissions Suppression Technology in the TPA3111D1 amplifier it is possible to design a high efficiency, Class-D audio amplifier while minimizing interference to surrounding circuits. it is also possible to accomplish this with only a low-cost ferrite bead filter. Carefully select the ferrite bead used in the filter.
One important aspect of the ferrite bead selection is the type of material used in the ferrite bead. Not all ferrite material is alike, so it is important to select a material that is effective in the 10 MHz to 100 MHz range which is key to the operation of the Class-D amplifier. Many of the specifications regulating consumer electronics have emissions limits as low as 30 MHz. It is important to use the ferrite bead filter to block radiation in the 30 MHz and above range from appearing on the speaker wires and the power supply lines which are good antennas for these signals. The impedance of the ferrite bead can be used along with a small capacitor, approximately 1000 pF, to reduce the frequency spectrum of the signal to an acceptable level. For best performance, the resonant frequency of the ferrite bead and capacitor filter must be less than 10 MHz.
The ferrite bead must be large enough to maintain its impedance at the peak currents expected for the amplifier. Some ferrite bead manufacturers specify the bead impedance at a variety of current levels. It is possible to make sure the ferrite bead maintains an adequate amount of impedance at the peak current the amplifier receives. If these specifications are not available, it is also possible to estimate the bead current handling capability by measuring the resonant frequency of the filter output at very low power and at maximum power. A change of resonant frequency of less than 50% under this condition is desirable.
A high-quality ceramic capacitor is also required for the ferrite bead filter. A low-ESR capacitor with good temperature and voltage characteristics works best.
Additional EMC improvements may be obtained by adding snubber networks from each of the Class-D outputs to ground. Suggested values for a simple RC series snubber network would be 10 Ω in series with a 330-pF capacitor. However, design of the snubber network is specific to every application and the design must take into account the parasitic reactance of the printed-circuit board as well as the audio amp. Evaluate the stress on the component in the snubber network, especially if the amp is running at high PVCC. Also, make sure the layout of the snubber network is tight and returns directly to the PGND or the PowerPad beneath the chip.
The main reason that the traditional Class-D amplifier requires an output filter is that the switching waveform results in maximum current flow. This causes more loss in the load, which causes lower efficiency. The ripple current is large for the traditional modulation scheme, because the ripple current is proportional to voltage multiplied by the time at that voltage. The differential voltage swing is 2 × VCC, and the time at each voltage is half the period for the traditional modulation scheme. An ideal LC filter is required to store the ripple current from each half cycle for the next half cycle, while any resistance causes power dissipation. The speaker is both resistive and reactive, whereas an LC filter is almost purely reactive.
The TPA3111D1 modulation scheme has little loss in the load without a filter because the pulses are short and the change in voltage is VCC instead of 2 × VCC. As the output power increases, the pulses widen, making the ripple current larger. Ripple current could be filtered with an LC filter for increased efficiency, but for most applications the filter is not required.
An LC filter with a cutoff frequency less than the Class-D switching frequency allows the switching current to flow through the filter instead of the load. The filter has less resistance but higher impedance at the switching frequency than the speaker, which results in less power dissipation, therefore increasing efficiency.
The TPA3111D1 has been tested with a simple ferrite bead filter for a variety of applications including long speaker wires up to 125 cm and high power. The TPA3111D1EVM passes FCC Class-B specifications under these conditions using twisted speaker wires. The size and type of ferrite bead can be selected to meet application requirements. The filter capacitor can also be increased if necessary with some impact on efficiency.
There may be a few circuit instances where it is necessary to add a complete LC reconstruction filter. These circumstances might occur if there are nearby circuits which are very sensitive to noise. In these cases a classic second order Butterworth filter similar to those shown in Figure 18, Figure 19, and Figure 20 can be used.
Figure 18. Typical LC Output Filter, Cutoff Frequency of 27 kHz, Speaker Impedance = 8 Ω
Figure 19. Typical LC Output Filter, Cutoff Frequency of 27 kHz, Speaker Impedance = 4 Ω
Figure 20. Typical Ferrite Chip Bead Filter
Changing the gain setting can vary the input resistance of the amplifier from its smallest value, 9 kΩ ±20%, to the largest value, 60 kΩ ±20%. As a result, if a single capacitor is used in the input high-pass filter, the –3-dB or cutoff frequency may change when changing gain steps.
The –3-dB frequency can be calculated using Equation 2. Use the ZI values given in Table 1.

In the typical application, an input capacitor (CI) is required to allow the amplifier to bias the input signal to the proper DC level for optimum operation. In this case, CI and the input impedance of the amplifier (ZI) form a high-pass filter with the corner frequency determined in Equation 3.

The value of CI is important, as it directly affects the bass (low-frequency) performance of the circuit. Consider the example where ZI is 60 kΩ and the specification calls for a flat bass response down to 20 Hz. Equation 3 is reconfigured as Equation 4.

In this example, CI is 0.13 µF; so, a value of 0.15 µF would likely be chosen. If the gain is known and is constant, use ZI from Table 1 to calculate CI. A further consideration for this capacitor is the leakage path from the input source through the input network (CI) and the feedback network to the load. This leakage current creates a DC-offset voltage at the input to the amplifier that reduces useful headroom, especially in high-gain applications. For this reason, a low-leakage tantalum or ceramic capacitor is the best choice. If a ceramic capacitor is used, use a high-quality capacitor with good temperature and voltage coefficient. An X7R type works well and if possible use a higher voltage rating than required. This gives a better capacitance versus voltage characteristic. When polarized capacitors are used, the positive side of the capacitor must face the amplifier input in most applications as the DC level there is held at 3 V, which is likely higher than the source DC level. It is important to confirm the capacitor polarity in the application. Additionally, lead-free solder can create DC-offset voltages and it is important to ensure that boards are cleaned properly.
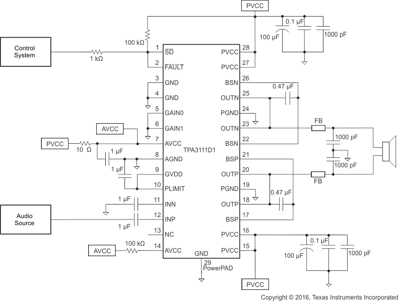
The full H-bridge output stage uses only NMOS transistors. Therefore, they require bootstrap capacitors for the high side of each output to turn on correctly. A 470-nF ceramic capacitor, rated for at least 16 V, must be connected from each output to its corresponding bootstrap input. Specifically, one 470-nF capacitor must be connected from OUTP to BSP, and one 470-nF capacitor must be connected from OUTN to BSN. See アプリケーション概略図.
The bootstrap capacitors connected between the BSx pins and corresponding output function as a floating power supply for the high-side N-channel power MOSFET gate drive circuitry. During each high-side switching cycle, the bootstrap capacitors hold the gate-to-source voltage high enough to keep the high-side MOSFETs turned on.
The differential input stage of the amplifier cancels any noise that appears on both input lines of the channel. To use the TPA3111D1 with a differential source, connect the positive lead of the audio source to the INP input and the negative lead from the audio source to the INN input. To use the TPA3111D1 with a single-ended source, AC ground the INP or INN input through a capacitor equal in value to the input capacitor on INN or INP and apply the audio source to either input. In a single-ended input application, the unused input must be AC grounded at the audio source instead of at the device input for best noise performance. For good transient performance, the impedance at each of the two differential inputs must be the same.
The impedance at the inputs must be limited to an RC time constant of 1 ms or less if possible. This is to allow the input DC-blocking capacitors to become completely charged during the 14-ms power-up time. If the input capacitors are not allowed to completely charge, there is some additional sensitivity to component matching which can result in pop if the input components are not well matched.
A real, as opposed to ideal, capacitor can be modeled simply as a resistor in series with an ideal capacitor. The voltage drop across this resistor minimizes the beneficial effects of the capacitor in the circuit. The lower the equivalent value of this resistance, the more the real capacitor behaves like an ideal capacitor.
| Gain = 20 dB | VCC = 12 V | ZL = 8 Ω + 66 µH |
| Gain = 20 dB | VCC = 12 V | ZL = 8 Ω + 33 µH |
| Gain = 20 dB | VCC = 24 V | ZL = 8 Ω + 66 µH |