JAJSFN2 June   2018 TPD8S300A

PRODUCTION DATA.  

  1. 特長
  2. アプリケーション
  3. 概要
    1.     CCおよびSBUの過電圧保護
    2.     CCおよびDP/DMの過電圧保護
  4. 改訂履歴
  5. 概要(続き)
  6. Device Comparison Table
  7. Pin Configuration and Functions
    1.     Pin Functions
  8. Specifications
    1. 8.1 Absolute Maximum Ratings
    2. 8.2 ESD Ratings—JEDEC Specification
    3. 8.3 ESD Ratings—IEC Specification
    4. 8.4 Recommended Operating Conditions
    5. 8.5 Thermal Information
    6. 8.6 Electrical Characteristics
    7. 8.7 Timing Requirements
    8. 8.8 Typical Characteristics
  9. Detailed Description
    1. 9.1 Overview
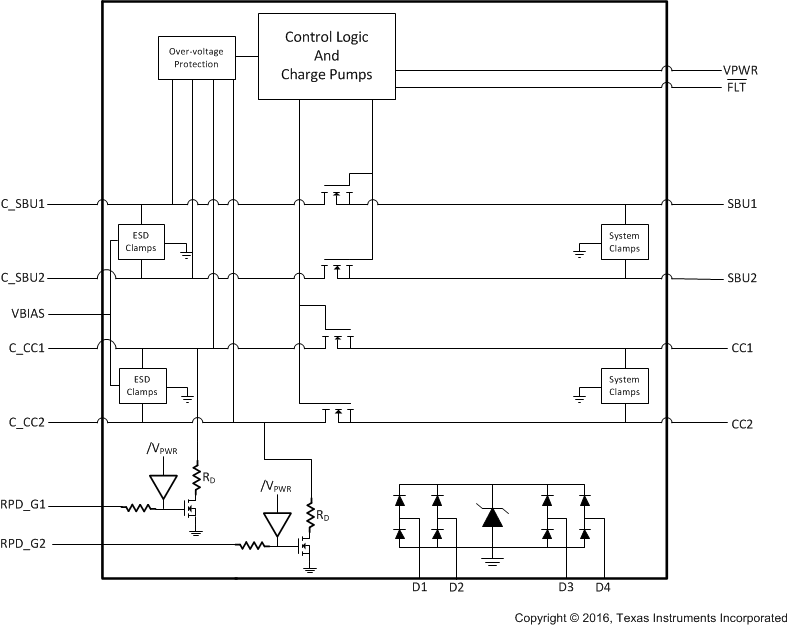
    2. 9.2 Functional Block Diagram
    3. 9.3 Feature Description
      1. 9.3.1 4-Channels of Short-to-VBUS Overvoltage Protection (CC1, CC2, SBU1, SBU2 Pins or CC1, CC2, DP, DM Pins): 24-VDC Tolerant
      2. 9.3.2 8-Channels of IEC 61000-4-2 ESD Protection (CC1, CC2, SBU1, SBU2, DP_T, DM_T, DP_B, DM_B Pins)
      3. 9.3.3 CC1, CC2 Overvoltage Protection FETs 600 mA Capable for Passing VCONN Power
      4. 9.3.4 CC Dead Battery Resistors Integrated for Handling the Dead Battery Use Case in Mobile Devices
      5. 9.3.5 Advantages over TPD8S300
        1. 9.3.5.1 Improved Dead Battery Performance
        2. 9.3.5.2 USB Type-C Port Stays Connected during an IEC 61000-4-2 ESD Strike
      6. 9.3.6 3-mm × 3-mm WQFN Package
    4. 9.4 Device Functional Modes
  10. 10Application and Implementation
    1. 10.1 Application Information
    2. 10.2 Typical Application
      1. 10.2.1 Design Requirements
      2. 10.2.2 Detailed Design Procedure
        1. 10.2.2.1 VBIAS Capacitor Selection
        2. 10.2.2.2 Dead Battery Operation
        3. 10.2.2.3 CC Line Capacitance
        4. 10.2.2.4 Additional ESD Protection on CC and SBU Lines
        5. 10.2.2.5 FLT Pin Operation
        6. 10.2.2.6 How to Connect Unused Pins
      3. 10.2.3 Application Curves
  11. 11Power Supply Recommendations
  12. 12Layout
    1. 12.1 Layout Guidelines
    2. 12.2 Layout Example
  13. 13デバイスおよびドキュメントのサポート
    1. 13.1 ドキュメントのサポート
      1. 13.1.1 関連資料
    2. 13.2 ドキュメントの更新通知を受け取る方法
    3. 13.3 コミュニティ・リソース
    4. 13.4 商標
    5. 13.5 静電気放電に関する注意事項
    6. 13.6 Glossary
  14. 14メカニカル、パッケージ、および注文情報

パッケージ・オプション

メカニカル・データ(パッケージ|ピン)
サーマルパッド・メカニカル・データ
発注情報

Functional Block Diagram

TPD8S300A TPD8S300_Functional_Block_6.gif