JAJSCO2 November   2016 TPS25810-Q1

PRODUCTION DATA.  

  1. 特長
  2. アプリケーション
  3. 概要
  4. 改訂履歴
  5. Pin Configuration and Functions
  6. Specifications
    1. 6.1 Absolute Maximum Ratings
    2. 6.2 ESD Ratings
    3. 6.3 Recommended Operating Conditions
    4. 6.4 Thermal Information
    5. 6.5 Electrical Characteristics
    6. 6.6 Switching Characteristics
    7. 6.7 Typical Characteristics
  7. Detailed Description
    1. 7.1 Overview
      1. 7.1.1 USB Type-C Basic
      2. 7.1.2 Configuration Channel
      3. 7.1.3 Detecting a Connection
    2. 7.2 Functional Block Diagram
    3. 7.3 Feature Description
      1. 7.3.1 Configuration Channel Pins CC1 and CC2
      2. 7.3.2 Current Capability Advertisement and Overload Protection
      3. 7.3.3 Undervoltage Lockout (UVLO)
        1. 7.3.3.1  Device Power Pins (IN1, IN2, AUX, OUT, and GND)
        2. 7.3.3.2  FAULT Response
        3. 7.3.3.3  Thermal Shutdown
        4. 7.3.3.4  REF
        5. 7.3.3.5  Audio Accessory Detection
        6. 7.3.3.6  Debug Accessory Detection
        7. 7.3.3.7  Plug Polarity Detection
        8. 7.3.3.8  Device Enable Control
        9. 7.3.3.9  Load Detect
        10. 7.3.3.10 Power Wake
        11. 7.3.3.11 Port Power Management (PPM)
        12. 7.3.3.12 Implementing PPM in a System With Two Type-C Ports
        13. 7.3.3.13 PPM Operation
    4. 7.4 Device Functional Modes
  8. Application and Implementation
    1. 8.1 Application Information
    2. 8.2 Typical Applications
      1. 8.2.1 Type-C DFP Port Implementation Without BC 1.2 Support
        1. 8.2.1.1 Design Requirements
          1. 8.2.1.1.1 Input and Output Capacitance
        2. 8.2.1.2 Detailed Design Procedure
        3. 8.2.1.3 Application Curves
      2. 8.2.2 Type-C DFP Port Implementation With BC 1.2 (DCP Mode) Support
        1. 8.2.2.1 Design Requirements
        2. 8.2.2.2 Detailed Design Procedure
        3. 8.2.2.3 Application Curves
  9. Power Supply Recommendations
  10. 10Layout
    1. 10.1 Layout Guidelines
    2. 10.2 Layout Example
  11. 11デバイスおよびドキュメントのサポート
    1. 11.1 デバイス・サポート
      1. 11.1.1 デベロッパー・ネットワークの製品に関する免責事項
    2. 11.2 ドキュメントのサポート
      1. 11.2.1 関連資料
    3. 11.3 ドキュメントの更新通知を受け取る方法
    4. 11.4 コミュニティ・リソース
    5. 11.5 商標
    6. 11.6 静電気放電に関する注意事項
    7. 11.7 用語集
  12. 12メカニカル、パッケージ、および注文情報

パッケージ・オプション

メカニカル・データ(パッケージ|ピン)
サーマルパッド・メカニカル・データ
発注情報

特長

  • USB Type-C Rev. 1.2互換DFPコントローラ
  • コネクタの取り付け/取り外し検出
  • CC上でSTD、1.5A、または3Aをアドバタイズ
  • 超高速な極性判断
  • VBUSの印加および放電
  • E-Markedケーブルに対するVCONNの印加
  • オーディオおよびデバッグ・アクセサリの識別
  • ポート非接続時0.7µA (標準) IDDQ
  • 3つの入力電源オプション
    • IN1: USB充電供給
    • IN2: VCONN電源
    • AUX: デバイス電源
  • パワー・ウェイクにより、システム休止状態(S4)およびOFF (S5)の電源状態で低消費電力を実現
  • 34mΩ (標準)ハイサイドMOSFET
  • プログラム可能な1.7Aまたは3.4A ILIM (±7.1%)
  • 複数ポート間の電源リソース最適化を実現するポート電力管理
  • パッケージ: 20ピンWQFN (3 x 4) (1)
CCピンはIEC-61000-4-2定格
CCピンはIEC-61000-4-2定格

アプリケーション

  • 車載インフォテインメント システム
  • 車載バックシートUSB充電

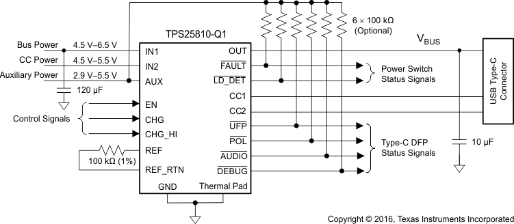
概要

TPS25810-Q1デバイスは、3A定格のUSB電源スイッチを内蔵するUSB Type-Cダウンストリーム側ポート(DFP)コントローラです。TPS25810-Q1デバイスは、Type-C構成チャネル(CC)ラインをモニタして、USBデバイスの取り付けを検知します。アップストリーム側ポート(UFP)デバイスが取り付けられると、TPS25810-Q1デバイスは、VBUSに電力を供給しながら、パススルーCCラインを経由して、選択可能なVBUS電流ソース能力をUFPに通知します。UFPをE-Markedケーブルで接続した場合は、ケーブルCCピンにVCONN電力も供給します。TPS25810-Q1デバイスは、Type-Cオーディオまたはデバッグ・アクセサリの取り付けも検知します。

何もデバイスが取り付けられていない場合のTPS25810-Q1デバイスの消費電流は0.7µA未満(標準)です。UFPが取り付けられていない場合、UFP出力で高電力5V電源を無効にすることにより、S4およびS5システム電源状態において、さらなる節電効果が得られます。このモードでは、デバイスは外部電源(AUX)で動作できます。外部電源としては、一般に低電力状態(S4およびS5)でシステム・マイコンに給電する、低電圧電源(3.3V)を使用できます。

TPS25810-Q1の34mΩ電源スイッチには、Type‑Cの電流レベルと整合する2つの選択可能な固定電流制限があります。FAULT出力は、スイッチが過電流または過熱状態のときに信号を発します。LD_DET出力は、すべてのポートが同時に高電流(3A)を供給することができない環境において、複数の高電流Type-Cポートへの電力管理を行います。

製品情報(1)

型番 パッケージ 本体サイズ(公称)
TPS25810-Q1 WQFN (20) 3.00mm×4.00mm
  1. 提供されているすべてのパッケージについては、巻末の注文情報を参照してください。

概略回路図

TPS25810-Q1 simp_schem_SLVSD95.gif