JAJSCO2 November   2016 TPS25810-Q1

PRODUCTION DATA.  

  1. 特長
  2. アプリケーション
  3. 概要
  4. 改訂履歴
  5. Pin Configuration and Functions
  6. Specifications
    1. 6.1 Absolute Maximum Ratings
    2. 6.2 ESD Ratings
    3. 6.3 Recommended Operating Conditions
    4. 6.4 Thermal Information
    5. 6.5 Electrical Characteristics
    6. 6.6 Switching Characteristics
    7. 6.7 Typical Characteristics
  7. Detailed Description
    1. 7.1 Overview
      1. 7.1.1 USB Type-C Basic
      2. 7.1.2 Configuration Channel
      3. 7.1.3 Detecting a Connection
    2. 7.2 Functional Block Diagram
    3. 7.3 Feature Description
      1. 7.3.1 Configuration Channel Pins CC1 and CC2
      2. 7.3.2 Current Capability Advertisement and Overload Protection
      3. 7.3.3 Undervoltage Lockout (UVLO)
        1. 7.3.3.1  Device Power Pins (IN1, IN2, AUX, OUT, and GND)
        2. 7.3.3.2  FAULT Response
        3. 7.3.3.3  Thermal Shutdown
        4. 7.3.3.4  REF
        5. 7.3.3.5  Audio Accessory Detection
        6. 7.3.3.6  Debug Accessory Detection
        7. 7.3.3.7  Plug Polarity Detection
        8. 7.3.3.8  Device Enable Control
        9. 7.3.3.9  Load Detect
        10. 7.3.3.10 Power Wake
        11. 7.3.3.11 Port Power Management (PPM)
        12. 7.3.3.12 Implementing PPM in a System With Two Type-C Ports
        13. 7.3.3.13 PPM Operation
    4. 7.4 Device Functional Modes
  8. Application and Implementation
    1. 8.1 Application Information
    2. 8.2 Typical Applications
      1. 8.2.1 Type-C DFP Port Implementation Without BC 1.2 Support
        1. 8.2.1.1 Design Requirements
          1. 8.2.1.1.1 Input and Output Capacitance
        2. 8.2.1.2 Detailed Design Procedure
        3. 8.2.1.3 Application Curves
      2. 8.2.2 Type-C DFP Port Implementation With BC 1.2 (DCP Mode) Support
        1. 8.2.2.1 Design Requirements
        2. 8.2.2.2 Detailed Design Procedure
        3. 8.2.2.3 Application Curves
  9. Power Supply Recommendations
  10. 10Layout
    1. 10.1 Layout Guidelines
    2. 10.2 Layout Example
  11. 11デバイスおよびドキュメントのサポート
    1. 11.1 デバイス・サポート
      1. 11.1.1 デベロッパー・ネットワークの製品に関する免責事項
    2. 11.2 ドキュメントのサポート
      1. 11.2.1 関連資料
    3. 11.3 ドキュメントの更新通知を受け取る方法
    4. 11.4 コミュニティ・リソース
    5. 11.5 商標
    6. 11.6 静電気放電に関する注意事項
    7. 11.7 用語集
  12. 12メカニカル、パッケージ、および注文情報

パッケージ・オプション

メカニカル・データ(パッケージ|ピン)
サーマルパッド・メカニカル・データ
発注情報

Application and Implementation

NOTE

Information in the following applications sections is not part of the TI component specification, and TI does not warrant its accuracy or completeness. TI’s customers are responsible for determining suitability of components for their purposes. Customers should validate and test their design implementation to confirm system functionality.

Application Information

The TPS25810-Q1 device is a Type-C DFP controller that supports all Type-C DFP required functions. The TPS25810-Q1 device only applies power to VBUS when it detects that a UFP is attached and removes power when it detects the UFP is detached. The device exposes its identity via its CC pin, advertising its current capability based on CHG and CHG_HI pin settings. The TPS25810-Q1 device also limits its advertised current internally and provides robust protection to a fault on the system VBUS power rail.

After a connection is established by the TPS25810-Q1 device, the device is capable of providing VCONN to power circuits in the cable plug on the CC pin that is not connected to the CC wire in the cable. VCONN is internally current limited and has its own supply pin IN2. Apart from providing charging current to a UFP, the TPS25810‑Q1 device also supports audio and debug accessory modes.

The following design procedure can be used to implement a full-featured Type-C DFP.

NOTE

BC 1.2 is not supported in the TPS25810-Q1 device. To support BC1.2 with Type-C charging modes in a single Type-C connector, a device like a TPS2514A-Q1 must be used.

Typical Applications

Type-C DFP Port Implementation Without BC 1.2 Support

Figure 20 shows a minimal Type-C DFP implementation capable of supporting 5-V and 3-A charging.

TPS25810-Q1 typ_app_SLVSD95.gif Figure 20. Type-C DFP Port Implementation Without BC 1.2 Support

Design Requirements

Input and Output Capacitance

Input and output capacitance improves the performance of the device. The actual capacitance should be optimized for the particular application. For all applications, a 0.1-μF or greater ceramic bypass capacitor between INx and GND is recommended as close to the device as possible for local noise decoupling.

All protection circuits, such as the TPS25810-Q1 device, have the potential for input voltage overshoots and output voltage undershoots. Input voltage overshoots can be caused by either of two effects. The first cause is an abrupt application of input voltage in conjunction with input power-bus inductance and input capacitance when the INx pin is high-impedance (before turnon). Theoretically, the peak voltage is 2 times the applied voltage. The second cause is due to the abrupt reduction of output short-circuit current when the TPS25810-Q1 device turns off and energy stored in the input inductance drives the input voltage high. Input voltage droops may also occur with large load steps and as the TPS25810-Q1 output is shorted. Applications with large input inductance (for instance, connecting the evaluation board to the bench power supply through long cables) may require large input capacitance to prevent the voltage overshoot from exceeding the absolute maximum voltage of the device.

The fast current-limit speed of the TPS25810-Q1 device to hard output short circuits isolates the input bus from faults. However, ceramic input capacitance in the range of 1 μF to 22 μF adjacent to the TPS25810-Q1 input aids in both response time and limiting the transient seen on the input power bus. Momentary input transients to 6.5 V are permitted. Output voltage undershoot is caused by the inductance of the output power bus just after a short has occurred and the TPS25810-Q1 device has abruptly reduced the OUT current. Energy stored in the inductance drives the OUT voltage down, and potentially negative, as it discharges. An application with large output inductance (such as from a cable) benefits from the use of a high-value output capacitor to control voltage undershoot.

When implementing a USB-standard application, 120-μF minimum output capacitance is required. Typically, a 150-μF electrolytic capacitor is used, which is sufficient to control voltage undershoots. Because in Type-C applications, DFP is a cold socket when no UFP is attached, the output capacitance should be placed at the INx pin versus the OUT pin, as is done in USB Type-A ports. It is also recommended to put a 10-μF ceramic capacitor on the OUT pin for better voltage bypass.

Detailed Design Procedure

The TPS25810-Q1 device supports up to three different input voltages, based on the application. In the simplest implementation, all input pins are tied to a single voltage source set to 5 V, as shown in Figure 20. However, it is recommended to set a slightly higher (100 mV to 200 mV) input voltage, when possible, to compensate for IR loss from the source to the Type-C connector.

Other design considerations are listed as follows:

  • Place at least 120 µF of bypass capacitance close to the INx pins versus the OUT pin, as Type-C is a cold-socket connector.
  • A 10-µF bypass capacitor is recommended to be placed near a Type-C receptacle VBUS pin to handle load transients.
  • Depending on the maximum current-level advertisement supported by the Type-C port in the system, set the CHG and CHG_HI levels accordingly. Advertisement of 3 A is shown in Figure 20.
  • EN, CHG, and CHG_HI pins can be tied directly to GND or VAUX without a pullup resistor.
    • CHG and CHG_HI can also be dynamically controlled by a microcontroller to change the current advertisement level to the UFP.
  • When an open-drain output of the TPS25810-Q1 device is not used, it can be left open or tied to GND.
  • Use a 1% 100-kΩ resistor to connect between the REF and REF_RTN pins, placing it close to the device pin and isolated from switching noise on the board.

Application Curves

TPS25810-Q1 G001_slvscr1.gif
Basic start-up: IN1 = IN2 = AUX = EN = CHG = CHG_HI = 5 V, CC1 = Rd, CC2 = open
Figure 21. Basic Start-Up
TPS25810-Q1 G003_slvscr1.gif
IN1 = IN2 = AUX = EN = 5 V; CHG = CHG_HI = 0 V,
CC1 = open, CC2 = Rd, OUT = open → 5 Ω
Figure 23. Load Step
TPS25810-Q1 G005_slvscr1.gif
IN1 = IN2 = AUX = EN = CHG = CHG_HI = 5 V, CC1 = short, CC2 = Rd
Figure 25. Short On CC1
TPS25810-Q1 G007_slvscr1.gif
VIN 5 V → 3.5 V (100 ms) → 5 V (1 V/ms),
IN1 = IN2 = AUX = EN = CHG = CHG_HI = 5 V,
CC1 = Rd, CC2 = Ra
Figure 27. Brown-Out Test
TPS25810-Q1 G002_slvscr1.gif
IN1 = IN2 = AUX = EN = CHG = CHG_HI = 5 V, CC1 = open, CC2 = open → Rd
Figure 22. Start-Up
TPS25810-Q1 G004_slvscr1.gif
IN1 = IN2 = AUX = EN = CHG = CHG_HI = 5 V, CC1 = Rd,
CC2 = open, OUT = shorted
Figure 24. Hot-Plug to Short
TPS25810-Q1 G006_slvscr1.gif
IN1 = IN2 = AUX = EN = CHG = CHG_HI = 5 V, CC1 = Rd → open, CC2 = open
Figure 26. Remove Rd

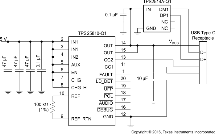
Type-C DFP Port Implementation With BC 1.2 (DCP Mode) Support

Figure 28 shows a Type-C DFP implementation capable of supporting 5-V, 3-A charging in a Type-C port that is also able to support charging of legacy devices when used with a Type-C µB cable assembly for charging phones and handheld devices equipped with a µB connector.

This implementation requires the use of a TPS2514A-Q1, a USB dedicated charging-port (DCP) controller with auto-detect feature to charge not only BC1.2 compliant handheld devices but also popular phones and tablets that incorporate their own propriety charging algorithm. See the TPS2514A-Q1 datasheet for more details.

TPS25810-Q1 typ_app2_SLVSD95.gif Figure 28. Type-C DFP Port Implementation With BC 1.2 (DCP Mode) Support

Design Requirements

See Design Requirements for the design requirements.

Detailed Design Procedure

See Detailed Design Procedure for the detailed design procedure.

Application Curves

See Application Curves for the application curves.