JAJS132D July   2005  – June 2019 TPS40190

PRODUCTION DATA.  

  1. 特長
  2. アプリケーション
  3. 概要
    1.     Device Images
      1.      アプリケーション概略図
  4. 改訂履歴
  5. Pin Configuration and Functions
    1.     Pin Functions
  6. Specifications
    1. 6.1 Absolute Maximum Ratings
    2. 6.2 Dissipation Ratings
    3. 6.3 Recommended Operating Conditions
    4. 6.4 Electrical Characteristics
    5. 6.5 Typical Characteristics
  7. Detailed Description
    1. 7.1 Overview
    2. 7.2 Functional Block Diagram
    3. 7.3 Feature Description
      1. 7.3.1 Internally Fixed Parameters
      2. 7.3.2 Output Short Circuit Protection
      3. 7.3.3 Enable Functionality
      4. 7.3.4 5-V Regulator
      5. 7.3.5 Startup Sequence and Timing
      6. 7.3.6 Prebias Outputs
  8. Application and Implementation
    1. 8.1 Typical Applications
  9. デバイスおよびドキュメントのサポート
    1. 9.1 ドキュメントのサポート
      1. 9.1.1 関連資料
    2. 9.2 ドキュメントの更新通知を受け取る方法
    3. 9.3 コミュニティ・リソース
    4. 9.4 商標
    5. 9.5 静電気放電に関する注意事項
    6. 9.6 Glossary
  10. 10メカニカル、パッケージ、および注文情報

パッケージ・オプション

デバイスごとのパッケージ図は、PDF版データシートをご参照ください。

メカニカル・データ(パッケージ|ピン)
  • DRC|10
サーマルパッド・メカニカル・データ
発注情報

Typical Applications

TPS40190 v05072_lus658.gifFigure 29. 12-V to 5-V at 10 A
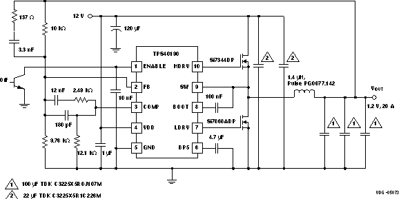
TPS40190 v05073_lus658.gifFigure 30. 12-V to 1.2-V at 20 A
TPS40190 pmp1285a_lus658.gifFigure 31. PMP1285, 12-V to 1.5-V, at 3.7 A