JAJSGV5 January   2019 TPS54540B

PRODUCTION DATA.  

  1. 特長
  2. アプリケーション
  3. 概要
    1.     Device Images
      1.      概略回路図
      2.      効率と負荷電流との関係
  4. 改訂履歴
  5. Pin Configuration and Functions
    1.     Pin Functions
  6. Specifications
    1. 6.1 Absolute Maximum Ratings
    2. 6.2 ESD Ratings
    3. 6.3 Recommended Operating Conditions
    4. 6.4 Thermal Information
    5. 6.5 Electrical Characteristics
    6. 6.6 Timing Requirements
    7. 6.7 Typical Characteristics
  7. Detailed Description
    1. 7.1 Overview
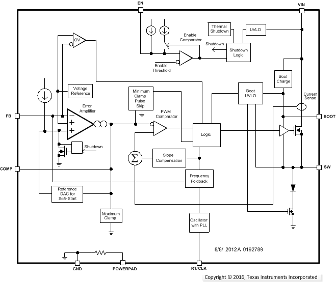
    2. 7.2 Functional Block Diagram
    3. 7.3 Feature Description
      1. 7.3.1  Fixed Frequency PWM Control
      2. 7.3.2  Slope Compensation Output Current
      3. 7.3.3  Pulse Skip Eco-mode
      4. 7.3.4  Low Dropout Operation and Bootstrap Voltage (BOOT)
      5. 7.3.5  Error Amplifier
      6. 7.3.6  Adjusting the Output Voltage
      7. 7.3.7  Enable and Adjusting Undervoltage Lockout
      8. 7.3.8  Internal Soft Start
      9. 7.3.9  Constant Switching Frequency and Timing Resistor (RT/CLK) pin)
      10. 7.3.10 Accurate Current-Limit Operation and Maximum Switching Frequency
      11. 7.3.11 Synchronization to RT/CLK pin
      12. 7.3.12 Overvoltage Protection
      13. 7.3.13 Thermal Shutdown
      14. 7.3.14 Small Signal Model for Loop Response
      15. 7.3.15 Simple Small Signal Model for Peak-Current-Mode Control
      16. 7.3.16 Small Signal Model for Frequency Compensation
    4. 7.4 Device Functional Modes
      1. 7.4.1 Operation with VIN < 4.5 V (Minimum VIN)
      2. 7.4.2 Operation with EN Control
  8. Application and Implementation
    1. 8.1 Application Information
    2. 8.2 Typical Application
      1. 8.2.1 Design Requirements
      2. 8.2.2 Detailed Design Procedure
        1. 8.2.2.1  Custom Design with WEBENCH® Tools
        2. 8.2.2.2  Selecting the Switching Frequency
        3. 8.2.2.3  Output Inductor Selection (LO)
        4. 8.2.2.4  Output Capacitor
        5. 8.2.2.5  Catch Diode
        6. 8.2.2.6  Input Capacitor
        7. 8.2.2.7  Bootstrap Capacitor Selection
        8. 8.2.2.8  Undervoltage Lockout Set Point
        9. 8.2.2.9  Output Voltage and Feedback Resistors Selection
        10. 8.2.2.10 Minimum VIN
        11. 8.2.2.11 Compensation
        12. 8.2.2.12 Discontinuous Conduction Mode and Eco-mode Boundary
        13. 8.2.2.13 Power Dissipation Estimate
        14. 8.2.2.14 Safe Operating Area
      3. 8.2.3 Application Curves
    3. 8.3 Other System Examples
      1. 8.3.1 Inverting Power
      2. 8.3.2 Split-Rail Power Supply
  9. Power Supply Recommendations
  10. 10Layout
    1. 10.1 Layout Guidelines
    2. 10.2 Layout Examples
    3. 10.3 Estimated Circuit Area
  11. 11デバイスおよびドキュメントのサポート
    1. 11.1 デバイス・サポート
      1. 11.1.1 デベロッパー・ネットワークの製品に関する免責事項
      2. 11.1.2 WEBENCH®ツールによるカスタム設計
    2. 11.2 ドキュメントの更新通知を受け取る方法
    3. 11.3 コミュニティ・リソース
    4. 11.4 商標
    5. 11.5 静電気放電に関する注意事項
  12. 12メカニカル、パッケージ、および注文情報

パッケージ・オプション

メカニカル・データ(パッケージ|ピン)
サーマルパッド・メカニカル・データ
発注情報

Functional Block Diagram

TPS54540B fbd_slvsbx7.gif