SLVSA41B November 2009 – July 2016 TPS61085T
PRODUCTION DATA.
NOTE
Information in the following applications sections is not part of the TI component specification, and TI does not warrant its accuracy or completeness. TI’s customers are responsible for determining suitability of components for their purposes. Customers should validate and test their design implementation to confirm system functionality.
With the TPS61085T device, a boost regulator with an output voltage of up to 18.5 V can be designed with input voltage ranging from 2.3 V to 6 V. The TPS61085T device has a peak switch current limit of 2 A minimum. The device, which operates in a current mode scheme and uses simple external compensation scheme for maximum flexibility and stability. Selectable switching frequency allows the regulator to be optimized either for smaller size (1.2 MHz) or for higher system efficiency (650 KHz). A dedicated soft-start (SS) pin allows the designer to control the inrush current at start-up.
The following section provides a step-by-step design approach for configuring the TPS61085T as a voltage regulating boost converter.
Figure 8. Typical Application, 3.3 V to 12 V (fsw = 1.2 MHz)
Table 2 lists the design parameters for this application example.
| PARAMETER | VALUE |
|---|---|
| Input voltage | 3.3 V ± 20% |
| Output voltage | 12 V |
| Output current | 600 mA |
| Switching frequency | 1.2 MHz |
The first step in the design procedure is to verify that the maximum possible output current of the boost converter supports the specific application requirements. A simple approach is to estimate the converter efficiency, by taking the efficiency numbers from the provided efficiency curves or to use a worst-case assumption for the expected efficiency, for example, 90%.



where
The peak switch current is the steady-state peak switch current that the integrated switch, inductor, and external Schottky diode must be able to handle. The calculation must be done for the minimum input voltage where the peak switch current is the highest.
The TPS61085T is designed to work with a wide range of inductors. The main parameter for the inductor selection is the saturation current of the inductor which must be higher than the peak switch current as calculated in Detailed Design Procedure with additional margin to cover for heavy load transients. An alternative, more conservative option is to choose an inductor with a saturation current at least as high as the maximum switch current limit of 3.2 A. The other important parameter is the inductor DC resistance. Usually, the lower the DC resistance the higher the efficiency. It is important to note that the inductor DC resistance is not the only parameter determining the efficiency. Especially for a boost converter where the inductor is the energy storage element, the type and core material of the inductor influences the efficiency as well. At high switching frequencies of 1.2-MHz inductor core losses, proximity effects and skin effects become more important. Usually, an inductor with a larger form factor gives higher efficiency. The efficiency difference between different inductors can vary between 2% to 10%. For the TPS61085T, inductor values between 3 µH and 6 µH are a good choice with a switching frequency of 1.2 MHz, typically 3.3 µH. At 650 kHz, TI recommends inductors between 6 µH and 13 µH, typically 6.8 µH. Table 3 shows a few inductors. Customers must verify and validate these components for suitability with their application before using them.
Typically, TI recommends the inductor current ripple is below 20% of the average inductor current. Calculate the inductor value using Equation 4.
where
| L (µH) |
SUPPLIER | COMPONENT CODE | SIZE (L×W×H mm) |
DCR TYP (mΩ) |
Isat (A) |
|---|---|---|---|---|---|
| 1.2 MHz | |||||
| 3.3 | Sumida | CDH38D09 | 4 x 4 x 1 | 240 | 1.25 |
| 4.7 | Sumida | CDPH36D13 | 5 × 5 × 1.5 | 155 | 1.36 |
| 3.3 | Sumida | CDPH4D19F | 5.2 x 5.2 x 2 | 33 | 1.5 |
| 3.3 | Sumida | CDRH6D12 | 6.7 x 6.7 x 1.5 | 62 | 2.2 |
| 4.7 | Würth Elektronik | 7447785004 | 5.9 × 6.2 × 3.3 | 60 | 2.5 |
| 5 | Coilcraft | MSS7341 | 7.3 × 7.3 × 4.1 | 24 | 2.9 |
| 650 kHz | |||||
| 6.8 | Sumida | CDP14D19 | 5.2 x 5.2 x 2 | 50 | 1 |
| 10 | Coilcraft | LPS4414 | 4.3 × 4.3 × 1.4 | 380 | 1.2 |
| 6.8 | Sumida | CDRH6D12/LD | 6.7 x 6.7 x 1.5 | 95 | 1.25 |
| 10 | Sumida | CDR6D23 | 5 × 5 × 2.4 | 133 | 1.75 |
| 10 | Würth Elektronik | 744778910 | 7.3 × 7.3 × 3.2 | 51 | 2.2 |
| 6.8 | Sumida | CDRH6D26HP | 7 x 7 x 2.8 | 52 | 2.9 |
To achieve high efficiency, a Schottky type must be used for the rectifier diode. The reverse voltage rating must be higher than the maximum output voltage of the converter. The averaged rectified forward current Iavg, the Schottky diode requirement is rated for, is equal to the output current Iout:
Usually a Schottky diode with 2-A maximum average rectified forward current rating is sufficient for most applications. The Schottky rectifier can be selected with lower forward current capability depending on the output current Iout but must be able to dissipate the power. The dissipated power is the average rectified forward current times the diode forward voltage.
Typically the diode must be able to dissipate around 500 mW depending on the load current and forward voltage. See Table 4 for few diode options. Customers must verify and validate these components for suitability with their application before using them.
| CURRENT RATING (Iavg) | Vr | Vforward / Iavg | SUPPLIER | COMPONENT CODE | PACKAGE TYPE |
|---|---|---|---|---|---|
| 750 mA | 20 V | 0.425 V / 750 mA | Fairchild Semiconductor | FYV0704S | SOT-23 |
| 1 A | 20 V | 0.39 V / 1 A | NXP | PMEG2010AEH | SOD-123 |
| 1 A | 20 V | 0.52 V / 1 A | Vishay Semiconductor | B120 | SMA |
| 1 A | 20 V | 0.5 V / 1 A | Vishay Semiconductor | SS12 | SMA |
| 1 A | 20 V | 0.44 V / 1 A | Vishay Semiconductor | MSS1P2L | µ-SMP (Low Profile) |
The output voltage is set by an external resistor divider. Typically, a minimum current of 50 µA flowing through the feedback divider gives good accuracy and noise covering. A standard low-side resistor of 18 kΩ is typically selected. The resistors are then calculated as:
The regulator loop must be compensated by adjusting the external components connected to the COMP pin. The COMP pin is the output of the internal transconductance error amplifier. Standard values of RCOMP = 13 kΩ and CCOMP = 3.3 nF works for the majority of the applications.
See Table 5 for dedicated compensation networks giving an improved load transient response. Equation 8 can be used to calculate RCOMP and CCOMP:
SPACE
| FREQUENCY | L | VS | VIN ±20% | RCOMP | CCOMP |
|---|---|---|---|---|---|
| High (1.2 MHz) | 3.3 µH | 15 V | 5 V | 82 kΩ | 1.1 nF |
| 3.3 V | 75 kΩ | 1.6 nF | |||
| 12 V | 5 V | 51 kΩ | 1.1 nF | ||
| 3.3 V | 47 kΩ | 1.6 nF | |||
| 9 V | 5 V | 30 kΩ | 1.1 nF | ||
| 3.3 V | 27 kΩ | 1.6 nF | |||
| Low (650 kHz) | 6.8 µH | 15 V | 5 V | 43 kΩ | 2.2 nF |
| 3.3 V | 39 kΩ | 3.3 nF | |||
| 12 V | 5 V | 27 kΩ | 2.2 nF | ||
| 3.3 V | 24 kΩ | 3.3 nF | |||
| 9 V | 5 V | 15 kΩ | 2.2 nF | ||
| 3.3 V | 13 kΩ | 3.3 nF |
Table 5 gives conservatives RCOMP and CCOMP values for certain inductors, input and output voltages providing a very stable system. For a faster response time, a higher RCOMP value can be used to enlarge the bandwidth, as well as a slightly lower value of CCOMP to keep enough phase margin. These adjustments must be performed in parallel with the load transient response monitoring of TPS61085T.
For good input voltage filtering, TI recommends low-ESR ceramic capacitors. TPS61085T has an analog input (IN). Therefore, TI highly recommends placing a 1-uF bypass capacitor as close as possible to the IC from IN to GND.
One 10-µF ceramic input capacitor is sufficient for most of the applications. For better input voltage, filtering this value can be increased. Refer to Table 6 and typical applications for input capacitor recommendations. Customers must verify and validate these components for suitability with their application before using them.
For best output voltage filtering, TI recommends a low ESR output capacitor like ceramic capacitor. Two 10-µF ceramic output capacitors (or one 22-µF) work for most of the applications. Higher capacitor values can be used to improve the load transient response.
Pay attention to the derating of capacitor value with the DC voltage.
| CAPACITOR | VOLTAGE RATING | SUPPLIER | COMPONENT CODE | |
|---|---|---|---|---|
| CIN | 10 µF/1206 | 16 V | Taiyo Yuden | EMK212 BJ 106KG |
| IN bypass | 1 µF/0603 | 16 V | Taiyo Yuden | EMK107 BJ 105KA |
| COUT | 10 µF/1206 | 25 V | Taiyo Yuden | TMK316 BJ 106KL |
Figure 9. PWM Switching Discontinuous Conduction Mode
Figure 11. Load Transient Response High Frequency
Figure 13. Soft-Start
Figure 10. PWM Switching Continuous Conduction Mode
Figure 12. Load Transient Response Low Frequency Figure 14 to Figure 21 show application circuit examples using the TPS61085T device. These circuits must be fully validated and tested by customers before using these circuits in their designs. TI does not warrant the accuracy or completeness of these circuits, nor does TI accept any responsibility for them.
Figure 14. Typical Application, 3.3 V to 12 V (fsw = 650 kHz)
Figure 15. Typical Application, 3.3 V to 9 V (fsw = 1.2 MHz)
Figure 16. Typical Application, 3.3 V to 9 V (fsw = 650 kHz)
Figure 17. Typical Application With External Load Disconnect Switch
Figure 18. Typical Application 3.3 V to 9 V (fsw = 1.2 MHz) for TFT LCD With External Charge Pumps (VGH, VGL)
Figure 19. Simple Application (3.3-V Input – fsw = 650 kHz) for wLED Supply (3S3P) (With Optional Clamping Zener Diode)
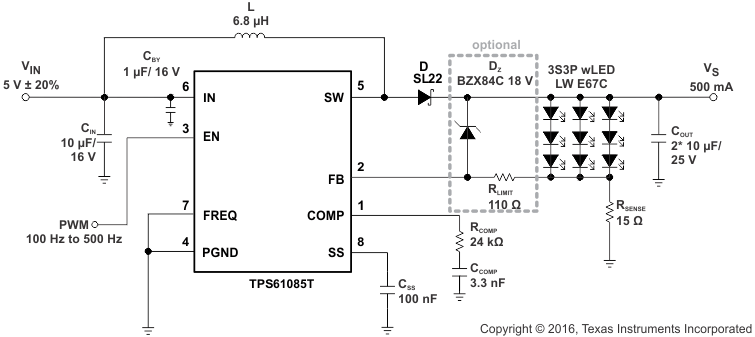
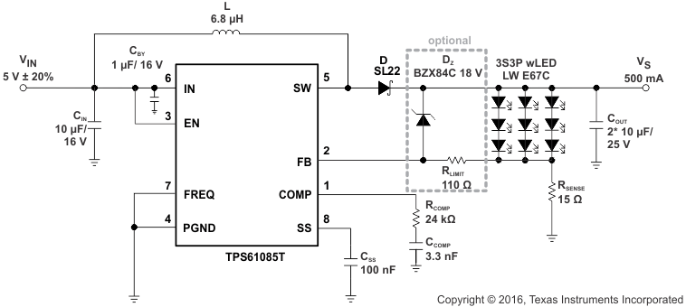
Figure 20. Simple Application (3.3-V Input – fsw = 650 kHz) for wLED Supply (3S3P) With Adjustable Brightness Control using a PWM Signal on the Enable Pin (With Optional Clamping Zener Diode)
Figure 21. Simple Application (3.3-V Input – fsw = 650 kHz) for wLED Supply (3S3P) With Adjustable Brightness Control Using an Analog Signal on the Feedback Pin (With Optional Clamping Zener Diode)