JAJSGF3 October   2018 TS3A5017-Q1

PRODUCTION DATA.  

  1. 特長
  2. アプリケーション
  3. 概要
    1.     Device Images
      1.      ブロック図
  4. 改訂履歴
  5. Pin Configuration and Functions
    1.     Pin Functions
  6. Specifications
    1. 6.1 Absolute Maximum Ratings
    2. 6.2 ESD Ratings
    3. 6.3 Recommended Operating Conditions
    4. 6.4 Thermal Information
    5. 6.5 Electrical Characteristics for 3.3-VSupply
    6. 6.6 Electrical Characteristics for 2.5-VSupply
    7. 6.7 Switching Characteristics for 3.3-VSupply
    8. 6.8 Switching Characteristics for 2.5-VSupply
    9. 6.9 Typical Characteristics
  7. Parameter Measurement Information
  8. Detailed Description
    1. 8.1 Overview
    2. 8.2 Functional Block Diagram
    3. 8.3 Feature Description
    4. 8.4 Device Functional Modes
  9. Application and Implementation
    1. 9.1 Application Information
    2. 9.2 Typical Application
      1. 9.2.1 Design Requirements
      2. 9.2.2 Detailed Design Procedure
      3. 9.2.3 Application Curve
  10. 10Power Supply Recommendations
  11. 11Layout
    1. 11.1 Layout Guidelines
    2. 11.2 Layout Example
  12. 12デバイスおよびドキュメントのサポート
    1. 12.1 デバイス・サポート
      1. 12.1.1 デバイスの項目表記
    2. 12.2 ドキュメントのサポート
      1. 12.2.1 関連資料
    3. 12.3 ドキュメントの更新通知を受け取る方法
    4. 12.4 コミュニティ・リソース
    5. 12.5 商標
    6. 12.6 静電気放電に関する注意事項
    7. 12.7 Glossary
  13. 13メカニカル、パッケージ、および注文情報

パッケージ・オプション

メカニカル・データ(パッケージ|ピン)
サーマルパッド・メカニカル・データ
発注情報

Parameter Measurement Information

TS3A5017-Q1 pmi_ron_cds188.gifFigure 12. ON-State Resistance (ron)
TS3A5017-Q1 pmi_offleakage_cds188.gifFigure 13. OFF-State Leakage Current (ID(OFF), IS(OFF))
TS3A5017-Q1 pmi_onleakage_cds188.gifFigure 14. ON-State Leakage Current (ID(ON), IS(ON))
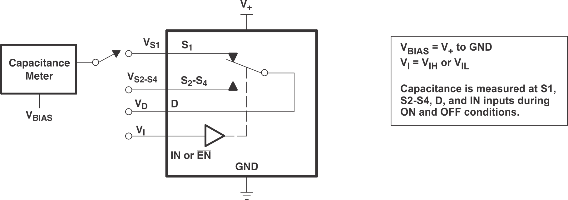
TS3A5017-Q1 pmi_capacitance_cds188.gifFigure 15. Capacitance (CI, CD(OFF), CD(ON), CS(OFF), CS(ON))
TS3A5017-Q1 pmi_ton_toff_cds188.gif
All input pulses are supplied by generators having the following characteristics:
PRR ≤ 10 MHz, ZO = 50 Ω, tr < 5 ns, tf < 5 ns.
CL includes probe and jig capacitance.
See Electrical Characteristics for VD.
Figure 16. Turnon (tON) and Turnoff Time (tOFF)
TS3A5017-Q1 pmi_bandwidth_cds188.gifFigure 17. Bandwidth (BW)
TS3A5017-Q1 pmi_offiso_cds188.gifFigure 18. OFF Isolation (OISO)
TS3A5017-Q1 pmi_crosstalk_cds188.gifFigure 19. Crosstalk (XTALK)
TS3A5017-Q1 pmi_crosstalkadj_cds188.gifFigure 20. Adjacent Crosstalk (XTALK)
TS3A5017-Q1 pmi_qc_cds188.gif
All input pulses are supplied by generators having the following characteristics:
PRR ≤ 10 MHz, ZO = 50 Ω, tr < 5 ns, tf < 5 ns.
CL includes probe and jig capacitance.
Figure 21. Charge Injection (QC)
TS3A5017-Q1 pmi_thd_cds188.gif
CL includes probe and jig capacitance.
Figure 22. Total Harmonic Distortion (THD)