JAJSCI8 September 2016 ISO5452-Q1
PRODUCTION DATA.
NOTE
Information in the following applications sections is not part of the TI component specification, and TI does not warrant its accuracy or completeness. TI’s customers are responsible for determining suitability of components for their purposes. Customers should validate and test their design implementation to confirm system functionality.
The ISO5452-Q1 is an isolated gate driver for power semiconductor devices such as IGBTs and MOSFETs. It is intended for use in applications such as motor control, industrial inverters and switched mode power supplies. In these applications, sophisticated PWM control signals are required to turn the power devices on and off, which at the system level eventually may determine, for example, the speed, position, and torque of the motor or the output voltage, frequency and phase of the inverter. These control signals are usually the outputs of a micro controller, and are at low voltage levels such as 2.5 V, 3.3 V or 5 V. The gate controls required by the MOSFETs and IGBTs, on the other hand, are in the range of 30-V (using Unipolar Output Supply) to 15-V (using Bipolar Output Supply), and need high current capability to be able to drive the large capacitive loads offered by those power transistors. Not only that, the gate drive needs to be applied with reference to the Emitter of the IGBT (Source for MOSFET), and by construction, the Emitter node in a gate drive system may swing between 0 to the DC bus voltage, that can be several 100s of volts in magnitude.
The ISO5452-Q1 is thus used to level shift the incoming 2.5-V, 3.3-V and 5-V control signals from the microcontroller to the 30-V (using Unipolar Output Supply) to 15-V (using Bipolar Output Supply) drive required by the power transistors while ensuring high-voltage isolation between the driver side and the microcontroller side.
Figure 48 shows the typical application of a three-phase inverter using six ISO5452-Q1 isolated gate drivers. Three-phase inverters are used for variable-frequency drives to control the operating speed and torque of AC motors and for high power applications such as High-Voltage DC (HVDC) power transmission.
The basic three-phase inverter consists of six power switches, and each switch is driven by one . The switches are driven on and off at high switching frequency with specific patterns that to converter dc bus voltage to three-phase AC voltages.
Figure 48. Typical Motor Drive Application
Unlike optocoupler based gate drivers which need external current drivers and biasing circuitry to provide the input control signals, the input control to the ISO5452-Q1 is CMOS and can be directly driven by the microcontroller. Other design requirements include decoupling capacitors on the input and output supplies, a pullup resistor on the common drain FLT output signal and RST input signal, and a high-voltage protection diode between the IGBT collector and the DESAT input. Further details are explained in the subsequent sections. Table 2 shows the allowed range for Input and Output supply voltage, and the typical current output available from the gate-driver.
| PARAMETER | VALUE |
|---|---|
| Input supply voltage | 2.25-V to 5.5-V |
| Unipolar output supply voltage (VCC2 - GND2 = VCC2 - VEE2) | 15-V to 30-V |
| Bipolar output supply voltage (VCC2 - VEE2) | 15-V to 30-V |
| Bipolar output supply voltage (GND2 - VEE2) | 0-V to 15-V |
| Output current | 2.5-A |
The ISO5452-Q1 has both, inverting and non-inverting gate control inputs, an active low reset input, and an open drain fault output suitable for wired-OR applications. The recommended application circuit in Figure 49 illustrates a typical gate driver implementation with Unipolar Output Supply and Figure 50 illustrates a typical gate driver implementation with Bipolar Output Supply using the ISO5452-Q1.
A 0.1-μF bypass capacitor, recommended at input supply pin VCC1 and 1-μF bypass capacitor, recommended at output supply pin VCC2, provide the large transient currents necessary during a switching transition to ensure reliable operation. The 220 pF blanking capacitor disables DESAT detection during the off-to-on transition of the power device. The DESAT diode (DDST) and its 1-kΩ series resistor are external protection components. The RG gate resistor limits the gate charge current and indirectly controls the IGBT collector voltage rise and fall times. The open-drain FLT output and RDY output has a passive 10-kΩ pull-up resistor. In this application, the IGBT gate driver is disabled when a fault is detected and will not resume switching until the micro-controller applies a reset signal.
Figure 49. Unipolar Output Supply
Figure 50. Bipolar Output Supply
There is 50-kΩ pull-up resistor internally on FLT and RDY pins. The FLT and RDY pin is an open-drain output. A 10-kΩ pull-up resistor can be used to make it faster rise and to provide logic high when FLT and RDY is inactive, as shown in Figure 51.
Fast common mode transients can inject noise and glitches on FLT and RDY pins due to parasitic coupling. This is dependent on board layout. If required, additional capacitance (100 pF to 300 pF) can be included on the FLT and RDY pins.
Figure 51. FLT and RDY Pin Circuitry for High CMTI
The amount of common-mode transient immunity (CMTI) can be curtailed by the capacitive coupling from the high-voltage output circuit to the low-voltage input side of the ISO5452-Q1. For maximum CMTI performance, the digital control inputs, IN+ and IN-, must be actively driven by standard CMOS, push-pull drive circuits. This type of low-impedance signal source provides active drive signals that prevent unwanted switching of the ISO5452-Q1 output under extreme common-mode transient conditions. Passive drive circuits, such as open-drain configurations using pull-up resistors, must be avoided. There is a 20 ns glitch filter which can filter a glitch up to 20 ns on IN+ or IN-.
In applications with local shutdown and reset, the FLT output of each gate driver is polled separately, and the individual reset lines are asserted low independently to reset the motor controller after a fault condition.
Figure 52. Local Shutdown and Reset for Noninverting (left) and Inverting Input Configuration (right)
When configured for inverting operation, the ISO5452-Q1 can be configured to shutdown automatically in the event of a fault condition by tying the FLT output to IN+. For high reliability drives, the open drain FLT outputs of multiple ISO5452-Q1 devices can be wired together forming a single, common fault bus for interfacing directly to the micro-controller. When any of the six gate drivers of a three-phase inverter detects a fault, the active low FLT output disables all six gate drivers simultaneously.
Figure 53. Global Shutdown with Inverting Input Configuration
In this case, the gate control signal at IN+ is also applied to the RST input to reset the fault latch every switching cycle. Incorrect RST makes output go low. A fault condition, however, the gate driver remains in the latched fault state until the gate control signal changes to the 'gate low' state and resets the fault latch.
If the gate control signal is a continuous PWM signal, the fault latch will always be reset before IN+ goes high again. This configuration protects the IGBT on a cycle by cycle basis and automatically resets before the next 'on' cycle.
Figure 54. Auto Reset for Non-inverting and Inverting Input Configuration
Switching inductive loads causes large instantaneous forward voltage transients across the freewheeling diodes of IGBTs. These transients result in large negative voltage spikes on the DESAT pin which draw substantial current out of the device. To limit this current below damaging levels, a 100-Ω to 1-kΩ resistor is connected in series with the DESAT diode.
Further protection is possible through an optional Schottky diode, whose low forward voltage assures clamping of the DESAT input to GND2 potential at low voltage levels.
Figure 55. DESAT Pin Protection with Series Resistor and Schottky Diode
The DESAT diode’s function is to conduct forward current, allowing sensing of the IGBT’s saturated collector-to-emitter voltage, V(DESAT), (when the IGBT is "on") and to block high voltages (when the IGBT is "off"). During the short transition time when the IGBT is switching, there is commonly a high dVCE/dt voltage ramp rate across the IGBT. This results in a charging current ICHARGE = C(D-DESAT) x dVCE/dt, charging the blanking capacitor. C(D-DESAT) is the diode capacitance at DESAT.
To minimize this current and avoid false DESAT triggering, fast switching diodes with low capacitance are recommended. As the diode capacitance builds a voltage divider with the blanking capacitor, large collector voltage transients appear at DESAT attenuated by the ratio of 1+ C(BLANK) / C(D-DESAT).
Because the sum of the DESAT diode forward-voltage and the IGBT collector-emitter voltage make up the voltage at the DESAT-pin, VF + VCE = V(DESAT), the VCE level, which triggers a fault condition, can be modified by adding multiple DESAT diodes in series: VCE-FAULT(TH) = 9 V – n x VF (where n is the number of DESAT diodes).
When using two diodes instead of one, diodes with half the required maximum reverse-voltage rating may be chosen.
The ISO5452-Q1 maximum allowed total power consumption of PD = 251 mW consists of the total input power, PID, the total output power, POD, and the output power under load, POL:
With:
and:
then:
In comparison to POL, the actual dynamic output power under worst case condition, POL-WC, depends on a variety of parameters:

where
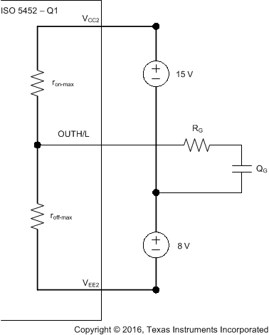
Once RG is determined, Equation 5 is to be used to verify whether POL-WC < POL. Figure 56 shows a simplified output stage model for calculating POL-WC.
Figure 56. Simplified Output Model for Calculating POL-WC
This examples considers an IGBT drive with the following parameters:
Apply the value of the gate resistor RG = 10 Ω.
Then, calculating the worst-case output power consumption as a function of RG, using Equation 5 ron-max = worst case output resistance in the on-state: 4 Ω, roff-max = worst case output resistance in the off-state: 2.5 Ω, RG = gate resistor yields

Because POL-WC = 72.61 mW is below the calculated maximum of POL = 88.25 mW, the resistor value of RG = 10 Ω is suitable for this application.
To increase the IGBT gate drive current, a non-inverting current buffer (such as the npn/pnp buffer shown in Figure 57) may be used. Inverting types are not compatible with the desaturation fault protection circuitry and must be avoided. The MJD44H11/MJD45H11 pair is appropriate for currents up to 8 A, the D44VH10/ D45VH10 pair for up to 15 A maximum.
Figure 57. Current Buffer for Increased Drive Current
| CL = 1 nF | RGH = 10 Ω | RGL = 10 Ω |
| VCC2 - GND2 = 15 V | GND2 - VEE2 = 8 V | |
| (VCC2 - VEE2 = 23 V) |
| CL = 1 nF | RGH = 10 Ω | RGL = 10 Ω |
| VCC2 - VEE2 = VCC2 - GND2 = 20 V | ||