JAJSFU6C July   2018  – July 2019 LM5180

ADVANCE INFORMATION for pre-production products; subject to change without notice.  

  1. 特長
  2. アプリケーション
  3. 概要
    1.     Device Images
      1.      代表的なアプリケーション
      2.      標準的な効率、VOUT = 5V
  4. 改訂履歴
  5. 概要(続き)
  6. Pin Configuration and Functions
    1.     Pin Functions
  7. Specifications
    1. 7.1 Absolute Maximum Ratings
    2. 7.2 ESD Ratings
    3. 7.3 Recommended Operating Conditions
    4. 7.4 Thermal Information
    5. 7.5 Electrical Characteristics
    6. 7.6 Typical Characteristics
  8. Detailed Description
    1. 8.1 Overview
    2. 8.2 Functional Block Diagram
    3. 8.3 Feature Description
      1. 8.3.1  Integrated Power MOSFET
      2. 8.3.2  PSR Flyback Modes of Operation
      3. 8.3.3  Setting the Output Voltage
        1. 8.3.3.1 Diode Thermal Compensation
      4. 8.3.4  Control Loop Error Amplifier
      5. 8.3.5  Precision Enable
      6. 8.3.6  Configurable Soft Start
      7. 8.3.7  External Bias Supply
      8. 8.3.8  Minimum On-Time and Off-Time
      9. 8.3.9  Overcurrent Protection
      10. 8.3.10 Thermal Shutdown
    4. 8.4 Device Functional Modes
      1. 8.4.1 Shutdown Mode
      2. 8.4.2 Standby Mode
      3. 8.4.3 Active Mode
  9. Application and Implementation
    1. 9.1 Application Information
    2. 9.2 Typical Applications
      1. 9.2.1 Design 1: Wide VIN, Low IQ PSR Flyback Converter Rated at 5 V, 1 A
        1. 9.2.1.1 Design Requirements
        2. 9.2.1.2 Detailed Design Procedure
          1. 9.2.1.2.1  Custom Design With WEBENCH® Tools
          2. 9.2.1.2.2  Custom Design With Excel Quickstart Tool
          3. 9.2.1.2.3  Flyback Transformer – T1
          4. 9.2.1.2.4  Flyback Diode – DFLY
          5. 9.2.1.2.5  Zener Clamp Circuit – DF, DCLAMP
          6. 9.2.1.2.6  Output Capacitor – COUT
          7. 9.2.1.2.7  Input Capacitor – CIN
          8. 9.2.1.2.8  Feedback Resistor – RFB
          9. 9.2.1.2.9  Thermal Compensation Resistor – RTC
          10. 9.2.1.2.10 UVLO Resistors – RUV1, RUV2
          11. 9.2.1.2.11 Soft-Start Capacitor – CSS
        3. 9.2.1.3 Application Curves
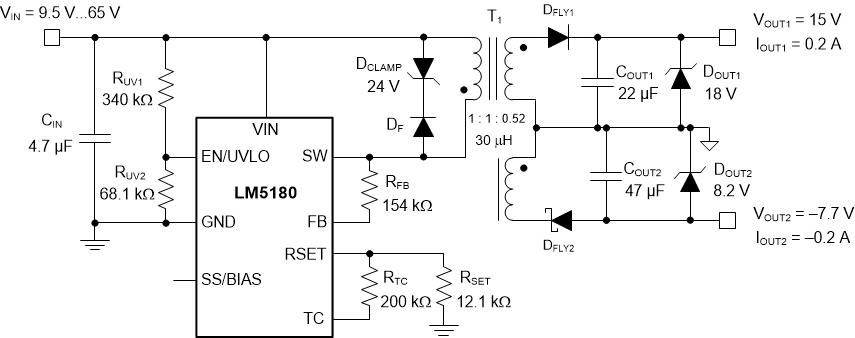
      2. 9.2.2 Design 2: PSR Flyback Converter With Dual Outputs of 15 V and –7.7 V at 200 mA
        1. 9.2.2.1 Design Requirements
        2. 9.2.2.2 Detailed Design Procedure
          1. 9.2.2.2.1 Flyback Transformer – T1
          2. 9.2.2.2.2 Flyback Diodes – DFLY1 and DFLY2
          3. 9.2.2.2.3 Input Capacitor – CIN
          4. 9.2.2.2.4 Feedback Resistor – RFB
          5. 9.2.2.2.5 UVLO Resistors – RUV1, RUV2
        3. 9.2.2.3 Application Curves
      3. 9.2.3 Design 3: PSR Flyback Converter With Stacked Dual Outputs of 24 V and 5 V
        1. 9.2.3.1 Design Requirements
        2. 9.2.3.2 Detailed Design Procedure
          1. 9.2.3.2.1 Flyback Transformer – T1
          2. 9.2.3.2.2 Feedback Resistor – RFB
          3. 9.2.3.2.3 UVLO Resistors – RUV1, RUV2
        3. 9.2.3.3 Application Curves
  10. 10Power Supply Recommendations
  11. 11Layout
    1. 11.1 Layout Guidelines
    2. 11.2 Layout Examples
  12. 12デバイスおよびドキュメントのサポート
    1. 12.1 デバイス・サポート
      1. 12.1.1 デベロッパー・ネットワークの製品に関する免責事項
      2. 12.1.2 開発サポート
      3. 12.1.3 WEBENCH® ツールによるカスタム設計
    2. 12.2 ドキュメントのサポート
      1. 12.2.1 関連資料
    3. 12.3 ドキュメントの更新通知を受け取る方法
    4. 12.4 コミュニティ・リソース
    5. 12.5 商標
    6. 12.6 静電気放電に関する注意事項
    7. 12.7 Glossary
  13. 13メカニカル、パッケージ、および注文情報

Design 2: PSR Flyback Converter With Dual Outputs of 15 V and –7.7 V at 200 mA

The schematic diagram of a dual-output flyback converter intended for isolated IGBT and SiC MOSFET gate drive power supply applications is given in Figure 38.

LM5180 Design2_schematic_nvsb06.gifFigure 38. Schematic for Design 2 With VIN(nom) = 24 V, VOUT1 = 15 V, VOUT2 = –7.7 V, IOUT = 200 mA