JAJSG35B August   2018  – October 2024 UCC28950 , UCC28951

PRODUCTION DATA  

  1.   1
  2. 特長
  3. アプリケーション
  4. 概要
  5. Pin Configuration and Functions
  6. Specifications
    1. 5.1 Absolute Maximum Ratings
    2. 5.2 ESD Ratings
    3. 5.3 Recommended Operating Conditions
    4. 5.4 Thermal Information
    5. 5.5 Electrical Characteristics
    6. 5.6 Timing Requirements
    7. 5.7 Dissipation Ratings
    8. 5.8 Typical Characteristics
  7. Detailed Description
    1. 6.1 Overview
    2. 6.2 Functional Block Diagram
    3. 6.3 Feature Description
      1. 6.3.1  Start-Up Protection Logic
      2. 6.3.2  Voltage Reference (VREF)
      3. 6.3.3  Error Amplifier (EA+, EA–, COMP)
      4. 6.3.4  Soft-Start and Enable (SS/EN)
      5. 6.3.5  Light-Load Power Saving Features
      6. 6.3.6  Adaptive Delay, (Delay Between OUTA and OUTB, OUTC and OUTD (DELAB, DELCD, ADEL))
      7. 6.3.7  Adaptive Delay (Delay Between OUTA and OUTF, OUTB and OUTE (DELEF, ADELEF)
      8. 6.3.8  Minimum Pulse (TMIN)
      9. 6.3.9  Burst Mode
      10. 6.3.10 Switching Frequency Setting
      11. 6.3.11 Slope Compensation (RSUM)
      12. 6.3.12 Dynamic SR ON/OFF Control (DCM Mode)
      13. 6.3.13 Current Sensing (CS)
      14. 6.3.14 Cycle-by-Cycle Current Limit Current Protection and Hiccup Mode
      15. 6.3.15 Synchronization (SYNC)
      16. 6.3.16 Outputs (OUTA, OUTB, OUTC, OUTD, OUTE, OUTF)
      17. 6.3.17 Supply Voltage (VDD)
      18. 6.3.18 Ground (GND)
    4. 6.4 Device Functional Modes
  8. Application and Implementation
    1. 7.1 Application Information
    2. 7.2 Typical Application
      1. 7.2.1 Design Requirements
      2. 7.2.2 Detailed Design Procedure
        1. 7.2.2.1  Power Loss Budget
        2. 7.2.2.2  Preliminary Transformer Calculations (T1)
        3. 7.2.2.3  QA, QB, QC, QD FET Selection
        4. 7.2.2.4  Selecting LS
        5. 7.2.2.5  Selecting Diodes DB and DC
        6. 7.2.2.6  Output Inductor Selection (LOUT)
        7. 7.2.2.7  Output Capacitance (COUT)
        8. 7.2.2.8  Select FETs QE and QF
        9. 7.2.2.9  Input Capacitance (CIN)
        10. 7.2.2.10 Current Sense Network (CT, RCS, R7, DA)
          1. 7.2.2.10.1 Voltage Loop Compensation Recommendation
      3. 7.2.3 Application Curves
    3. 7.3 Power Supply Recommendations
    4. 7.4 Layout
      1. 7.4.1 Layout Guidelines
      2. 7.4.2 Layout Example
  9. Device and Documentation Support
    1. 8.1 Device Support
      1. 8.1.1 Development Support
    2. 8.2 Documentation Support
      1. 8.2.1 Related Documentation
    3. 8.3 Receiving Notification of Documentation Updates
    4. 8.4 Community Resources
    5. 8.5 Trademarks
  10. Revision History
  11. 10Mechanical, Packaging, and Orderable Information

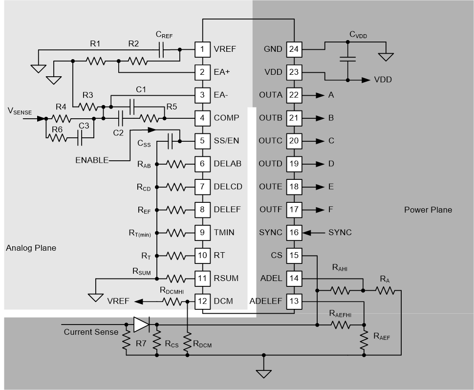
Ground (GND)

All signals are referenced to this node. TI recommends having a separate quiet analog plane connected in one place to the power plane. The analog plane connects the components related to the pins VREF, EA+, EA-, COMP, SS/EN, DELAB, DELCD, DELEF, TMIN, RT, RSUM. The power plane connects the components related to the pins DCM, ADELEF, ADEL, CS, SYNC, OUTF, OUTE, OUTD, OUTC, OUTB, OUTA, and VDD. Figure 6-18 shows an example of layout and ground planes connection.

UCC28950 UCC28951 Layout
                    Recommendation for Analog and Power Planes Figure 6-18 Layout Recommendation for Analog and Power Planes