JAJSGO6D May   2013  – May 2017 TAS5760MD

PRODUCTION DATA.  

  1. 特長
  2. アプリケーション
  3. 概要
    1.     Device Images
      1.      機能ブロック図
      2.      10% THD+Nでの電力とPVDDとの関係
  4. 改訂履歴
  5. Pin Configuration and Functions
    1.     Pin Functions
  6. Specifications
    1. 6.1  Absolute Maximum Ratings
    2. 6.2  ESD Ratings
    3. 6.3  Recommended Operating Conditions
    4. 6.4  Thermal Information
    5. 6.5  Digital I/O Pins
    6. 6.6  Master Clock
    7. 6.7  Serial Audio Port
    8. 6.8  Protection Circuitry
    9. 6.9  Speaker Amplifier in All Modes
    10. 6.10 Speaker Amplifier in Stereo Bridge Tied Load (BTL) Mode
    11. 6.11 Speaker Amplifier in Mono Parallel Bridge Tied Load (PBTL) Mode
    12. 6.12 Headphone Amplifier and Line Driver
    13. 6.13 I²C Control Port
    14. 6.14 Typical Idle, Mute, Shutdown, Operational Power Consumption
    15. 6.15 Typical Characteristics (Stereo BTL Mode): fSPK_AMP = 384 kHz
    16. 6.16 Typical Characteristics (Stereo BTL Mode): fSPK_AMP = 768 kHz
    17. 6.17 Typical Characteristics (Mono PBTL Mode): fSPK_AMP = 384 kHz
    18. 6.18 Typical Characteristics (Mono PBTL Mode): fSPK_AMP = 768 kHz
  7. Parameter Measurement Information
  8. Detailed Description
    1. 8.1 Overview
    2. 8.2 Functional Block Diagram
      1. 8.2.1 Functional Block Diagram
    3. 8.3 Feature Description
      1. 8.3.1 Power Supplies
      2. 8.3.2 Speaker Amplifier Audio Signal Path
        1. 8.3.2.1 Serial Audio Port (SAP)
          1. 8.3.2.1.1 I²S Timing
          2. 8.3.2.1.2 Left-Justified
          3. 8.3.2.1.3 Right-Justified
        2. 8.3.2.2 DC Blocking Filter
        3. 8.3.2.3 Digital Boost and Volume Control
        4. 8.3.2.4 Digital Clipper
        5. 8.3.2.5 Closed-Loop Class-D Amplifier
      3. 8.3.3 Speaker Amplifier Protection Suite
        1. 8.3.3.1 Speaker Amplifier Fault Notification (SPK_FAULT Pin)
        2. 8.3.3.2 DC Detect Protection
      4. 8.3.4 Headphone and Line Driver Amplifier
    4. 8.4 Device Functional Modes
      1. 8.4.1 Hardware Control Mode
        1. 8.4.1.1 Speaker Amplifier Shut Down (SPK_SD Pin)
        2. 8.4.1.2 Serial Audio Port in Hardware Control Mode
        3. 8.4.1.3 Soft Clipper Control (SFT_CLIP Pin)
        4. 8.4.1.4 Speaker Amplifier Switching Frequency Select (FREQ/SDA Pin)
        5. 8.4.1.5 Parallel Bridge Tied Load Mode Select (PBTL/SCL Pin)
        6. 8.4.1.6 Speaker Amplifier Sleep Enable (SPK_SLEEP/ADR Pin)
        7. 8.4.1.7 Speaker Amplifier Gain Select (SPK_GAIN [1:0] Pins)
        8. 8.4.1.8 Considerations for Setting the Speaker Amplifier Gain Structure
          1. 8.4.1.8.1 Recommendations for Setting the Speaker Amplifier Gain Structure in Hardware Control Mode
      2. 8.4.2 Software Control Mode
        1. 8.4.2.1 Speaker Amplifier Shut Down (SPK_SD Pin)
        2. 8.4.2.2 Serial Audio Port Controls
          1. 8.4.2.2.1 Serial Audio Port (SAP) Clocking
        3. 8.4.2.3 Parallel Bridge Tied Load Mode via Software Control
        4. 8.4.2.4 Speaker Amplifier Gain Structure
          1. 8.4.2.4.1 Speaker Amplifier Gain in Software Control Mode
          2. 8.4.2.4.2 Considerations for Setting the Speaker Amplifier Gain Structure
          3. 8.4.2.4.3 Recommendations for Setting the Speaker Amplifier Gain Structure in Software Control Mode
        5. 8.4.2.5 I²C Software Control Port
          1. 8.4.2.5.1 Setting the I²C Device Address
          2. 8.4.2.5.2 General Operation of the I²C Control Port
          3. 8.4.2.5.3 Writing to the I²C Control Port
          4. 8.4.2.5.4 Reading from the I²C Control Port
    5. 8.5 Register Maps
      1. 8.5.1 Control Port Registers - Quick Reference
      2. 8.5.2 Control Port Registers - Detailed Description
        1. 8.5.2.1  Device Identification Register (0x00)
          1. Table 9. Device Identification Register Field Descriptions
        2. 8.5.2.2  Power Control Register (0x01)
          1. Table 10. Power Control Register Field Descriptions
        3. 8.5.2.3  Digital Control Register (0x02)
          1. Table 11. Digital Control Register Field Descriptions
        4. 8.5.2.4  Volume Control Configuration Register (0x03)
          1. Table 12. Volume Control Configuration Register Field Descriptions
        5. 8.5.2.5  Left Channel Volume Control Register (0x04)
          1. Table 13. Left Channel Volume Control Register Field Descriptions
        6. 8.5.2.6  Right Channel Volume Control Register (0x05)
          1. Table 14. Right Channel Volume Control Register Field Descriptions
        7. 8.5.2.7  Analog Control Register (0x06)
          1. Table 15. Analog Control Register Field Descriptions
        8. 8.5.2.8  Reserved Register (0x07)
        9. 8.5.2.9  Fault Configuration and Error Status Register (0x08)
          1. Table 16. Fault Configuration and Error Status Register Field Descriptions
        10. 8.5.2.10 Reserved Controls (9 / 0x09) - (15 / 0x0F)
        11. 8.5.2.11 Digital Clipper Control 2 Register (0x10)
          1. Table 17. Digital Clipper Control 2 Register Field Descriptions
        12. 8.5.2.12 Digital Clipper Control 1 Register (0x11)
          1. Table 18. Digital Clipper Control 1 Register Field Descriptions
  9. Application and Implementation
    1. 9.1 Application Information
    2. 9.2 Typical Applications
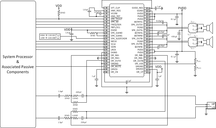
      1. 9.2.1 Stereo BTL Using Software Control
        1. 9.2.1.1 Design Requirements
        2. 9.2.1.2 Detailed Design Procedure
          1. 9.2.1.2.1 Startup Procedures- Software Control Mode
          2. 9.2.1.2.2 Shutdown Procedures- Software Control Mode
          3. 9.2.1.2.3 Component Selection and Hardware Connections
            1. 9.2.1.2.3.1 I²C Pullup Resistors
            2. 9.2.1.2.3.2 Digital I/O Connectivity
          4. 9.2.1.2.4 Recommended Startup and Shutdown Procedures
          5. 9.2.1.2.5 Headphone and Line Driver Amplifier
            1. 9.2.1.2.5.1 Charge-Pump Flying Capacitor and DR_VSS Capacitor
            2. 9.2.1.2.5.2 Decoupling Capacitors
            3. 9.2.1.2.5.3 Gain-Setting Resistor Ranges
            4. 9.2.1.2.5.4 Using the Line Driver Amplifier in the TAS5760MD as a Second-Order Filter
            5. 9.2.1.2.5.5 External Undervoltage Detection
            6. 9.2.1.2.5.6 Input-Blocking Capacitors
          6. 9.2.1.2.6 Gain-Setting Resistors
        3. 9.2.1.3 Application Curves
      2. 9.2.2 Stereo BTL Using Hardware Control
        1. 9.2.2.1 Design Requirements
        2. 9.2.2.2 Detailed Design Procedure
          1. 9.2.2.2.1 Startup Procedures- Hardware Control Mode
          2. 9.2.2.2.2 Shutdown Procedures- Hardware Control Mode
          3. 9.2.2.2.3 Digital I/O Connectivity
        3. 9.2.2.3 Application Curves
      3. 9.2.3 Mono PBTL Using Software Control
        1. 9.2.3.1 Design Requirements
        2. 9.2.3.2 Detailed Design Procedure
          1. 9.2.3.2.1 Startup Procedures- Software Control Mode
          2. 9.2.3.2.2 Shutdown Procedures- Software Control Mode
          3. 9.2.3.2.3 Component Selection and Hardware Connections
            1. 9.2.3.2.3.1 I²C Pull-Up Resistors
            2. 9.2.3.2.3.2 Digital I/O Connectivity
        3. 9.2.3.3 Application Curves
      4. 9.2.4 Mono PBTL Using Hardware Control
        1. 9.2.4.1 Design Requirements
        2. 9.2.4.2 Detailed Design Procedure
          1. 9.2.4.2.1 Startup Procedures- Hardware Control Mode
          2. 9.2.4.2.2 Shutdown Procedures- Hardware Control Mode
          3. 9.2.4.2.3 Component Selection and Hardware Connections
          4. 9.2.4.2.4 Digital I/O Connectivity
        3. 9.2.4.3 Application Curve
  10. 10Power Supply Recommendations
    1. 10.1 DVDD Supply
    2. 10.2 PVDD Supply
  11. 11Layout
    1. 11.1 Layout Guidelines
      1. 11.1.1 General Guidelines for Audio Amplifiers
      2. 11.1.2 Importance of PVDD Bypass Capacitor Placement on PVDD Network
      3. 11.1.3 Optimizing Thermal Performance
        1. 11.1.3.1 Device, Copper, and Component Layout
        2. 11.1.3.2 Stencil Pattern
          1. 11.1.3.2.1 PCB Footprint and Via Arrangement
            1. 11.1.3.2.1.1 Solder Stencil
    2. 11.2 Layout Example
  12. 12デバイスおよびドキュメントのサポート
    1. 12.1 ドキュメントのサポート
      1. 12.1.1 関連資料
    2. 12.2 コミュニティ・リソース
    3. 12.3 商標
    4. 12.4 静電気放電に関する注意事項
    5. 12.5 Glossary
  13. 13メカニカル、パッケージ、および注文情報

Stereo BTL Using Software Control

TAS5760MD TAC_48P_BTL_DR_SW.gifFigure 61. Stereo BTL Using Software Control