JAJSS45 August   2024 AMC3306M05-Q1

PRODUCTION DATA  

  1.   1
  2. 特長
  3. アプリケーション
  4. 概要
  5. Pin Configuration and Functions
  6. Specifications
    1. 5.1  Absolute Maximum Ratings
    2. 5.2  ESD Ratings
    3. 5.3  Recommended Operating Conditions
    4. 5.4  Thermal Information
    5. 5.5  Power Ratings
    6. 5.6  Insulation Specifications
    7. 5.7  Safety-Related Certifications 
    8. 5.8  Safety Limiting Values
    9. 5.9  Electrical Characteristics
    10. 5.10 Switching Characteristics
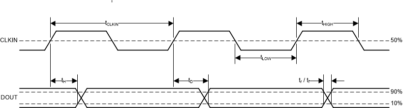
    11. 5.11 Timing Diagrams
    12. 5.12 Insulation Characteristics Curves
    13. 5.13 Typical Characteristics
  7. Detailed Description
    1. 6.1 Overview
    2. 6.2 Functional Block Diagram
    3. 6.3 Feature Description
      1. 6.3.1 Analog Input
      2. 6.3.2 Modulator
      3. 6.3.3 Isolation Channel Signal Transmission
      4. 6.3.4 Digital Output
        1. 6.3.4.1 Output Behavior in Case of a Full-Scale Input
        2. 6.3.4.2 Output Behavior in Case of a High-Side Supply Failure
      5. 6.3.5 Isolated DC/DC Converter
      6. 6.3.6 Diagnostic Output
    4. 6.4 Device Functional Modes
  8. Application and Implementation
    1. 7.1 Application Information
      1. 7.1.1 Digital Filter Usage
    2. 7.2 Typical Application
      1. 7.2.1 Onboard Charger (OBC) Application
        1. 7.2.1.1 Design Requirements
        2. 7.2.1.2 Detailed Design Procedure
          1. 7.2.1.2.1 Shunt Resistor Sizing
          2. 7.2.1.2.2 Input Filter Design
          3. 7.2.1.2.3 Bitstream Filtering
        3. 7.2.1.3 Application Curve
      2. 7.2.2 Best Design Practices
    3. 7.3 Power Supply Recommendations
    4. 7.4 Layout
      1. 7.4.1 Layout Guidelines
      2. 7.4.2 Layout Example
  9. Device and Documentation Support
    1. 8.1 Documentation Support
      1. 8.1.1 Related Documentation
    2. 8.2 ドキュメントの更新通知を受け取る方法
    3. 8.3 サポート・リソース
    4. 8.4 Trademarks
    5. 8.5 静電気放電に関する注意事項
    6. 8.6 用語集
  10. Revision History
  11. 10Mechanical, Packaging, and Orderable Information

Timing Diagrams

AMC3306M05-Q1 Digital Interface
                    Timing Figure 5-1 Digital Interface Timing
AMC3306M05-Q1 Device
                    Start-Up Timing Figure 5-2 Device Start-Up Timing