SBOU294 September   2022 TMP1827

 

  1.   Abstract
  2.   Trademarks
  3. 1Introduction
    1. 1.1 EVM Kit Contents
  4. 2EVM Hardware
    1. 2.1 Perforations
    2. 2.2 Subregulator
    3. 2.3 Logic Level Translator
    4. 2.4 Programming Header
    5. 2.5 BSL Button
    6. 2.6 Status LED
  5. 3Software Download
    1. 3.1 Live Software on dev.ti.com
    2. 3.2 Download from dev.ti.com
  6. 4Software
    1. 4.1 Home Tab
    2. 4.2 Data Capture Tab
    3. 4.3 Registers Tab
    4. 4.4 EEPROM Tab
  7. 5Schematic, Board Layout and Bill of Materials
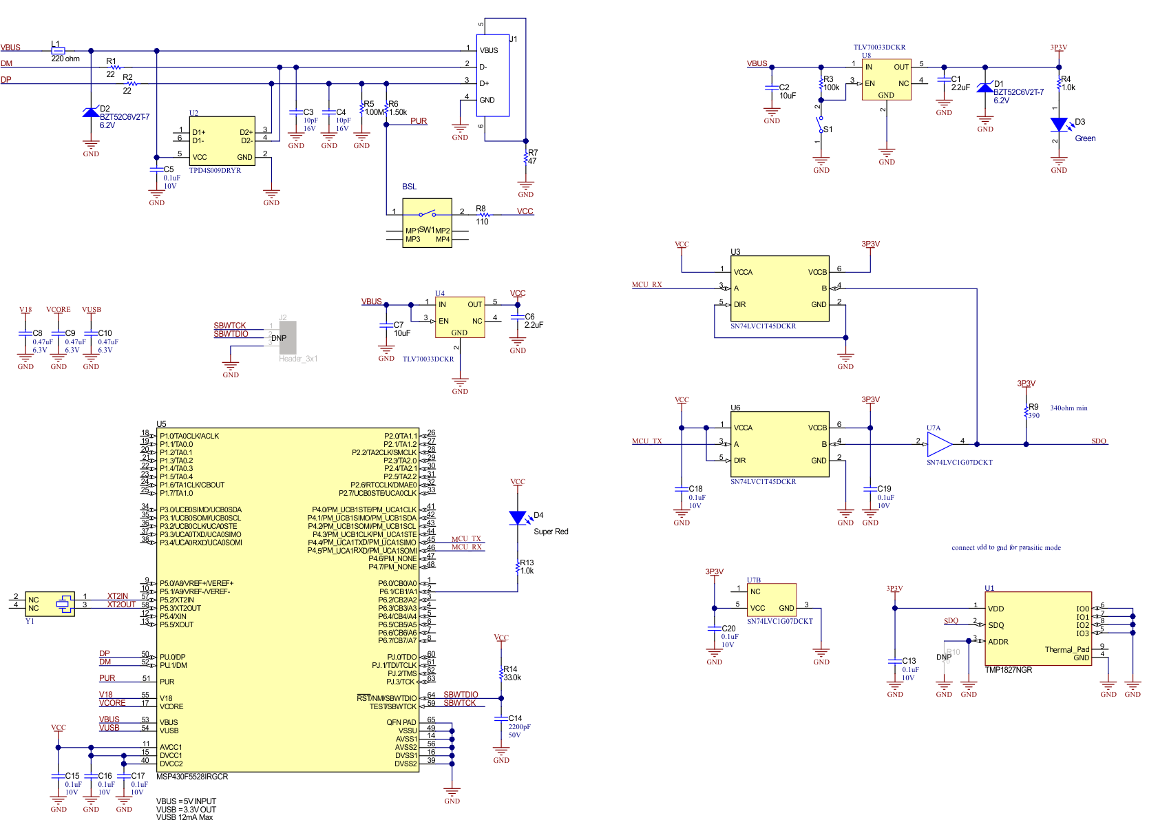
    1. 5.1 Schematic
    2. 5.2 Printed Circuit Board (PCB)
    3. 5.3 Bill of Materials

Schematic

GUID-20220912-SS0I-5LPG-Q5XB-MSRXF89LVLFJ-low.gifFigure 5-1 Schematic.