SLUAAD0 September   2021 UCC28064A

 

  1.   Trademarks
  2. 1Introduction
  3. 2Normal Theory of Multi Phases Control UCC28070 and UCC28064A Operation
  4. 3Achieving Adjustable Phase Control Operation with UCC28064A
  5. 4Achieving Multi Phases Control Operation
    1. 4.1 Disable Feedback of Secondary (Connecting VSENSE and VREF Directly)
    2. 4.2 Disable Feedback of Secondary (Connecting VSENSE and VREF with Diode)
    3. 4.3 External 4 Multi-phase Mode Control Circuit of UCC28064A
    4. 4.4 Detail Operating for External Paralleling Two-Power Stages Control Circuit of UCC28064A
    5. 4.5 Test result for External Paralleling two power stages control circuit of UCC28064A
  6. 5Summary
  7. 6References

Normal Theory of Multi Phases Control UCC28070 and UCC28064A Operation

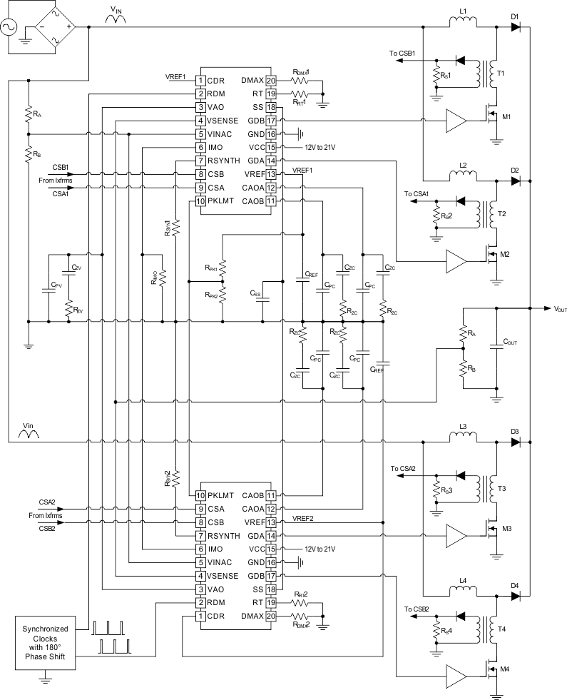
The UCC28070 external synchronization facilitates using more than two phases for interleaving. Multiple UCC28070s can easily be paralleled to add an even number of additional phases for higher-power applications. An odd number of phases can be accommodated, however, an even number of phases are recommended due to the optimal ripple current cancellation at 50% duty cycle. With two phases per controller, for 2- 4- or 6-phase solution, each controller should receive a SYNC signal which is 360/n degrees out of phase with each other (where n = the number of UCC28070 controllers). With appropriate phase-shifting of the synchronization signals, even more input and output ripple current cancellation can be obtained.

For a 4-phase interleaved application with two controllers, SYNC1 should be 180° out of phase with SYNC2 for optimal ripple cancellation. Similarly for a 6-phase system, SYNC1, SYNC2, and SYNC3 should be 120° out of phase with each other for optimal ripple cancellation. Figure 2-1 illustrates the paralleling of two controllers for a four-phase 90-degree-interleaved PFC system. However, because the UCC28064A does not have a synchronization feature like the UCC28070, it is not as straightforward to parallel multiple controllers.

GUID-20210816-SS0I-3BSP-CJZS-CS9V8VGKFDRT-low.gif Figure 2-1 Simplified Four-Phase PFC Application Using Two UCC28070 Devices