SLUU381B September   2009  – February 2022 TPS51220A

 

  1.   Trademarks
  2. Introduction
  3. Description
    1. 2.1 Typical Applications
    2. 2.2 Features
  4. Electrical Performance Specifications
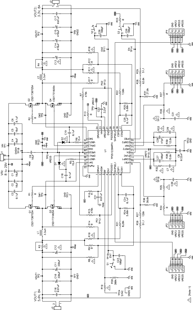
  5. Schematic
  6. Test Setup
    1. 5.1 Test Equipment
    2. 5.2 Recommended Test Setup
    3. 5.3 List of Test Points
  7. Test Procedure
    1. 6.1 Line/Load Regulation and Efficiency Measurement Procedure
    2. 6.2 Output Ripple Test
    3. 6.3 Measuring Improved Light Load Efficiency
    4. 6.4 Control Architecture and OVP Select
    5. 6.5 Overcurrent Trip Level and Output Discharge Select
  8. Performance Data and Typical Characteristic Curves
    1. 7.1 Efficiency
    2. 7.2 Load Regulation
    3. 7.3 Bode Plot
    4. 7.4 Transient Response
    5. 7.5 Output Ripple and Switch Node
    6. 7.6 Turn-On Waveform
    7. 7.7 Turn-Off Waveform
  9. EVM Assembly Drawing and PCB Layout
  10. List of Materials
  11. 10Revision History

Schematic

GUID-2758235F-D988-4DB3-BC2D-DB3A4333F581-low.gifFigure 4-1 TPS51220A EVM-476 Schematic