SLVSAJ0F November   2011  – October 2021 TPS62140 , TPS62140A , TPS62141 , TPS62142 , TPS62143

PRODUCTION DATA  

  1. Features
  2. Applications
  3. Description
  4. Revision History
  5. Device Comparison Table
  6. Pin Configuration and Functions
  7. Specifications
    1. 7.1 Absolute Maximum Ratings (1)
    2. 7.2 ESD Ratings
    3. 7.3 Recommended Operating Conditions
    4. 7.4 Thermal Information
    5. 7.5 Electrical Characteristics
    6. 7.6 Typical Characteristics
  8. Detailed Description
    1. 8.1 Overview
    2. 8.2 Functional Block Diagrams
    3. 8.3 Feature Description
      1. 8.3.1 Enable/Shutdown (EN)
      2. 8.3.2 Soft-Start/Tracking (SS/TR)
      3. 8.3.3 Power Good (PG)
      4. 8.3.4 Pin-Selectable Output Voltage (DEF)
      5. 8.3.5 Frequency Selection (FSW)
      6. 8.3.6 Undervoltage Lockout (UVLO)
      7. 8.3.7 Thermal Shutdown
    4. 8.4 Device Functional Modes
      1. 8.4.1 Pulse-Width Modulation (PWM) Operation
      2. 8.4.2 Power Save Mode Operation
      3. 8.4.3 100% Duty-Cycle Operation
      4. 8.4.4 Current Limit and Short Circuit Protection
  9. Application and Implementation
    1. 9.1 Application Information
    2. 9.2 Typical Application
      1. 9.2.1 Design Requirements
      2. 9.2.2 Detailed Design Procedure
        1. 9.2.2.1 Programming the Output Voltage
        2. 9.2.2.2 External Component Selection
          1. 9.2.2.2.1 Inductor Selection
          2. 9.2.2.2.2 Capacitor Selection
            1. 9.2.2.2.2.1 Output Capacitor
            2. 9.2.2.2.2.2 Input Capacitor
            3. 9.2.2.2.2.3 Soft-Start Capacitor
        3. 9.2.2.3 Tracking Function
        4. 9.2.2.4 Output Filter and Loop Stability
      3. 9.2.3 Application Curves
    3. 9.3 System Examples
      1. 9.3.1 LED Power Supply
      2. 9.3.2 Active Output Discharge
      3. 9.3.3 Inverting Power Supply
      4. 9.3.4 Various Output Voltages
  10. 10Power Supply Recommendations
  11. 11Layout
    1. 11.1 Layout Guidelines
    2. 11.2 Layout Example
    3. 11.3 Thermal Considerations
  12. 12Device and Documentation Support
    1. 12.1 Device Support
      1. 12.1.1 Third-Party Products Disclaimer
    2. 12.2 Documentation Support
      1. 12.2.1 Related Documentation
    3. 12.3 Receiving Notification of Documentation Updates
    4. 12.4 Support Resources
    5. 12.5 Trademarks
    6. 12.6 Electrostatic Discharge Caution
    7. 12.7 Glossary
  13. 13Mechanical, Packaging, and Orderable Information

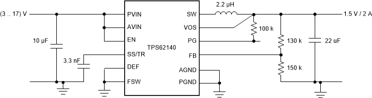
Various Output Voltages

The following example circuits show how to use the various devices and configure the external circuitry to furnish different output voltages at 2A.

GUID-9CC6B9F7-5880-4FC8-8DDA-563E3287831F-low.gifFigure 9-43 5-V/2-A Power Supply

GUID-F9C99364-26C8-481D-92B6-D90AE6746477-low.gifFigure 9-44 3.3-V/2-A Power Supply

GUID-69F76391-D9B1-4884-A40D-6A74AE0D8AD5-low.gifFigure 9-45 2.5-V/2-A Power Supply

GUID-417A0202-FA53-4123-972A-F30B33BBBE67-low.gifFigure 9-46 1.8-V/2-A Power Supply

GUID-6F3312D1-EF29-4056-ABC8-DB57A6A529BC-low.gifFigure 9-47 1.5-V/2-A Power Supply

GUID-B5F73509-A63A-4BEA-9099-6599BD3DD2AF-low.gifFigure 9-48 1.2-V/2-A Power Supply

GUID-56886C38-E251-4D13-9DF8-C74732712C90-low.gifFigure 9-49 1-V/2-A Power Supply