SLVU192B February   2007  – January 2022 TPS40077

 

  1.   Trademarks
  2. 1Introduction
    1. 1.1 Description
    2. 1.2 Applications
    3. 1.3 Features
  3. 2TPS40077EVM-001 Electrical Performance Specifications
  4. 3Schematic
    1. 3.1 Adjusting Output Voltage (R3 and R13)
    2. 3.2 Disable (J3)
    3. 3.3 Test Set Up
      1. 3.3.1 Equipment
        1. 3.3.1.1 Voltage Source
        2. 3.3.1.2 Meters
        3. 3.3.1.3 Loads
        4. 3.3.1.4 Oscilloscope
        5. 3.3.1.5 Recommended Wire Gauge
    4. 3.4 Equipment Setup
      1. 3.4.1 Procedure
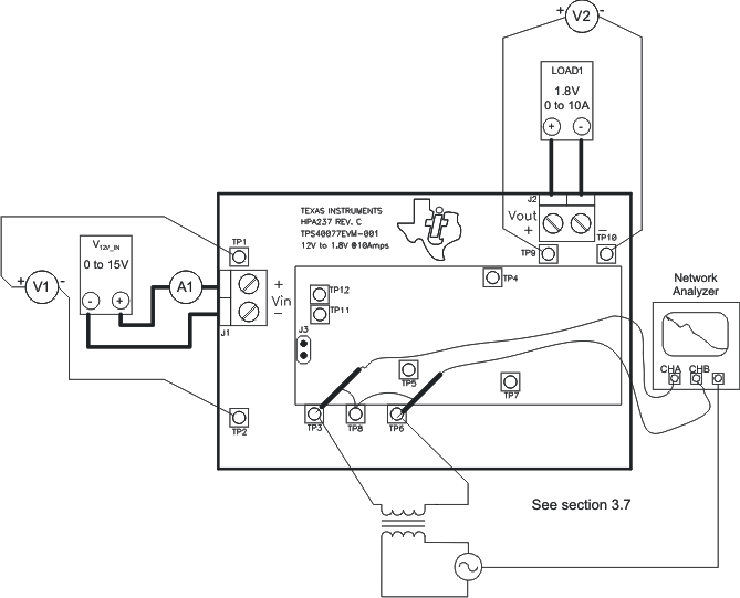
      2. 3.4.2 Diagram
    5. 3.5 Start-Up/Shut Down Procedure
    6. 3.6 Control Loop Gain and Phase Measurement Procedure
    7. 3.7 Equipment Shutdown
  5. 4TPS40077EVM Typical Performance Data and Characteristic Curves
    1. 4.1 Efficiency
    2. 4.2 Line and Load Regulation
    3. 4.3 Output Ripple
    4. 4.4 Transient Response
    5. 4.5 Bode Plot
  6. 5EVM Assembly Drawings and Layout
  7. 6List of Materials
  8. 7Revision History

Diagram

GUID-59941099-99BB-4305-86FA-57AD91802FF6-low.gifFigure 3-3 TPS40077EVM-001 Recommended Test Setup
GUID-1CDF3524-E55C-4538-A05C-09643DC0892E-low.gifFigure 3-4 Control Loop Measurement Setup